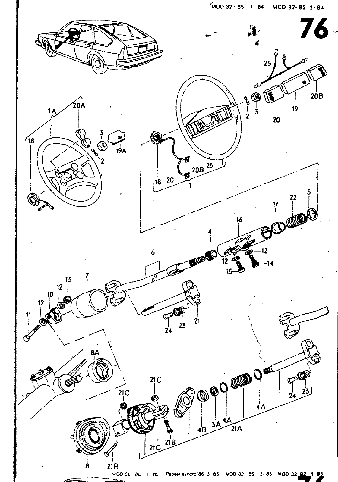
OOO 32 86 1 B4 M0D 32 82 2 84 25 ZOG 20A 1A 20 19A 20B 18 Zu ag L 21 23 aA T 21C 23 21C 24 0 e 4A 4A 3A 21A 4B 21B 21C 8 21B WOO 32 M 1 85 P m yncro 85 3 5 MOD32 85 3 85 WOD 32 2 1 5 HAUPTGRUPPE VORDERACHSE AUSGLEICHGETRIEBE LENKUNG BILD ERSATZTEILE NR BENENNUNG BEMERKUNG ST MODELL 48 10 11 12 1 3 14 15 16 16 1 7 18 19 321 419 091 08 86 03 88 327 419 091 06 86 03 86 08 86 03 88 191 419 091 08 66 03 88 191 419 091 08 86 03 88 N 012 238 N 011 164 431 419 341 811 419 341 803 419 345 431 419 489 N 901 824 811 419 505 812 419 505 811 419 505 812 419 505 A 01C 01C 90V 01C JBX 5 2 A 01 811 419 523 812 419 523 811 422 523 861 N N N 41 1 N 419 535 010 011 022 417 014 345 558 146 549 709 811 419 563 812 419 563 811 419 548 321 419 660 321 419 669 08 86 03 88 327 419 669 01C LENKRAD LENKROHR LENKRAD SRTIN5CHWARZ LENKRAD SATINSCHWARZ SATTELBRAUN SPORTLENKRAD FUER FAHRZEUGE MIT SERVOLENKUNG SATINSCHWARZ SPORTLENI RAD LEDER SCHWARZ FEDERSCHEI8E SECHSKANTMUTTER STUETZRING FUER FAHRZEUGE MIT SERVOLENKUNG STUETZRING SCHEIBE FUER FAHRZEUGE MIT SERVOLENKUNG LENKROHRLAGER FUER FAHRZEUGE MIT SERylOLENKUNG KLEMMSCHEfBE LENKROHR LENKROHR LENKROHR FUER FAHRZEUGE MIT SERVOLENKUNG LENKROHR FUER FAHRZEUGE MIT SERVOLENKUNG TUELLE TUELLE TUELLE FUER FAHRZEUGE MIT SERVOLENKUNG SCHELLE SECHSKANTSCHRAUBE SCHEIBE SECHSKANTMUTTER SELBSTSICHERND ABREISSSCHRAUBE ZYLINDERSCHRAUBE MIT INNENSECHSKANTKOPF MANTELROHR MANTELROHR KONTAKTRING RUECKSTELLRING MIT SCHLEIFRING ABDECKKAPPE SCHWARZ ABDECKKAPPE B16X30X1 6 M16X1 5 20 LLKG RLKG LLKG RLKG LLKG RLKG M8X45 8 4X15X1 6 VM8 M8X22 LLKG RLKG PASSAT CL GL GT PASSAT CL GL GT 76 D 14 0171 38 86 03 88 01C SCHWARZ

Vorschau Passat Mod 87-88 Seite 455
Hinweis: Dies ist eine maschinenlesbare No-Flash Ansicht.
Klicken Sie hier um zur Online-Version zu gelangen.