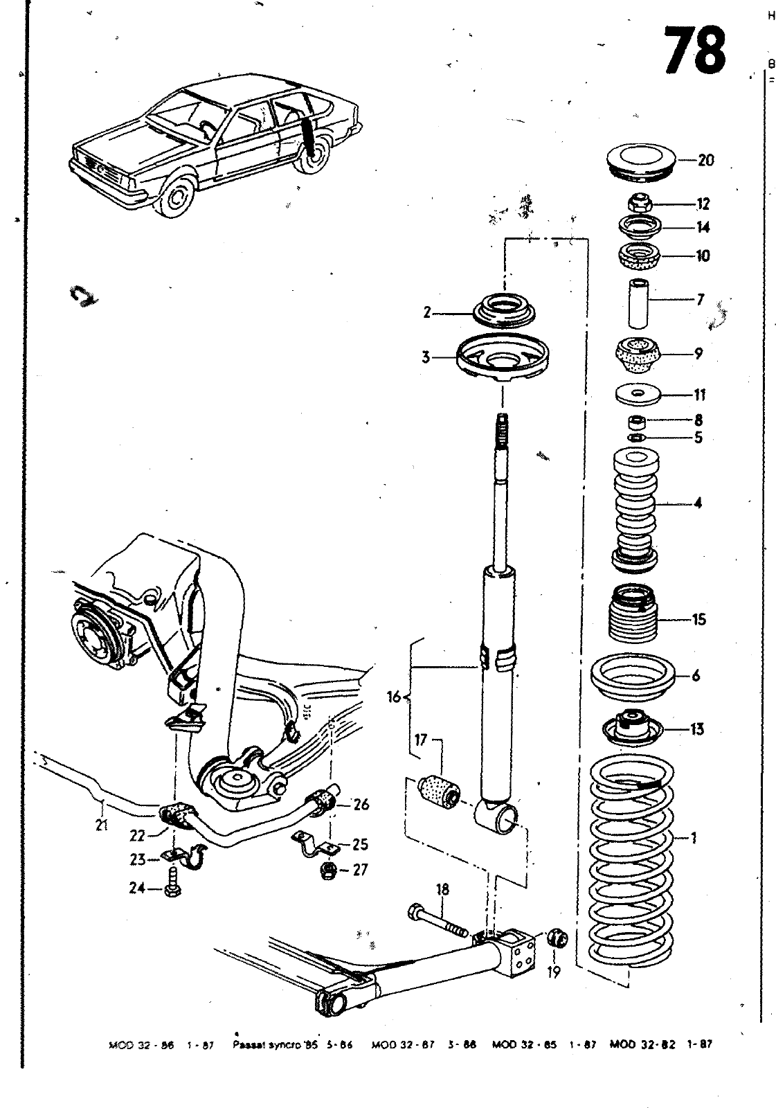
78 f r 20 M 8 O WM M 17 26 22 Wr 4a 23 e 27 ir J 24 M00 32 W 187 Pm ymcfo36 5 86 MO0 32 Br M M00 32 88 1 87 M00 32 B2 1 7 HAUPTGRUPPE 5 HINTERACHSE BILD ERSATZTEILE NR BENENNUNG U I I U 4 1 I 2 3 4 5 6 7 8 9 10 1 1 12 13 14 15 1161 16 16 16 1 7 18 19 20 321 511 115 C 321 511 115 F 321 511 115 G 331 511 115 8 331 511 115 8 331 511 115 F 321 512 321 512 321 512 823 512 321 512 321 512 823 512 321 321 N N 321 321 321 512 512 901 022 513 513 513 321 513 321 513 331 331 51 3 513 109 103 C 131 8 097 113 A 1 1 7 1 19 333 335 137 01 144 2 269 279 425 031 P 031 H 031 H 031 H j71 513 381 N 010 473 9 N 900 876 02 N 901 136 01 331 698 501 C FEDERUNG STOSSDAEMPFER SCHRAUBENFEDER 1 FARBSTRICH SCHRAUBENFEDER 2 FARBSTRICHE ZU VERWENDEN FUER BLAUE FARBSTRICHE SCHRAUBENFEDER 1 FARBSTRICH SCHRAUBEMFEDER 1 FARBSTRICH FUER VERSTAERKTE STOSSOAEMPFER SGHRAUBENFEOER 1 FARBSTRICH SCHRAUBENFEDER VERSTAERKT 2 FARBSTRICHE ZU VERWENDEN FUER VIOLETTE FARBSTRICHE UNTERLAGE FEDERTELLER ANSCHLAGPUFFER SPRENGRING FEDERTELLER DISTANZROHR RING LAGERRING LAGERRING SCHEIBE SECHSKANTMUTTER SELBSTSICHERNO SCHUTZKAPPE PILER FALTENBALG STOSSDAEMPFER VERSTAERKT STOSSDAEMPFER STOSSDAEMPFER STOSSDAEMPFER GUMMILAGER SECHSKANTSCHRAUBE SECHSKANTMUTTER SELBSTSICHERNO VERSCHLUSSSTOPFEN NiVfAUREGULIERUNG ZUM NACHTRAEGLICHEN EINBAU PNEUMATISCH FUER EINE SEITE BEMERKUNG MODELL ST KENNBUCHST HINTEN BLAU BLAU 1 2 GELB WEISS WEISS VIOLETT 1 2 UNTEN OBEN UNTEN OBEN 11 2X54X2 VM10X1 M10X75 VMfO 65 VARIANT 5 ZYLINDER HY KV VARIANT 76 D

Vorschau Passat Mod 87-88 Seite 475
Hinweis: Dies ist eine maschinenlesbare No-Flash Ansicht.
Klicken Sie hier um zur Online-Version zu gelangen.