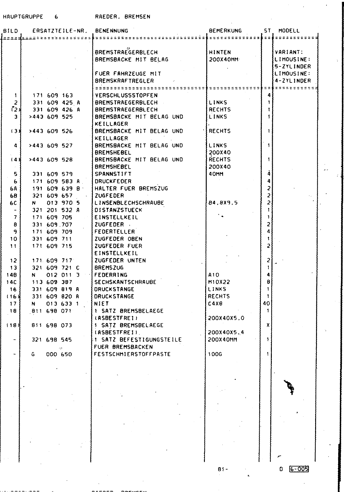
81 0 14 A WOD32 85 1 84 MOO 32112 1 1 HAUPTGRUPPE 6 BILD ERSATZTEILE NR RAEDER BREMSEN BENENNUNG BEMERKUNG ST MODELL 4 4 5 6 6A 68 6C 9 10 1 1 12 1 3 14B 14C 18 16 1 7 18 18 171 609 163 331 609 425 A 331 609 426 A 443 609 525 443 609 526 443 609 527 443 609 528 331 609 171 609 191 609 321 609 N 013 321 201 171 609 331 609 171 609 331 609 171 609 579 583 A 639 8 657 970 5 532 A 705 707 709 71 1 715 171 609 717 321 609 721 C N 012 011 3 113 609 387 331 609 819 A 331 609 820 A N 013 633 1 GUI 698 071 811 698 073 321 698 545 G 000 650 BREM5TRAEGERBLECH BREMSBACKE MIT BELAG FUER FAHRZEUGE MIT BREMSKRAFTREGLER VERSCHLUSSSTOPFEN BREM5TRAEGERBLECH BREMSTRAEGERBLECH BREMSBACKE MIT BELAG UNO KEILLAGER BREMSBACKE MIT BELAG UND KEILLAGER BREMSBACKE MIT BELAG UND BREMSHEBEL BREMSBACKE MIT BELAG UNO BREMSHEBEL SPANNSTIFT DRUCKFEDER HALTER FUER BREMSZUG ZUGFEDER LINSENBLECHSCHRAUBE DISTANZSTUECK EINSTELLKEIL ZUGFEDER FEDERTELLER ZUGFEDER OBEN ZUGFEDER FUER EINSTELLKEIL ZUGFEDER UNTEN BREMSZUG FEDERRING SECHSKANTSCHRAUBE DRUCKSTANGE DRUCKSTANGE NIET 1 SATZ BREMSBELAEGE tASBESTFREI I 1 SATZ BREMSBELAEGE I ASBESTFREI I 1 SATZ BEFESTIGUNGSTEILE FU R BREMSBACKEN FESTSCHMIERSTOFFPASTE HINTEN 200X40MM LINKS RECHTS LINKS RECHTS LINKS 200X40 RECHTS 200X40 40MM 84 8X9 5 A10 M10X22 LINKS RECHTS C4X8 200X40X5 0 200X40X5 4 200X40MM 100G VARIANT LIMOUSINE 5 ZYLINDER LIMOUSINE 4 ZYLlNDER 0 16 0051

Vorschau Passat Mod 87-88 Seite 486
Hinweis: Dies ist eine maschinenlesbare No-Flash Ansicht.
Klicken Sie hier um zur Online-Version zu gelangen.