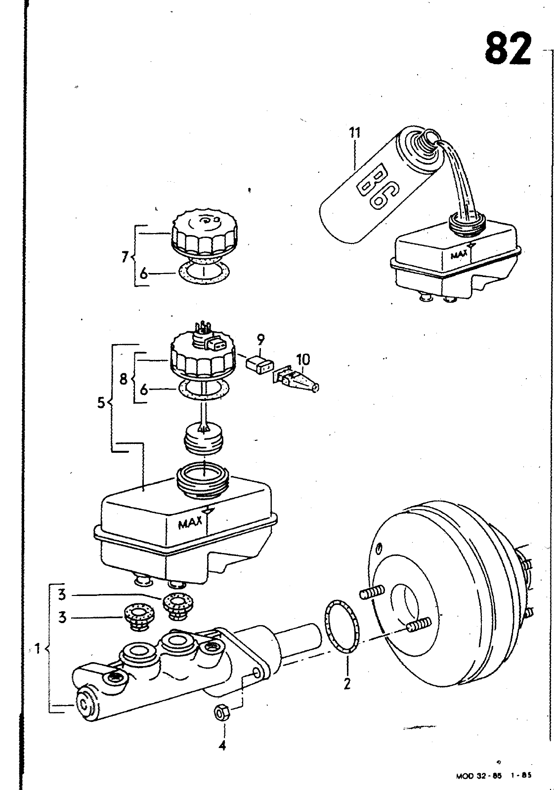
82 Ii 8 54 10 O M00 32 6 HAUPTGRUPPE 6 RAEOER BREMSEN BILD ERSATZTEILE NR BENENNUNG BEMERKUNG ST MODELL 1 1 1 9 10 11 t I 1 1 1 321 611 322 611 853 611 019 N 019 019 211 611 243 113 611 N 900 322 611 321 611 481 611 191 611 817 A 744 01 301 8 301 L 347 349 A 894 611 349 443 611 349 A 443 906 447 919 B 000 B 000 B 000 8 OÖO 231 141 600 02 600 10 600 20 too TANDEM HAUPTBREMSZYLINDER AUSGLEICH8EHAELTER TANOEM HAUPTBREMSZYLINDER TANDEM HAUPTBREMSZYLINDER TANDEM HAUPTGRE SZYLINDER FUER FAHRZEUGE MIT SCHEIBENBREMSE VORNUU HINTEN DICHTUNG ZWISCHEN 8REMSKRAFTVERSTAERKER UNO TANDEM HRUPTBREMSZYLINOER DICHTUNGSSTOPFEN SECHSKANTMUTTER SELBSTSICHERND AUSGLEICHBEHAELTER AU5GLEICHBEHRELTER FUER FAHRZEUGE MIT HYDRAU LISCHER KUPPLUNGS8ETAETIGUNG OICHTRING VERSCHLUSSDECKEL FUER AUSGLEICHBEHAELTER VERSCHLUSSDECKEL FUER FAHRZEUGE MIT BREMSKONTROLLEUCHTE VERSCHLUSSDECKEL FUER AUSGLEICHBEHAELTER FUER FAHRZEUGE MIT HYDRAU LISCHER KUPPLUNGSBETAETIGUNG FLACHSTECKHUELSENGEHREUSE SCHUTZKAPPE BREMSFLUESSIGKEIT BREMSFLUESSIGKEIT GFLUCSSIGKEIT ZYLINDERPASTE 20 64X19 17 LLKG 20 64X19 17 RLKG 22 2X19 17 11 24 MB 82X80 102X100 56 5MM 43 5MM 2 POLIG 0 25LTR 1LTR 10LTR 160G 5 ZYLINDER HY 5 ZYLINDER HY C CL GL 5 ZYLINDER HY parnFp RpFMSFw 82 0 16 0061

Vorschau Passat Mod 87-88 Seite 487
Hinweis: Dies ist eine maschinenlesbare No-Flash Ansicht.
Klicken Sie hier um zur Online-Version zu gelangen.