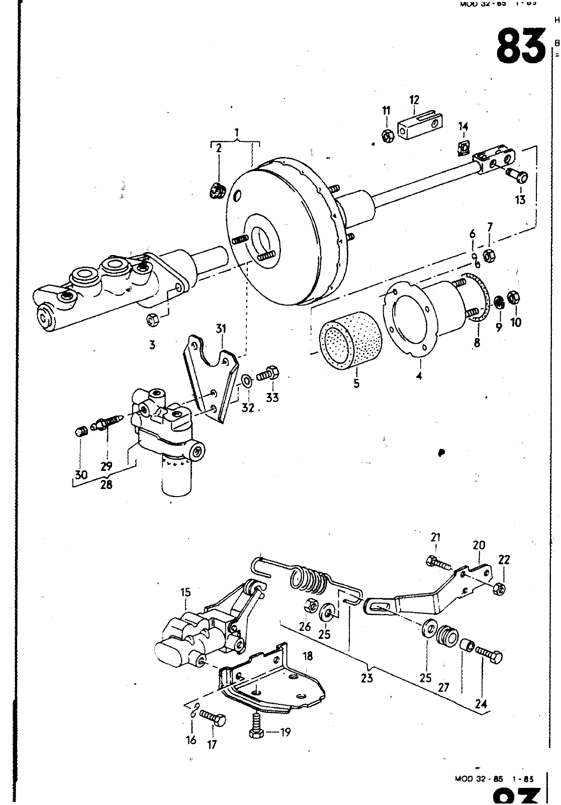
83 M 14 13 10 33 32 20 26 25 25 23 24 WO0 32 6 1 85 HAUPTGRUPPE 6 BILD ERSATZTEILE NR 15 16 1 7 IS 19 20 21 22 23 24 RAEOER BREMSEN BENENNUNG 890 612 107 A 192 612 107 Ri 321 612 10 F 861 612 175 N 900 744 01 811 611 945 B 811 611 945 A 331 611 945 321 611 969 012 241 11 011 008 8 901 251 01 012 038 8 011 008 8 011 134 5 811 721 21 3 N 90O 512 01 N 900 308 01 331 612 151 012 241 11 010 237 6 331 612 405 A N 331 N N 010 238 13 612 407 Ä 010 239 11 011 008 8 BEMERKUNG BREMSKRAFTVERSTAERKER 8REMSKRAFTVERSTAERKER MITVERWENDEN BREMSKRAFTVERSTAERKER FUER FAHRZEUGE MIT SCHEIBENBREMSE VORN U HINTEN BREMSKRAFTVERSTAERKER FUER FAHRZEUGE MIT SCHEIBENBREMSE VORN U HINTEN DICHTUNG SECHSKANTMUTTER SELBSTSICHERND LAGERBOCK FUER BREMSKRAFTVERSTAERKER LAGERBOCK FUER BREMSKRAFTVERSTAERKER LAGERBOCk FUER BREMSKRAFTVERSTAERKER FUER FAHRZEUGE MIT SCHEIBENBREMSE VORN U HINTEN DICHTRING KUERZEN AUF KUERZEN AUF FUER FAHRZEUGE MIT SCHEIBENBREMSE VORN U HINTEN FEOERSCHEIBE SECHSKANTMUTTER 0 RING FEDERRING SECHSKANTMUTTER SECHSKANTMUTTER GABELKOPF BOLZEN SICHERUNGSSEHEIBE BREMSKRAFTREGLER ILASTABHAENGIGI N 010 233 6 BREMSKRAFTREGLER ILASTABHAENGIGI FEDERSCHEIBE SECHSKANTSCHRAUBE HALTER SECHSKANTSCHRAUBE HALTER SECHSKANTSCHRAUBE SECHSKANTMUTTER NICHT MEHR LIEFERBAR SECHSKANTSCHRAUBE 9 LLKG 893 721 213 N 011 020 4 443 721 371 A 9 10 Mß 9 9 10 77MM 30MM 54MM ATE RLKG RLKG tLKG LLKG RLKG LLKG LLKG RLKG LLKG B8X15X0 8 M8 70X3N 8 MB mo G1 0 3 7 10011X00 6X7 1 R G 8 RLKG 88X15X0 8 M8X12 MBX15 M8X18 M8 83 ST MODELL 5 ZYLINDER HY D 16 007 MBX28 RÄ 4X24X2

Vorschau Passat Mod 87-88 Seite 489
Hinweis: Dies ist eine maschinenlesbare No-Flash Ansicht.
Klicken Sie hier um zur Online-Version zu gelangen.