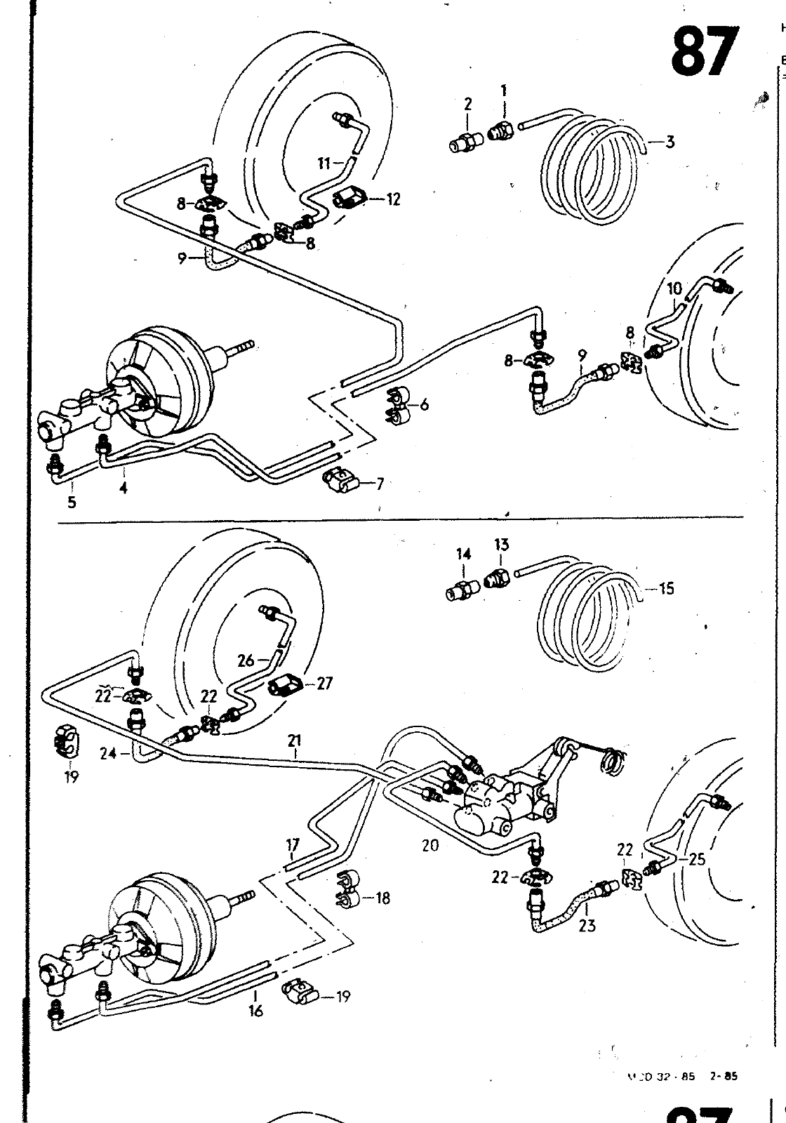
87 3 12 10 7 dP 26 27 qgP 22 22 24 20 25 22 w 23 V D3 85 2 85 HAUPTGRUPPE 6 BILD ERSATZTEILE NR 1 2 3 4 4 5 5 6 7 8 9 10 1 1 12 1 3 14 15 16 16 t 16 I 16 1 7 I 1 7 1 7 RAEDER BREMSEN BENENNUNG 113 611 731 411 611 789 111 611 998 321 611 853 811 611 797 171 611 715 433 611 775 A 191 611 994 E 191 611 994 E 431 971 848 8 113 611 731 411 611 789 III 611 998 BEMERKUNG BREMSROHR BREMSSCHLAUCH FUER FAHRZEUGE OHNE BREMSKRAFTREGLER ROHRANSCHLUSSMUTTER VERBINDUNGSSTUECK 8REMSRQHR IN ROLLEN ZU 5M BESTELLEINHEIT 5 KUERZEN AUF KUERZEN AUF KlCRtEN AUF KUERZEN AUF HALTER HALTER HALTER FUER SCHLAUCH BREMSSCHLAUCH BREMSROHR FERTIG GEBOERDELT GESTRECKTE LAENGE BREMSROHR FERTIG GEBOEROELT GESTRECKTE LAENGE CLIP BREMSROHR BREMSSCHLAUCH FUER FAHRZEUGE MIT BREMSKRAFTREGLER ROHRANSCHLUSSMUTTER VERBINDUNGSSTUECK BREMSROHR IN ROLLEN ZU 5M BESTELLEINHEIT 5 KUERZEN AUF KUERZEN AUF KUERZEN AUF FUER FAHRZEUGE MIT SCHEIBENBREMSE VORN U HINTEN KUERZEN AUF FUER FAHRZEUGE MIT NIVEAUREGULIERUNG KUERZEN AUF KUERZEN AUF K CRZEN AUF FUER FAHRZEUGE MIT SCHEIBENBREMSE VORN U HINTEN HINTEN M10X1 M10X1 4 75X0 7 2717MM 3047MM 2500MM 4082MM LLk RLKG LLKG RLKG M10X1X200 4 75X0 7X 600MM 4 75X0 7X 600MM HINTEN M10X1 M10X1 4 75X0 7 2535MM 2863MM 2535MM 2450MM 2695MM 3052MM 2684MM LLKG RLKG LLKG LLKG LLKG RLKG LLKG ST MODELL LIMOUSINE 4 ZYLINDER VARIANT LIMOUSINE 5 ZYLINDER LIMOUSINE 4 ZYLINDER 331 S722 87 D l6 0ia KUERZEN AUF 2450MM 1 331 S722 Fif FAHRTFUnF MIT I LLKGl I

Vorschau Passat Mod 87-88 Seite 499
Hinweis: Dies ist eine maschinenlesbare No-Flash Ansicht.
Klicken Sie hier um zur Online-Version zu gelangen.