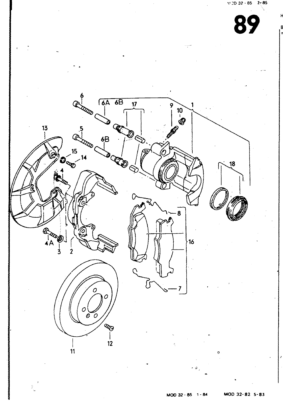
V D 32 85 2r85 89 r6A 6B 17 10 6B A 15 0 18 8 3 2 f I 0 MOO 32 88 1 84 MOO 32 82 5 83 HAUPTGRUPPE 6 BILD ERSATZTEILE NR RAEOER BREMSEN BENENNUNG BEMERKUNG ST MODELL 6A 6B 7 9 10 11 12 13 113 14 15 16 17 18 N 044 755 3 171 615 221 171 615 221 A 171 615 269 8 171 615 270 B 113 615 273 A 211 611 483 321 615 301 014 226 321 615 311 321 615 312 010 210 012 006 N N N 191 698 151 171 698 447 A 171 698 471 B 171 698 993 000 100 000 650 SCHEIBENBREMSE MIT FAUSTSRTTEL BREMSSCHEIBE 4 ZTLINDER VORN 239X12MM 171 615 123 8 171 615 124 B 321 615 127 6 N 900 689 02 N 014 715 3 BREMSSATTELGEHAEUSE BREMSSATTELGEHREUSE 6REMSTRAEGER RIPPSCHRAUBE ZYLINDERSCHRAUBE MIT INNENSECHSKANTKOPF ZYLINOERSCHRAUBE MIT INNENSECHSKANTKOPF FUgHRUNGSHUELSE FUEHRUNGSHUELSE HALTEFEDER HALTEFEOER ENTLUEFTERVENTIL STAUBKAPPE BREMSSCHEIBE SENKSCHRAUBE ABDECKBLECH ABDECKBLECH SECHSKANTSCHRAUBE FEDERRING 1 SATZiSßEMSBELAEGE FUER SCHEfBCMBREMSE ASBESTFREI 1 SATZ FUBARUNGSBUCHSEN DICHTUNGSSATZ FUER BREMSSATTELGEHAEUSE BELAGAUFKLEBER FUER SCHEIBENBREMSBELAG 8REMSZYLINDERPASTE FESTSCHMIERSTOFFPASTE RECHTS LINKS M10X30 M8X45 M8X55 45MM 35MM RECHTS OBEN LINKS UNTEN bECHTS UNTEN LINKS OBEN 39X12 AM6X15 LINKS RECHTS M6X10K 86 239XI2MM 180G lOOG 4 100 D 16 014

Vorschau Passat Mod 87-88 Seite 503
Hinweis: Dies ist eine maschinenlesbare No-Flash Ansicht.
Klicken Sie hier um zur Online-Version zu gelangen.