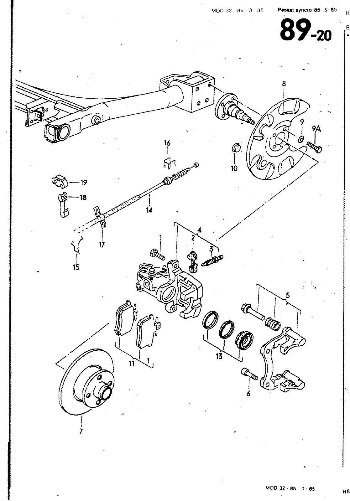
Moncw 86 3 85 syncfo 5 5 8b 89 20 Q 0 Ä MOO 32 85 i BS HAUPTGRUPPE 6 BILD ERSATZTEILE NR RAEDER BREMSEN BENENNUNG BEMERKUNG ST MODELL 12 1 3 14 15 16 1 7 18 19 20 21 SCHEIBENBREMSE MIT FAUSTSATTEL BREMSSCHEIBE HINTEN 226X10MM 321 615 141 211 611 483 113 615 273 A 19J 615 423 A 191 615 424 A 443 615 425 A N 019 912 1 357 615 601 191 615 611 191 615 612 321 501 119 A 11 609 387 191 698 4SI A 171 698 993 443 698 470 443 698 671 321 609 721 E 191 609 639 857 609 745 191 609 207 191 609 657 811 611 797 8 000 100 G 000 650 SECHSKANTSCHRAUBE STAU8KAPPE ENTLUEFTERVENTIL BREMGSATTELGEHAEUSf BREMSSATTELGEHAEUSE 8REMSTRAEGER MIT FUEHRUNGSBOLZEN ZYLINDERSCHRAUBE MIT INNENSECHSKANTKOPF BREMSSCHEIBE DECKBLECH FUER BREMSSCHEIBE DECKBLECH FUER BREMSSCHEIBE TELLERFEDER SECHSKANTSCHRAUBE 1 SATZ BREMSBELAEGE FUER SCHEIBENBREMSE BELAGAUFKLEBER FUER SCHEIBENBREMSBELAG 1 SATZ SCHUTZHUELLEN FUER FUEHRUNGSBOLZEN OICHTUNGSSATZ FUER BREMSSATTELGEHAEUSE BREMSZUG HALTER FUER BREMSZUG FEDERKLAMMER OJP DISTANZSTUECK HALTER BREMSZYLINDERPASTE FESTSCHMIERSTOFFPASTE LINKS RECHTS M10X1 25X20 226X10MM LINKS RECHTS 810 M10X22 1340MM 160G 100G 5 ZYLINDER HY KV HAUPTGRUPPE 6 RAEDER BREMSEN 69 20 0 16 01 1 f

Vorschau Passat Mod 87-88 Seite 509
Hinweis: Dies ist eine maschinenlesbare No-Flash Ansicht.
Klicken Sie hier um zur Online-Version zu gelangen.