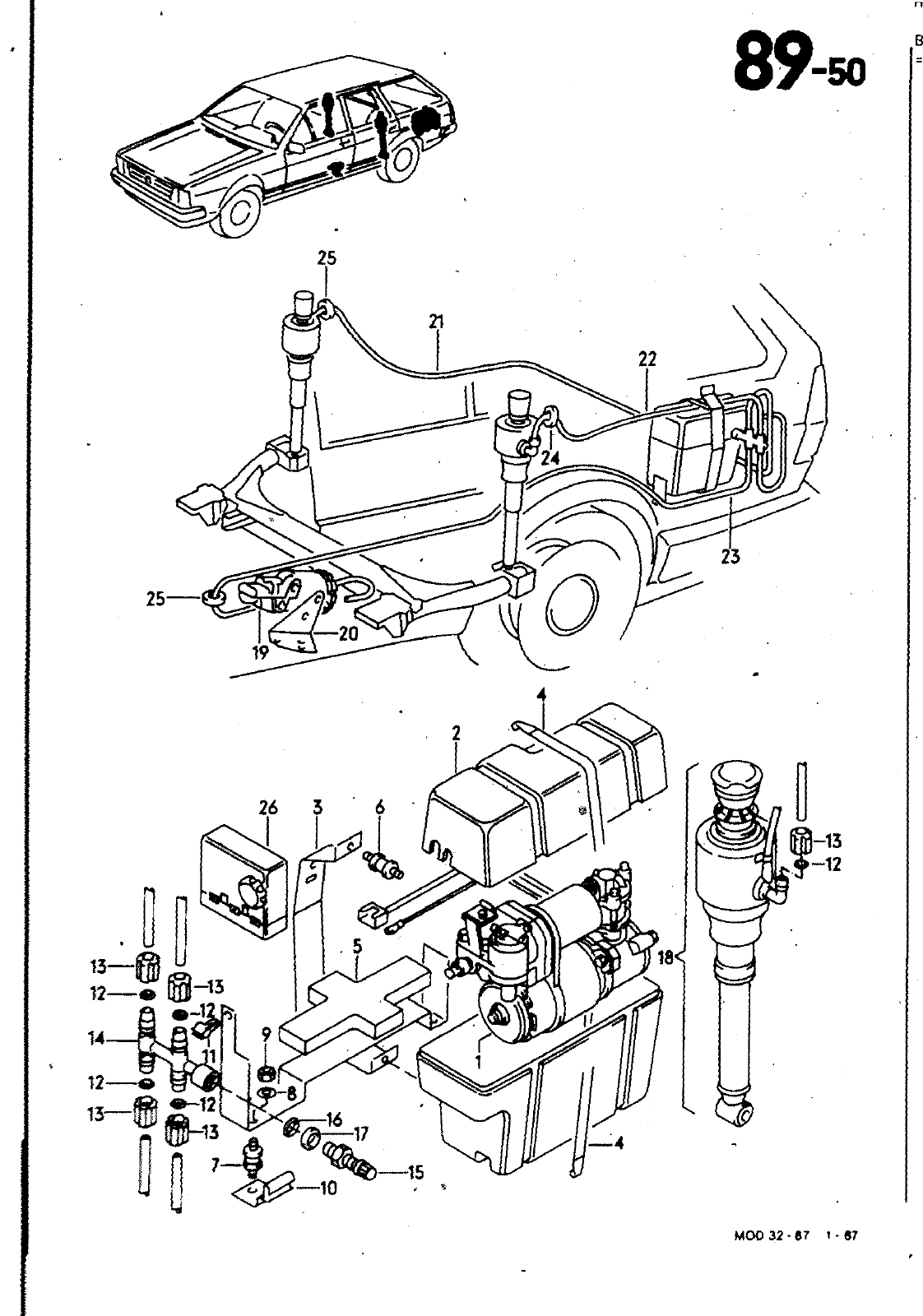
26 0 1 12 ERSATZTEILE NR BENENNUNG BEMERKUNG ST MODELL 333 616 007 333 616 063 331 616 843 171 011 247 331 616 851 333 616 853 333 616 854 N 011 524 7 N 011 006 8 33i 616 857 333 616 847 333 616 869 333 616 761 333 616 755 333 616 795 333 616 870 333 616 801 331 616 019 331 612 151 8 331 612 405 C 331 616 720 III 971 911 A 211 611 751 331 907 553 NIYEAUREGULIERUNG CE S722 VARIANT LUFTVERSORGUNGSAGGREGAT GEHAEUSE HALTEWINKEL HALTEBAND OAEMPFUNGSPLÜTTE GUMMILRGER GUMMILAGER SCHEIBE SECHSKANTMUTTER BEFESTIGUNGSWINKEL ROHRHALTER O RING SCHRAUGVERSCHLUSS VERTEILERSTUECK VENTIL O RING DRUCKRING LUF7FEDERDAEMPFER MIT SENSOR EINZELTEILE SIEHE BREMSORUCKMINDERER FUER FAHRZEUGE MIT NIVEAUREGULIERUNG HALTER LUFTLEITUNG KUERZEN AUF KUERZEN RUF TUELLE TUELLE STEUERGERAET WA8C0 OBEN UNTEN R6 4X12 5X1 6 M6 77 10 BENOIX 3850X5X1MM 1000MM 2200MM 16 5 14X4 5 WABCO 0 16 01 HAUPTGRUPPE 6 REPARATURSAETZE ERSATZTEILE NR BENENNUNG BEMERKUNG ST MODELL

Vorschau Passat Mod 87-88 Seite 511
Hinweis: Dies ist eine maschinenlesbare No-Flash Ansicht.
Klicken Sie hier um zur Online-Version zu gelangen.