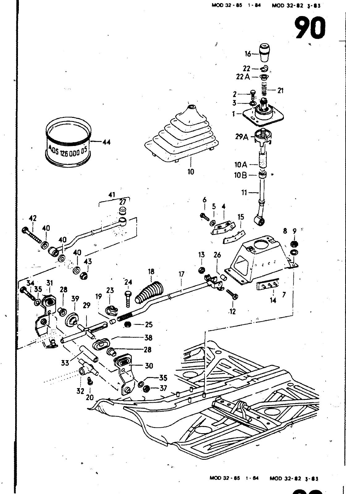
MOOM 6 1 00 32 12 90 16 W 22 22 k ISP 1 1 44 l5 000 10A ü MB r 9 5 4 8 42 8 9 c 13 26 8 0 3 ISSG 24 54 31 35 I 28 23 59 29 25 38 33 30 35 37 32 20 IW00 32 S 1 84 AM 0 32 a2 08 86 03 88 1BX 443 711 141 8 ag 86 03 88 01C 443 711 141 D 08 86 03 88 18X 811 711 151 811 711 155 D 811 711 455 L 811 711 155 H 803 711 167 E 431 711 169 m 211 711 189 823 711 157 431 711 197 N 012 412 1 171 711 217 803 711 237 m N 010 244 11 N 022 146 4 823 711 263 C 811 711 279 823 811 811 811 81 t 811 823 N N N 823 823 N 81 1 711 711 711 711 7t 1 711 711 010 011 022 711 71 1 OU 711 261 C 451 m 511 51 552 m 559 569 61 4 525 13 M6 4 641 8 642 e 525 13 803 8 1 711 803 m 811 711 799 N 040 262 2 N 022 146 4 811 711 6 3 C N 901 239 01 05 126 000 05 SCHWARZ SCHMLTHEBCLKNOPF SRTINSCHWARZ SCHALTHEBELKNOPF SCHWARZ SCHALTSTANGE SCHALTSTANGE SCHALTSTANGE SCHALTSTANGE SCHUTZHUELLE VERSCHLUSSSTOPCtN VIERKANTSCHRAU E ORUCKFEDER DRUCKFEDER SICHERUNGSRING SCHELLE SCCHSKANTdCHRAUBE SECHSKANTMUTTER SEL8STSICHERN0 OISTANZROHR o KUOELPFfNNE KUGEL l OER UCHSE SCHAlfFINCER SICHEAUMCSRINC LAOEfmUEGEL LINKS LAOEReUECEL RECHTS KUPPLUNGSSTUECK OLSTANZROHR SäCHSKANTSCHRAUBE fcHKIBE SECHSKANTMUTTER SELBSTSICHERNO SCHÜtZHUELLE LINKS SCHUTZHUELLE RECHTS SCHEIBE STUCTZE FUER SCHALTBETAETIGUNG STUCTZE FUER SCHALTBETAETIGUNG f KOPPELSTANGE f SECHSKANTSCHRAUeE SECHSKANTMUTTER SELBSTSICHERNO SCHALTGELENK SECHSKANTSCHRAUBE MOLYPASTE FESTSCHMIERSTOFFPASTE WEISS 4 E 2 0LTR 2 2LTR 12X1 M8X30 VM8 17MM 13MM M8X65 AB 4 VM8 AB 4 M8X50 VMB MBX26 400G 5 GANG SCHALTGETR PASSAT CARAT 4 GANG SCHALTGETR 5 GANG SCHALTGETR 4 ZYLINDER 5 GANG SCNALTGETR 5 ZYLINDER 5 GANG SCHALTGETR 5 ZYLINDER 4 GANG SCHALTGETR 5 GANG SCHALTGETR 4 GANG SCHALTGETR 5 GANG SCHALTGETR 4 ZYLINOER 5 GANO SCHALTGETR 5 ZfLINOER GANG SCHALTGETR ZYLINDER ZYLINDER D u ooa SCHMIERFETT i 90G

Vorschau Passat Mod 87-88 Seite 527
Hinweis: Dies ist eine maschinenlesbare No-Flash Ansicht.
Klicken Sie hier um zur Online-Version zu gelangen.