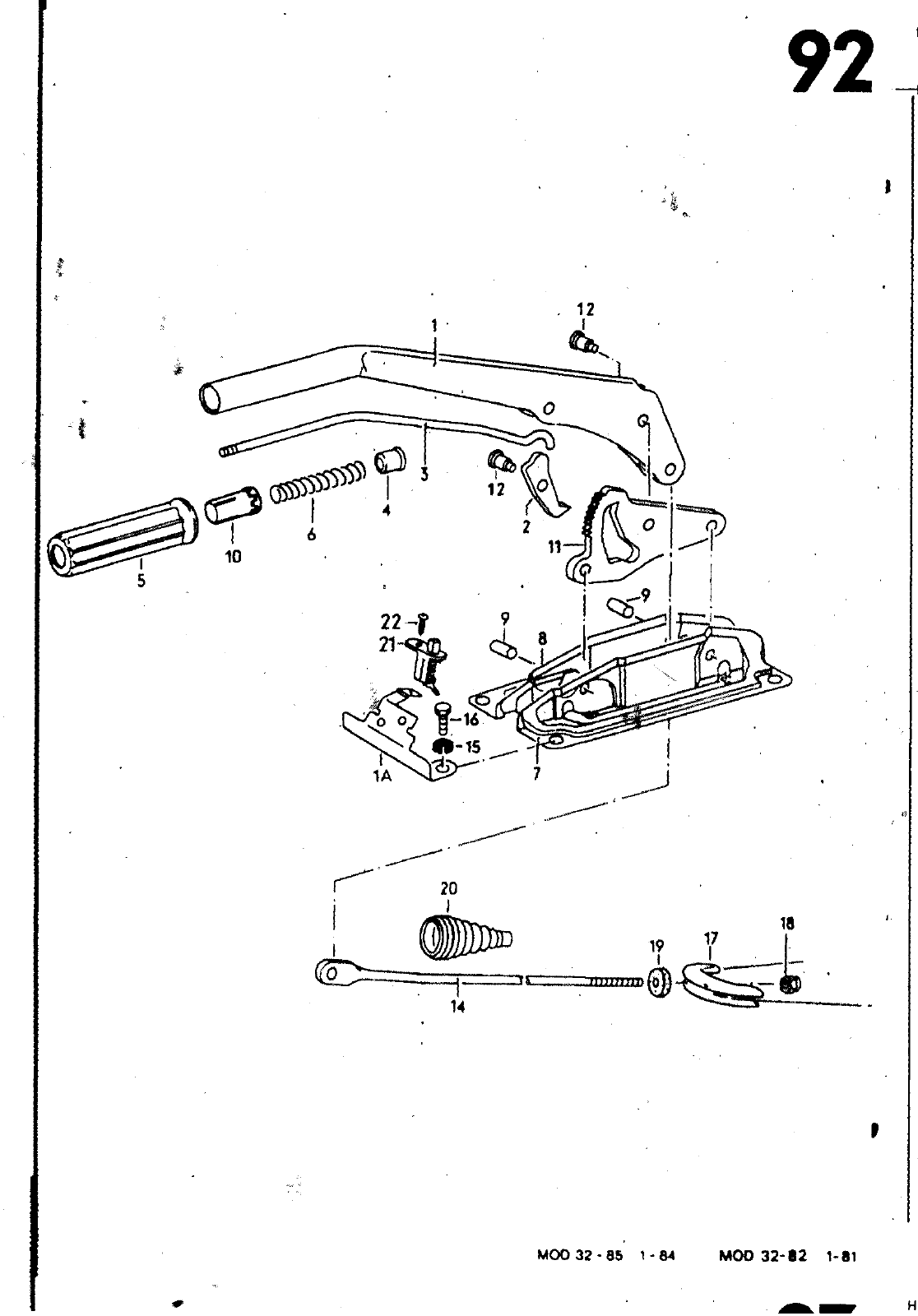
92 12 9 3 12 W 9 22 6 1A M00 32 8 1 84 MOB 32 2 1 81 HAUPTGRUPPE HAND UNO FUSSHEBELWERK B Hrß ERSATZTEILE NR BENENNUNG BEMERKUNG ST MODELL 1A 2 3 4 15 321 711 305 8 811 711 307 A 08 86 03 66 01Z 811 711 317 823 711 321 481 711 325 481 711 327 311 711 32f R 08 86 03 88 90V 08 86 03 88 01C 311 711 337 329 331 332 191 711 823 711 823 711 N 013 448 2 113 711 333 B 08 86 03 88 823 711 339 803 711 341 B 321 711 341 m 01C 321 8t 1 711 711 345 45 m N 012 038 N 010 238 861 711 399 811 711 397 N 022 811 711 321 711 165 947 N 013 148 1 350 411 563 957 5 HANDBREMSHEBEL HANOBREMSHEBEL HANOBREMSHEBEL NEGRO BRAUN I HALTER FUER HANOBREMSKONTROLLE SPERRKLINKE KLINKENSTANGE FEaERMUELSE GRIFF FUER HANOBREMSHEBEL NEORO IBRAUNI SATINSCHWARZ HALTENOCKEN FUER HANOBREMSHEBELGRIFF ORUCKFEOER LAQERBOCK LINKS LAOEhBOCK HECHTS HALBRUNONIET DRUCKKNOPF SATINSCHWARZ ZAHMSEGMENT LAOERBOLZEN BOLZEN ZUGSTANGE ZUGSTANGE FEDERRING SECHSKANTSCHRAUQE AUSGLEICHBUEGEL AUGGLEICHBUgOEL SECHSKANTMUTTER SELBSTSICHERNO ANSCHLAG SCMUTZHUELLE SctWLTER LINSENBLECHSCHRAU8E 6X15 7K10 M8X15 VM6 B3 5X9 5 5 ZYLlNOER 2 2LTR 5 ZYLINOER 2 2LTR 5 ZVLINDER 2 2LTR 5 ZYLINOER 2 2LTR HAUPTGRUPPE 7 HAND UNO FUSSHEBELWERK 92 0 17 0051

Vorschau Passat Mod 87-88 Seite 533
Hinweis: Dies ist eine maschinenlesbare No-Flash Ansicht.
Klicken Sie hier um zur Online-Version zu gelangen.