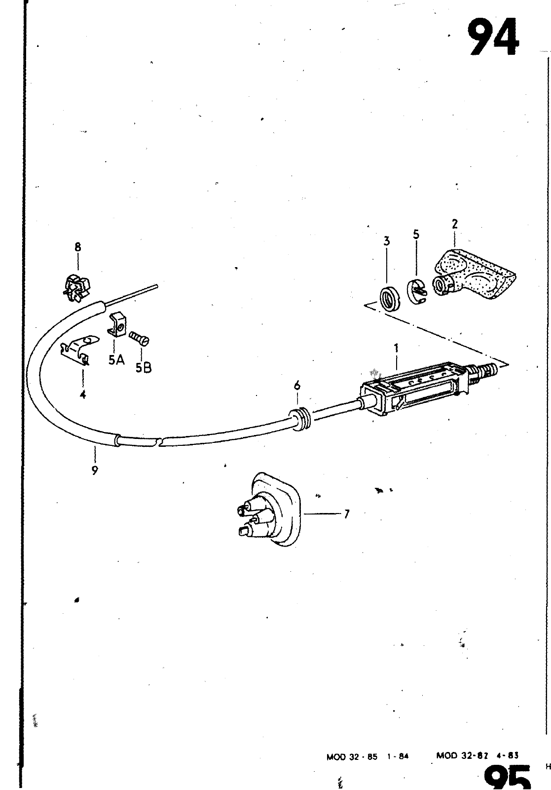
0 1 5A Je 6 HAUPTGRUPPE HAND UND FUSSHEBELWERK BILD ERSATZTEILE NR Ii 321 711 501 K 2 191 711 503 08 86 03 88 01C 08 86 03 88 90V 3 861 711 509 A 5 867 711 561 5A 811 711 517 58 N 014 155 1 6 803 959 843 7 855 971 863 G 867 971 848 171 957 787 N 020 281 1 BENENNUNG 6TARTERZUG BEMERKUNG STRRTERZUG GRIFF SATINSCHWARZ SÄTTELBRAUN MUTTER KlAMMER HALTEBUEGEL V LINSENSCHRAUBE TUELLE TVELLE CLIP HALTE SCMLAÜCH IN ROLLEN ZU 5M BESTELLEINHEIT 5 KOERZEN AUF 1 3 1 6LTR RLKG LLKG 10 5X15 5 7X3 220MM LLKG ST MODELL KEIHIN VERGASER HAUPTGRUPPE 7 HAND UND FUSSHEBELWERK 94 D P 0Ö7I

Vorschau Passat Mod 87-88 Seite 537
Hinweis: Dies ist eine maschinenlesbare No-Flash Ansicht.
Klicken Sie hier um zur Online-Version zu gelangen.