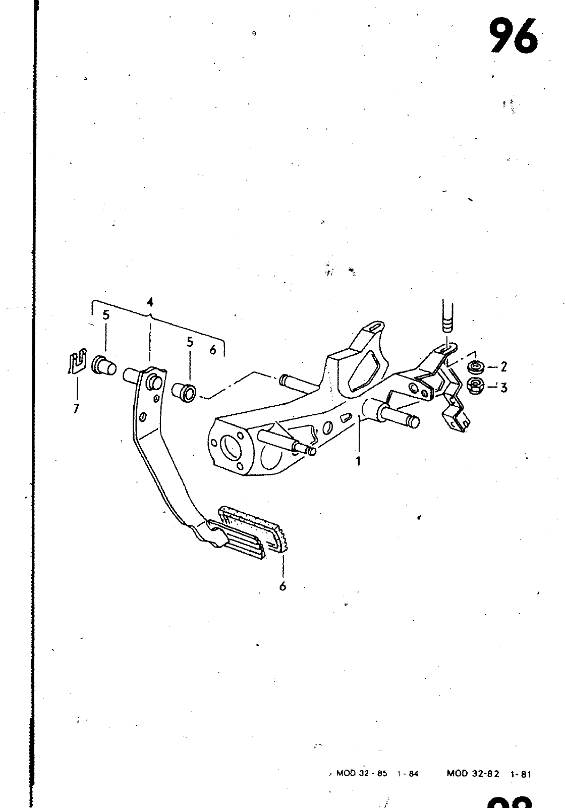
96 1 0 0 Ü 2 3 6 MOO 32 85 I 84 MOO 32 82 1 81 mm HAUPTGRUPPE HAND UND FUSSHEBELWERK 6IL0 ERSATZTEILE NR BENENNUNG BEMERKUNG ST MODELL BREMSFUSSHEBEL LAGERBOCK FUCR FUSSHEBELWERK AUTOMATIC 322 721 115 113 301 193 N 011 184 3 321 723 141 A 322 723 139 443 721 153 A 448 723 173 ß8 86 03 8B OiC N 012 653 1 LACERBOCK FUER FUSSHEBELWERK SCHEIBE SECHSKANTMUTTER SELBSTSICHERND BREMSFUSSHEBEL BREMSFUSSHEBEL LÄGERBUCtKC KAPPE FUER BREMSFUSSHEBEL SATINSCHWARZ SICHERUNGSSCHEIBE M8 LLKG RLKG HAUPTGRUPPE 7 HAND UNO FUSSHEBELWERK 0 17 013

Vorschau Passat Mod 87-88 Seite 547
Hinweis: Dies ist eine maschinenlesbare No-Flash Ansicht.
Klicken Sie hier um zur Online-Version zu gelangen.