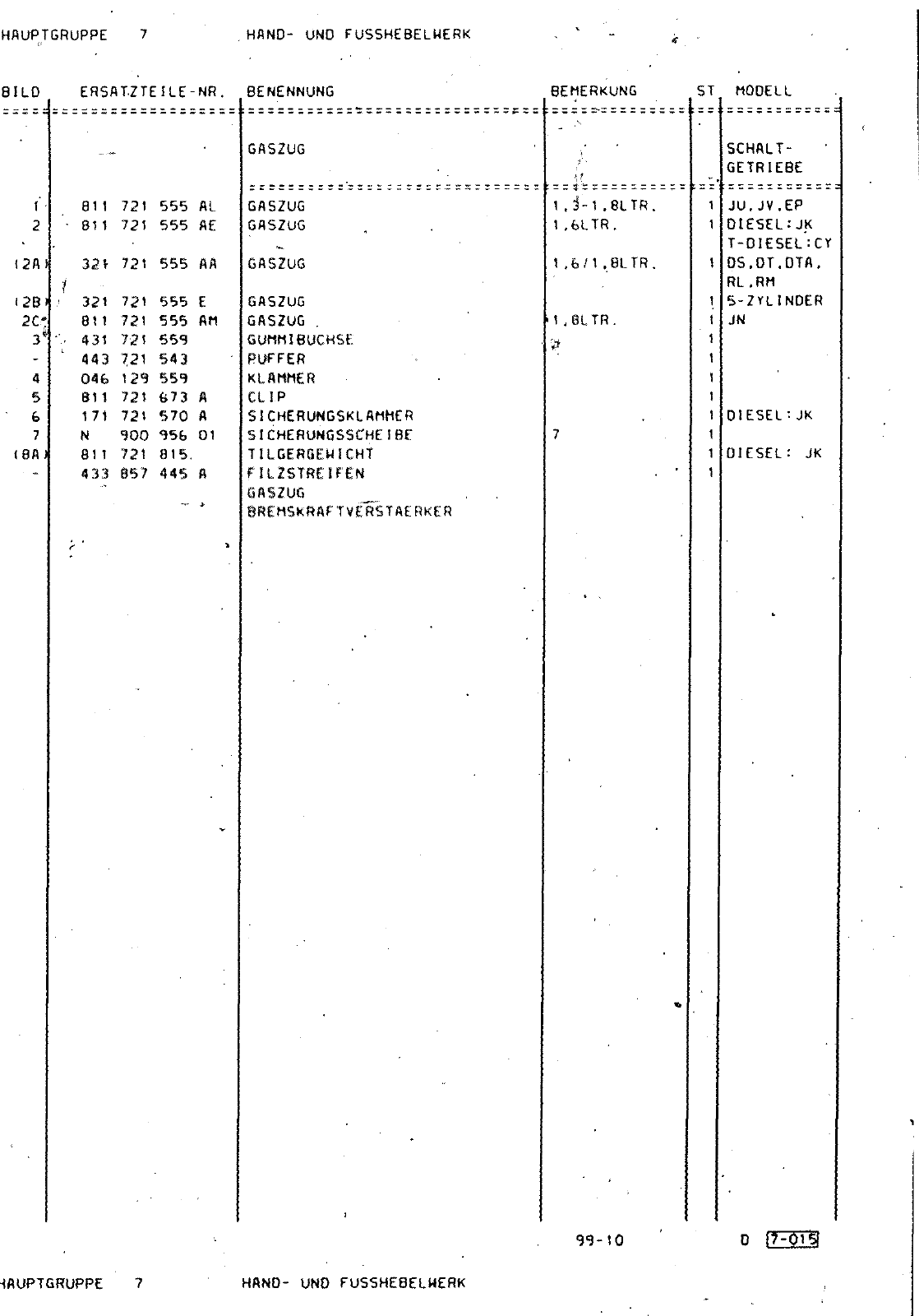
1 2A 0 1 2C mc 2B y 17 8 15 8 19 16 am f 3 ff 4 99 10 4r MOpaß g 1 94 TMMk l W WOO 32 g2 I iifkft HAUPTGRUPPE HAND UND FUSSHEBELWERK BILD ERSATZTEILE NR BENENNUNG BEMERKUNG ST MODELL GASZUG 1 2 I2A I2B 20 3 4 5 6 7 8A 811 721 555 AL 811 721 555 AE 32 721 555 AA 321 721 555 E 811 721 555 AM 431 721 559 443 721 543 046 129 559 721 673 721 570 900 956 721 815 811 171 N 81 1 A A 01 433 857 445 A GASZUG GASZUC GASZUG GASZUG GASZUG GUMMIBUCHSE PUFFER KLAMMER CLIP SICHtRUNGSKLAMMCR SICHERUNGSSCHEIBE TILGEROEWICHT FILZSTREIFEN OASZUG BREMSKRAFTVER5TAERKER 1 j 1 8LTR 1 6LTR 1 6 1 8LTR 1 8LTR SCHALT GETRIEBE JU JV EP DIESEL JK T DIE5EL CY DS OT DTA RL RM 5 ZYLlNDER JN D1ESEL JK DIESEL JK HAUPTGRUPPE 7 HAND UND FUSSHEBELWERK 99 o D 17 0 9

Vorschau Passat Mod 87-88 Seite 554
Hinweis: Dies ist eine maschinenlesbare No-Flash Ansicht.
Klicken Sie hier um zur Online-Version zu gelangen.