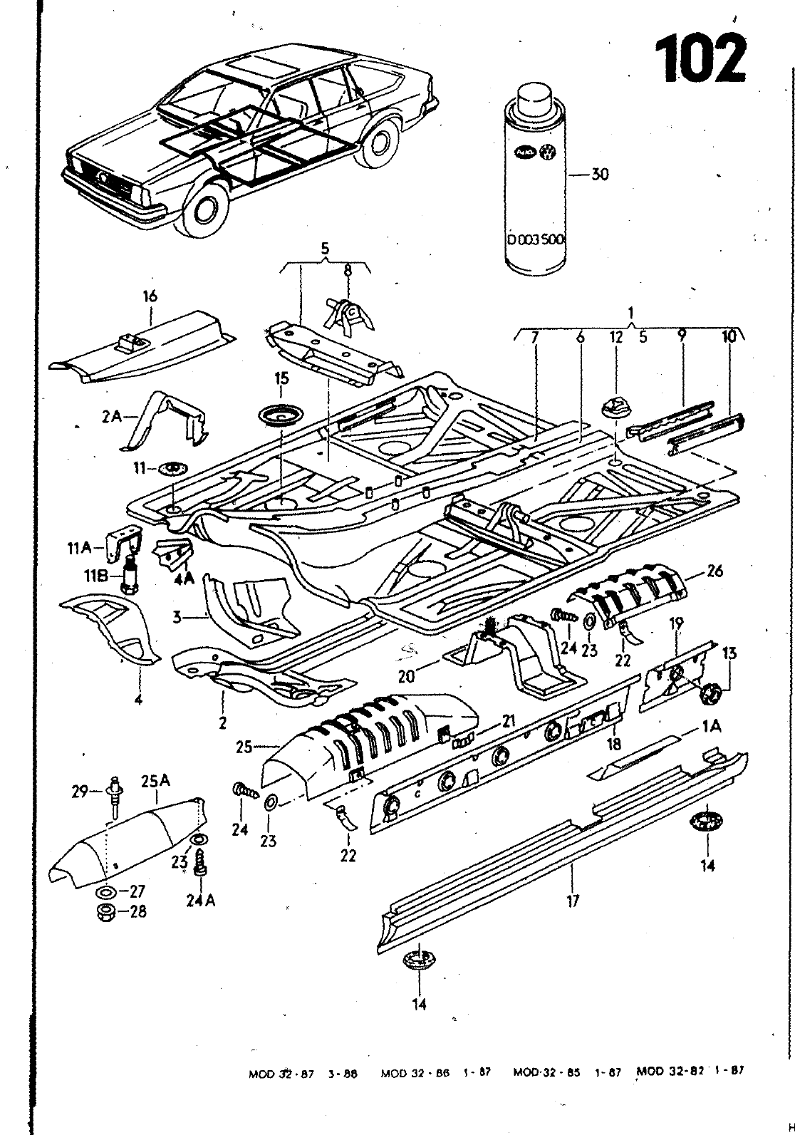
30 0 O003S0O 7 6 H 5 9 SD cC MA I 26 118 4A 24 23 22 20 um 1A 25 25A 29 44 I 24 23 22 23 27 2j i 0 28 MOO 87 3 86 MOO 32 M 1 87 MOD32 85 1 87 M0D 32 82 1 87 HAUPTGRUPPE 8 BfLO ERSATZTEILE NR 2 2 2A 2A 3 4 4A 15 5 6 7 8 8 9 M 10 11 HA 118 12 1 3 14 15 16 1 7 117 18 I 18 19 20 21 22 23 24 24A 25 25R 26 27 28 29 30 811 803 062 B 811 803 062 C 321 803 103 E 811 Q03 104 812 803 212 B 812 803 212 C 811 803 151 A 827 803 153 8 811 803 561 321 321 811 ei 1 803 803 803 803 443 803 443 803 443 803 171 803 443 803 N 020 27 803 N 431 901 803 803 803 283 829 411 03 811 803 323 809 323 809 331 331 321 81 1 80 3 803 803 803 171 172 205 C 206 C 241 242 251 2W A 253 027 1 307 476 0 5 3 A 5 3 8 243 595 589 8 675 676 751 752 757 A 81 1 AUFBAU BENENNUNG BODENGRUPPE BODENBLECH BODENBLECH MITVERWENDEN 0 003 500 LAENGSTRAEGER LAENG5TRAEGER FUSSSTUETZE FU5SSTUETZE GETRIEBEAUFNAHME GETRIEBEAUfNÄHME ANSCHLAG FUCR GETRIEBE SITZQUCRTRAEGER SITZOUCRTRAEGER BODENBLECH 800EN9LECH LAGERBOCK FUCR SITZ LAGERBOCK FUER SITZ FUCHRUWGSSCHIENE FUCHRUNGSSCHIENE FVEHRUNGSSCHIENE PFROPFEN HALTER PASSSCHRAUBE DECKEL TUCLLE TUCLLE DECKEL ABDECKKAPPE UNTERHOLM LINKS AUSSEN UNTERHOLM RECHTS AUSSEN UNTERHOLM LINKS INNEN UMTERHOLM RECHTS INNEN STEGBLECH FUER UNTERHOLM VERSTAERKUNG FUER HANDBREMSE SIEHE BILDTAFEL SIEHE BILDTAFEL SIEHE BILDTAFEL SIEHE BILDTAFEL SIEHE BILDTAFEL SIEHE BILDTAFEL SIEHE BILDTAFEL SIEHE BILÜlAFEL SIEHE BILDTAFEL SIEHE BILDTAFEL SIEHE BILDTAFEL LANGZEITUNTERBODENSCHUTZ BEMERKUNG VORN VORN VORN 443 803 241 443 803 242 LINKS RECHTS RLKG RLKG LINKS RECHTS LINKS RECHTS LINKS RECHTS LINKS INNEN RECHTS INNEN AUSSEN A15X1 M10X32 40 39 6 20X14MM 4 TUERIG 4 TUERIG 102 10 102 10 102 IQ 102 10 102 10 102 10 102 10 102 10 102 10 102 10 102 10 1LTR ST MODELL SCHALT GETRIEBE AUTOMATIC SCHALT GETRIEBE AUTOMATIC SCHALT GETRIEBE AUTOMATIC AUTOMATIC 5 ZYLlNDER AUTOMATIC D 18 0041 HAUPTGRUPPE AUFBAU

Vorschau Passat Mod 87-88 Seite 565
Hinweis: Dies ist eine maschinenlesbare No-Flash Ansicht.
Klicken Sie hier um zur Online-Version zu gelangen.