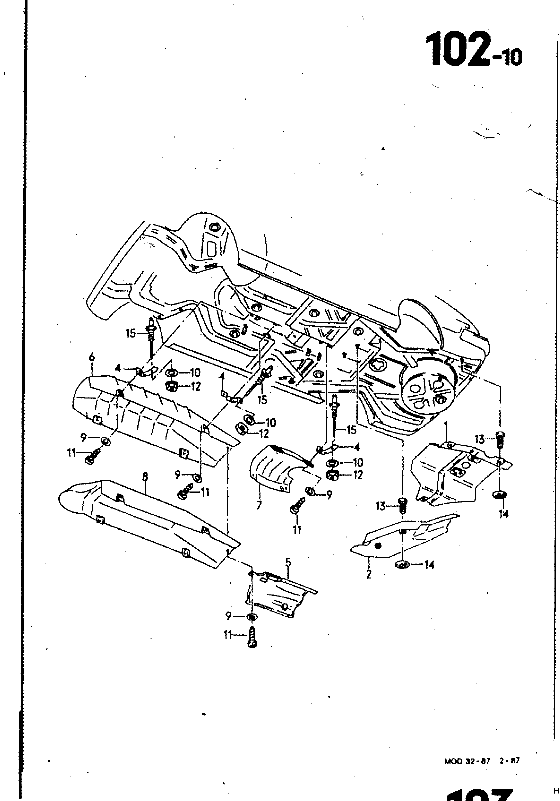
10210 XI f kl 9 7 s 12 4 11 f r MOD 32 87 2 87 HAUPTGRUPPE 8 AUFBAU BILD ERSATZTEILE NR BENENNUNG xy BEMERKUNG ST MODELL WAERMEDAEMMUNG FUER BODEM DS JS KV KX DT YP EP YN WV 323 804 155 323 804 339 A 811 803 515 ei 1 803 537 323 803 903 321 803 904 323 803 915 N 011 6 4 4 011 699 2 013 9 0 5 038 602 1 901 757 01 903 350 01 902 614 01 WAERMESCHUTZBLECH NACHSCHALLOAEMPFER FUER FAHRZEUGE MIT KATALYSATOR WAERMESCHUTZBLECH EINSPRITZMOTOR MITTELSCHALLDAEMPFER FUER FAHRZEUGE MIT KATALYSATOR HALTER FUER RB5CNIRM8LECH HALTER FUER ABSCHIRMBLECH WAERMESCHUTZBLECH FUER FAHRZEUGE MIT KATALYSATOR MITVERWENDEN ABSCHIRMGLECH ENTFALLEN ERSATZ ABDECKUNG FUER KATALYSATOR SCHEIBE SCHEIBE LINSENBLECHSCHRAUBE SCHNEIDMUTTER SCHW ISSSTIFT KLEMMGCHCIBE HQHLNIET HINTEN MITTE N 011 695 N 038 602 N 902 614 VORN 323 803 903 N 011 695 N 038 602 N 902 614 B4 3X12X1 6 1X18X1 3 83 9X9 5 4X5 75 5X12 5 A4 8X6 5X22 HAUPTGRUPPE 8 AUFBAU 402 10 0 m oög

Vorschau Passat Mod 87-88 Seite 567
Hinweis: Dies ist eine maschinenlesbare No-Flash Ansicht.
Klicken Sie hier um zur Online-Version zu gelangen.