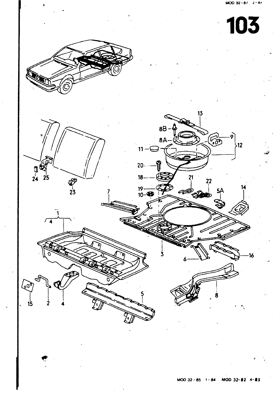
3 MOOae Bf o 103 88 SA n 63 zo 19 10 SA A O0 32 85 l M IMOD k82 4 3 HAUPTGRUPPE 8 AUFBAU 3 LD ERSATZTEILE NR BENENNUNG 4 5 5A 6 19 10 iiol HO I t 113 M 15 16 118 19 20 21 22 23 123 24 25 32 803 067 33t 803 091 321 803 094 33t 861 675 N 010 2W 9 321 803 291 C 161 253 3tt 321 803 357 321 803 358 321 803 401 C ty 321 803 402 C 321 803 615 321 899 105 321 813 573 A 803 803 583 B N 901 466 04 467 01 901 535 411 803 803 71 321 201 647 321 813 661 321 803 733 32t 803 74 32t 803 781 958 321 803 321 803 963 01 3 965 321 807 213 331 807 237 B 020 331 813 125 8 331 813 126 B 331 813 173 331 8t3 181 015 425 1 0 003 500 BEMERKUNG BOOENGRUPPE BODENBLECH HAITEBUEGEL FwER GETEILTEN HINTERSITZ KOFF RBOOEN VERZURROESE SECHSKANTSCHRRUGE NICHT MEHR LIEFERBAR TRAEGER FUER ABGASROHR HALTER FUER ABGASROHR STREBE LINKS FUER RESERVERAOMU ßE STREBE RECHTS FUER RESERVERAOMULOf LAENGSTRAEGER LAENGSTRAEGER AUFNAHME SCHAUMSTOFFBLOCK FUER LAENGSTRAEGER HINTEN HALTER FUER RESERVERAD TWUE YERSCHLUSSSCHEIBE VERSCHLOSSSCHEIBE DECKEL RESERVERADMULDE UNTERLAGE HALTEWNO FUER RESERVERAD ABSTUETZUNG FUER STDSSFAENGER GEWINOEPLATTE OUERTRAEGER DECKEL FUER GEBER DICHTRING LINSEN8LECHSCHRAU8E HALTER FUER ABSCHLEPPSEIL HALTER FUER ABSCHLEPPSEIL PFROPFEN LAGERBOCK LINKS FUER HINTERMTZLEHNE LAGERBOCK RECHTS FUER HINTERSITZLEHNE ANSCHLAOPUfFfR MITTELLAGER FUER GETEILTE KLAPPBAREN RUCCKSITZ SCHNAPPMUTTER LANGZEITUNTERBODENSCHUTZ HINTEN HINTEN M6X20 LINKS RECHTS 4 TUERIG 9 6 40 0 5 GRAU 36X0 5 136MM HINTEN Bf 2X9 5 84 2X12X10 5 ILTR ST MODELL SCHRAEGHECK SCHRAEGHECK VARIANT 103 D W OOW

Vorschau Passat Mod 87-88 Seite 569
Hinweis: Dies ist eine maschinenlesbare No-Flash Ansicht.
Klicken Sie hier um zur Online-Version zu gelangen.