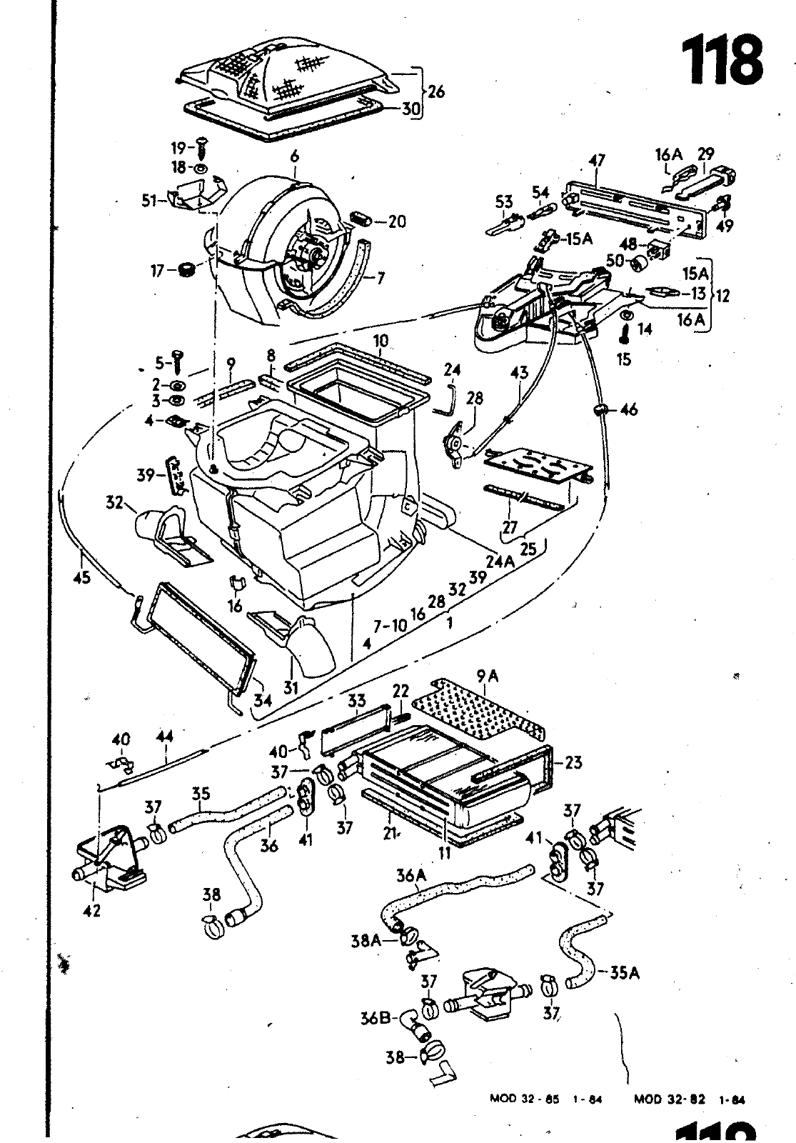
30 19 W f I 18 54 jl a TEf 20 17 e ISA 35 13 ITl 1 A 24 43 j 28 46 im 39 32 25 24A 45 39 9 32 28 9A 22 34 33 40 44 23 35 37 37 37 21 41 36 36A 37 38 42 38A 35A 37 37 36B 38 MOO 32 M t w IWOOSW 92 1 HAUPTGRUPPE 8 AUFBAU BILD ERSATZTEILEN BENENNUNG 811 819 014 A N 011 666 3 803 955 637 N 015 423 1 N 013 948 I 819 OiS 819 018 819 017 251 321 321 321 819 051 321 81 089 811 819 031 171 819 031 0 321 819 045 C N N N 321 321 321 321 N N 321 015 442 1 011 692 3 013 966 12 819 054 819 059 819 060 819 063 6TT 692 3 013 964 4 819 064 191 819 069 A 823 8 321 8 321 321 321 8 321 321 of 86 03 321 8 21 8 08 86 03 321 8 08f86 03 171 8 08 86 03 321 8 321 8 19 079 19 091 19 097 A 19 083 19 109 19 123 B 19 129 C a8 19 143 19 151 88 19 152 8e 19 173 88 19 361 19 375 01C 01C OlC oiq GEBLAESE WAERMETAUSCHER FRISCHLUFT UNO HEIZUNCSREGÜLIERUNG 321 819 375 0 KLAPPENKASTEN SCHEIBE SCHEIBE SCHNAPPMUTTER LINSENBLECHSCHRAUBE GEBLAESEMOTOR DICHTUNG DICHTUNG KUCRZEN AUF KUCRZEN AUF STAUBLECH FUER VERSTAERKTE HEIZUNG DICHTUNG WAERMETAUSCHER WAERMETAUSCHER FUER VERSTAERKTE HEIZUNG FRISCHLUFT UNO HEIZUNGSREGULIERUNG SCHNAPPMUTTER SCHEIBE LIN ENBLECHSCHRAUBE RASTFEOER KLAMMER KLAMMER TUELLE SCHEIBE LINSENBLECHSCHRAUBE LAGER OICtnUNG KUERZEN AUF KUERZEN AUFi BUEGEL DECKEL ABSPERHKLAPPE ABDECKUNG DICHTUNG HEBEL FUER ABSPERRKLAPPE KNOPF SATINSCHWARZ DICHTUNG LUFTFUEHRUNG LINKS SATINSCHWAR LUFTFUEHRUNG RECHTS SATINSCHWARZ KAPPE FUER WAERMETAUSCHER SATINSCHWARZ STEUERKLAPPE WASSERSCHLAUCH IHEIZUNGSVENTIL WAERMETAUSCHER WASSERSCHLAUCH IIHEIZUNGSVENTIL BEMERKUNG B6 1X18X2 B5 5X26 4X20 2 B5 5X25 8X6X625 680 8X10 190MM 540MM 8X6X625 B4 2X12 8X11 5 1X15Xr B4 2X13 5 1X15X1 84 2X16 HINTEN 670X15X6 40MM 410MM 8X8X680 ST MODELL 4 ZYLINqER 118 0 18 022 I lIs ZTLINDER

Vorschau Passat Mod 87-88 Seite 601
Hinweis: Dies ist eine maschinenlesbare No-Flash Ansicht.
Klicken Sie hier um zur Online-Version zu gelangen.