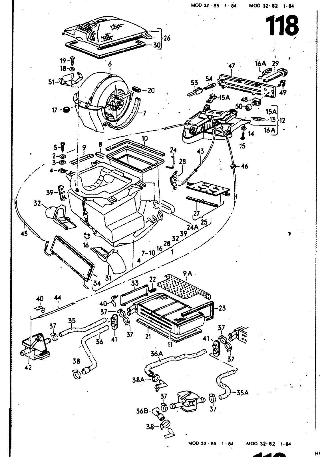
WOOMM 1 84 IW00 3a 2 1 M T r 19 W 1o 54 51 20 ISA M A 5 24 43 i 42a J 28 46 4 Am 39 25 24A 45 39 32 2a 9A 22 34 33 40 44 40 23 37 35 37 37 37 4ix 36 36A 37 38 42 38A y 35A 37 37 368 38 6 M00 32 es 1 4 MOOIU eZ 1 35A 36 36A 368 37 38 38A 39 40 41 42 43 44 144 45 46 47 147 48 49 50 51 53 54 321 819 375 0 81 1 819 371 8 321 819 371 8 855 819 375 A N 024 510 N 024 5 1 N 321 819 645 08 86 03 88 823 819 679 861 819 699 171 819 809 171 819 831 321 819 837 3 3 1 01c A E F C 321 819 837 D 321 819 839 C 171 971 913 321 919 383 H 08 86 03 88 OtC 321 919 383 G 08 86 03 88 01C 171 959 511 867 959 513 171 959 999 321 971 280 171 971 281 E 321 919 039 N 017 751 2 WASSERSCHLAUCH HEIZUWGSVENTIL WAERMETAUSCHER WASSERSCNLAUCH WAERMETAUSCHER ZYLINDERKOPF WASSERSCNLAUCH IWAERMETAUSCHER ZYLINOERKOPF WASSERSCHLAUCH WRSSERROHR HEIZUNGSVENTJLI SCHELWE SCHELLE FEOCRBANDSCHELLE LAGERCLIP SATINSCHWRRZ KLAMMER DOPPELTUCLLE HEIZUNGSVENTIL ZUG FUER ABSPERRKLAPPE ZUG FUER HEIZUNG5VENJJL ZUG FUER HEIZUNGSVENTIL ZUG FUER STEUERKLAPPE TUELLE BLENDE FUER FRISCHLUFT UND HEIZUNGSREGULIERUNG FUER FAHRZEUGE MIT KLIMAANLAGE SATINSCHWARZ BLENDE FUER FRTSCHLUff U D HEIZUNGSREGULIERUNG SATINSCHWARZ SCHALTER FUER GEBLAESEMOTOR KNOPF FUER SCHALTER FLACmSTECKHUELSENGEHAEUSE HALTER FU R WIDERSTAND LEITUNGSSATZ MIT WIDERSTAND FUER GEBLAESEMOTOR LAMPENFASSUNG GLUEHLAMPE LC16 25 LC23 35 40 1495MM 1685MM 12 5 LLKG RLKG 18MM W5 1 2 12V1 2W HAUPTGRUPPE 8 AUFBAU 118 0 iFsn

Vorschau Passat Mod 87-88 Seite 603
Hinweis: Dies ist eine maschinenlesbare No-Flash Ansicht.
Klicken Sie hier um zur Online-Version zu gelangen.