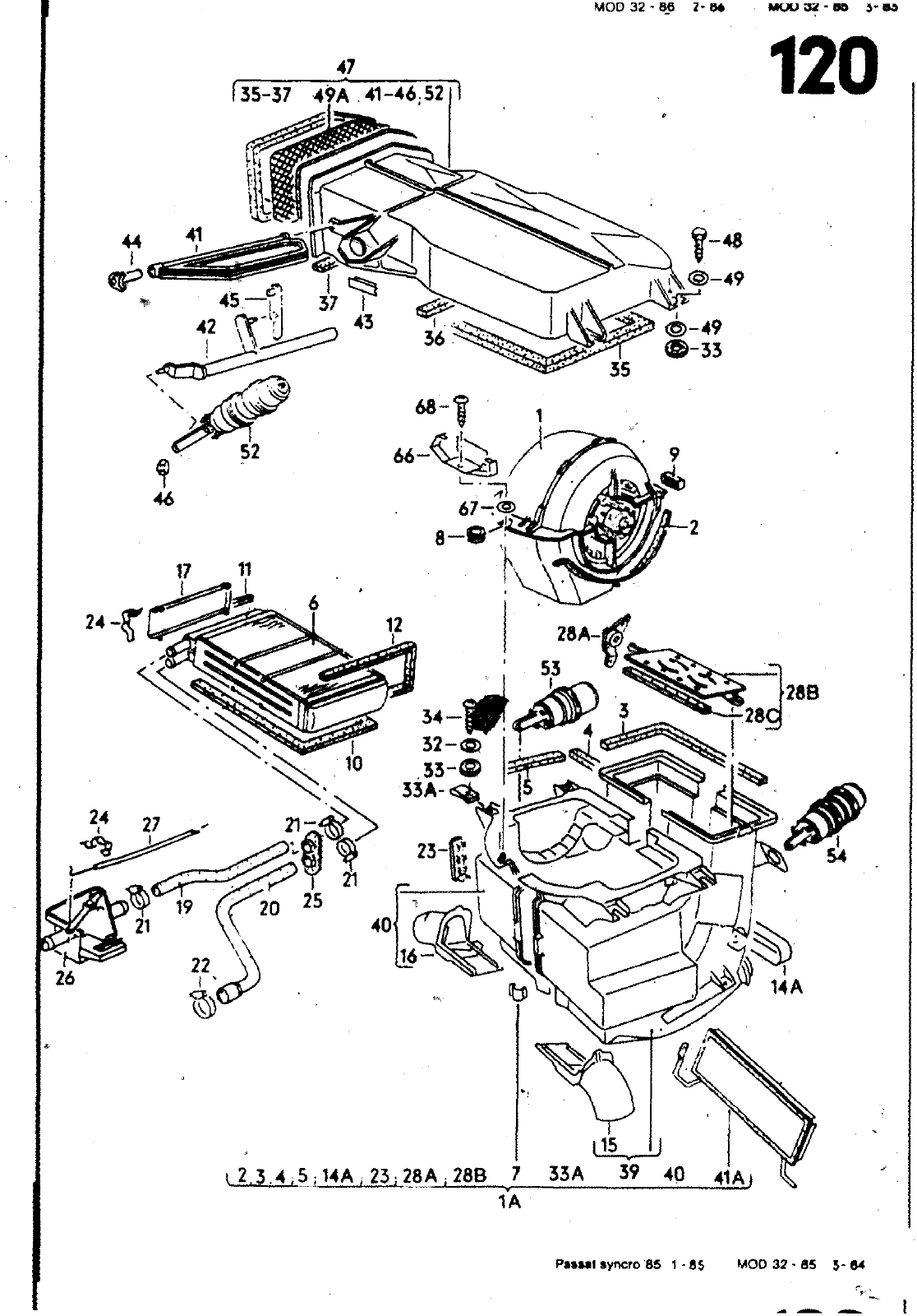
MOD3W 8P Z 8 WVU 3Z 8 120 35 37 49A 41 46 52 48 49 45 7 37 43 49 36 0 33 35 68 60 67 Cß 8 0 17 M 28A 53 288 28 34 32 0 55 l ä 24 21 54 25 w fr M 40 22 26 14 A llE I t2 3 4 5J4A 23 28A 28B 7 33A 39 40 414 1 85 MOO 32 85 5 HAUPTGRUPPE 8 AUFBAU 8IL0 ERSATZTEILE NR BENENNUNG BEMERKUNG ST fKMCLL 1A 1 2 3 4 5 6 7 8 9 10 1 1 12 14A 15 16 1 7 19 20 120 21 122 22 23 24 25 26 27 28A 288 28C 32 33 13A K 36 37 39 40 41 41A 321 819 091 321 619 151 321 19 152 08 86 03 88 171 819 173 08 86 03 88 321 819 375 811 819 014 A 321 820 015 B 321 819 018 321 819 089 321 819 017 811 819 031 321 819 059 321 819 063 321 819 064 191 819 069 A A A 01c 01c 811 819 371 8 321 819 371 8 N 024 510 N 024 511 N 016 410 321 819 645 08 86 03 88 823 819 679 861 819 699 171 819 809 321 819 837 3 3 1 01c A E C 321 819 321 8f9 321 819 N 011 803r 955 N 015 N OM 321 820 321 820 321 820 123 B 097 A 666 3 637 423 1 975 6 061 0 061 E 061 E 321 820 241 321 819 361 A l KUCRZEN Auf fUERfEN AUF ANSmUGKANAL GEBLAESE KLAPPENKASTEN WAERMETAUSCHER KLAPPENKASTEN GEBIAESE OlCHTUWC DICHTUMC DICHTUNG WAERMETAUSCHER KLAMMER T UE LAGER DICHTUNG KUERZEN AUF i KRZEN AUF DECKEL LUFTFUEHRUNG LINKS LUFTFUEHRUNG RECHTS SATINSCHWARZ KAPPE FUER WAERMETAUSCHER SATINSCHWARZ WASSERSCHLAUCH IHEIZUNCSVENTtL WAERMETAUSCHER WASSERSCHLAUCH IWAERMETAUSCHER ZYLINOERKOPFI WASSERSCHLAUCH IWAERMETAUSCHER ZYLINOERKOPFI SCHELLE SCHELLE FEOCRaANOSCHELLE LAOERCLIP SATINSCHWARZ KLAMMER DOPPELTUELLE HEIZUNOSVENTIL ZUG FUER HEIZUNGSVENTIL HEBEL FUER ABSPERRK APPE ABSPERRKLAPPE DICHTUNG SCH IBE SCHEIBE SCHNAPPMUTTE LINSfNBLECHSdWRAUgE DICHTUNG DICHTUNG DICHTUNG NICHT MEHR LIEFERBAR NICHT MEHR LIEFERBAR KLAPPE t STEUERKLAPPE 8X6X68 8X6X62S 680X8X10 I90MM S40MM HINTEN 670X15X6 40MM 410MM LCI6 29 LC23 35 40 B6 1X18X2 85 5X26 4X20 2 B4 8X19 KLIMAANLAGE 4 ZYLINDER 5 ZYLINDER 120 0 I8 02W

Vorschau Passat Mod 87-88 Seite 609
Hinweis: Dies ist eine maschinenlesbare No-Flash Ansicht.
Klicken Sie hier um zur Online-Version zu gelangen.