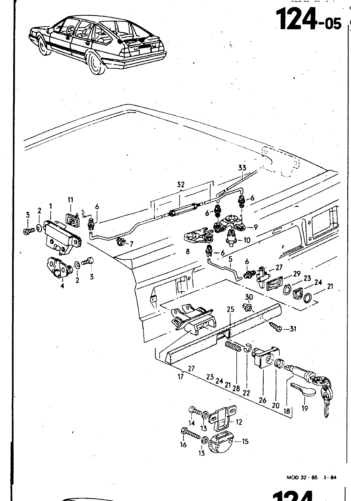
124 05 33 32 27 Ä 23 24 30 r 25 17 23 24 28 22 26 20 i M00 3ß as 3 84 II II HAUPTGRUPPE 8 AUFBAU ERSATZTEILE NR BENENNUNG 1 BEMERKUNG ST MODELL 1 1 2 3 4 5 6 7 B 9 10 1 1 u 1 3 1 4 15 16 1 7 17 18 18 19 20 21 22 23 24 25 26 1261 32W 827 505 G 32 827 506 A III 837 941 N 014 140 5 321 827 511 D 321 827 515 171 837 199 321 837 199 827 533 827 534 323 839 829 321 827 563 321 321 321 11 N 321 N 323 827 571 827 569 837 941 014 140 5 827 S70 010 348 4 A 323 827 571 A 191 827 573 191 827 573 A 191 827 573 B III 837 227 N 900 989 01 N 012 439 N 012 419 321 827 596 321 827 577 08 86 03 88 321 827 581 191 827 581 KLAPPENSCHLOSS SEITENFUEHRUNG BETAETtGUNGSSTANGE FUER KLAPPE HINTEN HINTEN KLAPPENSCHLOSS KLAPPENSCHLOSS TELLERFEDER LINSENSCHRAUBE SCHLIESSPLATTE BETAETICUWGSSTANGE CLIP CLIP WINKELHEBEL WINKELHEBEL SPREIZNIET ABDECKKAPPE FUER KLAPPENSCHLOSS SEITENFUCHRUWG OBERTEIL TELLERFEDER LINSENSCHRAUBE SEITENFUCHRUNG UNTERTEIL SECHSKANTSCHRAUBE DRUCKTASTE MIT SCHLIE6SZYLINDER DRUCKTASTE MIT SCHLIESSZYLINDER FUER ZENTRALVERRIEGELUNG SCHLIESSZYLINDER MIT SCHLUESSELN 1 1000 2001 3000 4001 6000 7101 8154 SCHLIESSZYLINDER MIT SCHLUESSELN 1001 2000 3001 4000 6001 7086 8201 9282 SCHLIESSZYLINDER MIT SCHLUESSELN FUER ZENTRALVERRIEGELUNG SYSTEM R PROFIL AH 1 1000 2001 3000 4001 6000 7101 8154 SIEHE BILDTAFEL DICHTRING FUER SCHLIESSZYLINDER DICHTRING SICHERUNGSSCHEIBE SICHERUNGSRING DISTANZRING GRIFFLEISTE SATINSCHWARZ DRUCKTASTE F 32 H 225 000 DRUCKTASTE F 32 H 225 001 LINKS RECHTS 6 4X12 5 M6X15 LINKS RECHTS MITTE 6 4X12 5 M6X15 M6X43 129 18 5X2N l4xi 2 SCHRAEGHECK 124 05 D 18 033 321 827 581 C DRUCKTASTE FUER ZENTRALVERRIEGELUNG

Vorschau Passat Mod 87-88 Seite 623
Hinweis: Dies ist eine maschinenlesbare No-Flash Ansicht.
Klicken Sie hier um zur Online-Version zu gelangen.