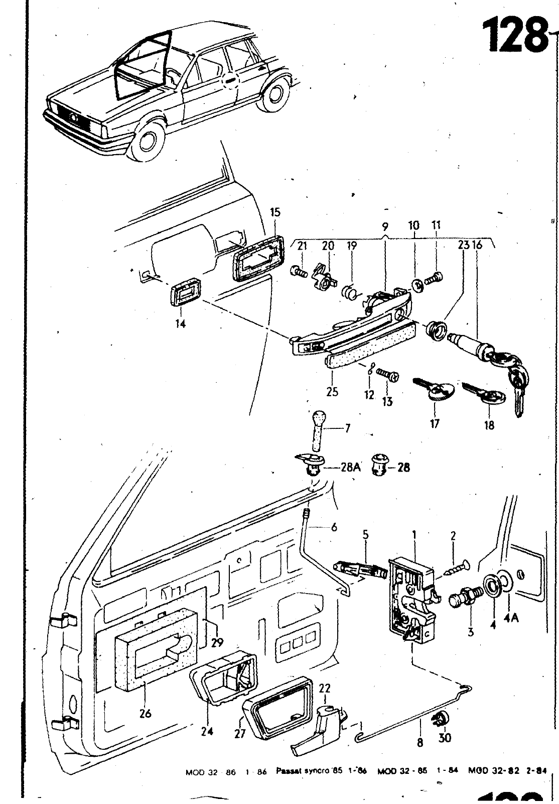
128 9 10 11 I L 2316 20 T 25 12 17 18 28A 2 28 1 2 n i 4 4A Tl 29 26 dm 24 27 50 MOD 32 Pmwai yncfo 65 MOO 32 88 1 84 M D 82 2 84 9 10 1 1 12 1 3 14 14 15 I 15 ERSATZTEILE NR BENENNUNG 321 837 015 322 837 015 321 837 016 322 837 016 N 021 416 357 837 034 823 837 057 A N 903 385 01 321 837 080 321 837 183 8 321 837 184 8 191 837 187 08 86 03 88 01C 08 86 03 88 90V 323 837 193 C 191 837 205 A 9 837 206 A 191 837 207 191 837 208 III 832 941 N 014 138 7 N 12 225 3 N 014 13r 3 867 837 209 191 837 209 171 837 211 A 191 837 211 191 837 217 BEMERKUNG MIT INNEN TUERGRIFF TUERSCHLOSS 8ETAETIGUNG TUERSCHL0 5 LINKS TUERSCWLÖ5S LINKS TUERSCHLOSS RECHTS TUERSCHLOSS RECHTS LINSENSENKSCHR UBE SCHLIESSBOLZEN TELLERFEDER SCHEIBE KUNSTSTOFF I SICHERUNGSSTANGE SICHCRUNGSSTANOE KNOPF FUtR SICHERUNCSSTRNCE SATINSCHWARZ NEGRO tSRAUNI ZUGSTANGE TUCRGRIFF AUSSEN SCHWANZ MITVERWENOEN TUCRGRIFF AUSSEN SCHWARZ MITVERWENOEN TUCRGRIFF AUSSEN SCHWARZ OHNE SCHLIESSZYLINDER MITVERWENOEN TUCRGRIFF AUSSEN SCHWARZ OHNE SCHLIESSZYLINOER MITVERWENO N TELLERFCDE LINSENSCHRAUBE FEOERSCHEIBE LINSENSCHRAUBE UNTERLAGE UNTERLAGE UNTERLAGE UNTERLAGE NUR FUER NUR FUERI SCHLIESSZYLINOER MIT SCHLUESSELN FUER SCHLIESSUNGSNUMMER 1 1000 2001 3000 4001 6000 7101 8154 M8X32 823 837 N 903 LLKC RLKG LLKG RLKG 057 A 385 01 12 1X29 8X0 1 LINKS RECHTS LINKS 191 8i7 209 191 837 2tI RfCHTS 191 837 209 191 837 21I LINKS 191 837 209 191 837 211 191 837 223 RECHTS 191 837 209 191 837 211 191 837 224 6 4X12 5 M O B5X11X0 5 AM5XI5 VORN VORN 191 837 205 A 191 837 20tfA HINTEN HINTEN 191 837 205 191 837 206 A A 128 ST MOOELL 0 W 0401 191 837 217 A SCHLIESSZYLINOER MIT SCHLUESSELN

Vorschau Passat Mod 87-88 Seite 637
Hinweis: Dies ist eine maschinenlesbare No-Flash Ansicht.
Klicken Sie hier um zur Online-Version zu gelangen.