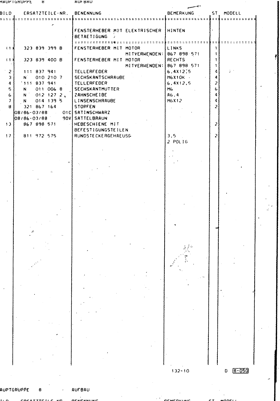
132 1 L D ß 10 MOO 32 A 86 MOO 32 M 5 86 P mt y m8S 3 86 MO0 32 65 2 6 1 HHUKIÜMUHKL W HUföHU 3ILD ERSATZTEILE NR BENENNUNG BEMERKUNG ST MODELL 323 839 399 B 323 839 400 B 837 941 010 210 837 941 01 1 012 006 127 I 1 1 N II 1 N N N 321 08 86 03 88 08 Ö6 03 88 867 898 571 811 972 575 014 139 867 164 8 2 5 01C 90V FENSTERHEBER MIT ELEKTRISCHER BETAETIGUNG HINTEN FENSTERHEBER MIT MOTOR MITYERWENOEN FENSTERHEBER MIT MOTOR MITVERWENDEN TELLERFEDER SECHSKANTSCHRAUBE TELLERFEDER SECHSKANTMUTTER ZAHNSCHEIBE LINSENSCHRAUBE STOPFEN SATINSCHWARZ SATTELBRAUN HEGESCHIENE MIT BEFESTIGUNGSTEILEN RUWDSTECKERGEHAEUS LINKS 867 898 571 RECHTS 867 898 571 6 4X12 5 M6X10K 6 4X12 5 M6 A6 4 M6X12 3 5 2 POL IG HAUPTGRUPßE 8 AUFBAU 132 10 0 18 0501

Vorschau Passat Mod 87-88 Seite 658
Hinweis: Dies ist eine maschinenlesbare No-Flash Ansicht.
Klicken Sie hier um zur Online-Version zu gelangen.