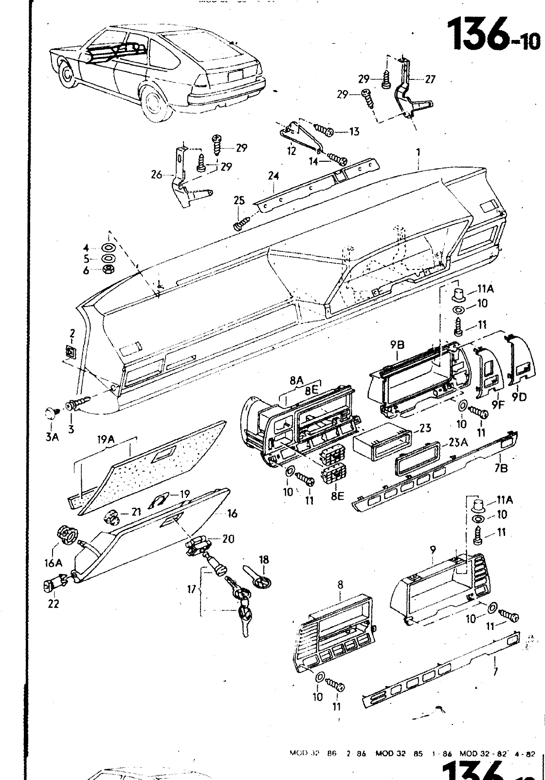
29 24 I 25 Q 8E 20 VÜC 86 86 MOO 32 85 86 MOO U 32 HAUPTGRUPPE 8 AUFBAU 6IL0 ERSATZTEILE NR BENENNUNG BEMERKUNG ST MODELL 8A 90 9F 10 1 1 im 12 13 14 16 16A 17 ISA 20 SCHALTTAFEL SCHALTTAFELKASTEN ABLAGEKASTEN 322 857 002 08 86 03 88 08 86 03 88 08 86 03 88 N 015 427 N 901 461 321 867 169 08 86 03 88 08 86 03 88 803 955 637 N 011 666 N 011 006 322 857 061 08 86 03 88 08 86 03 88 322 857 051 08 86 03 88 08 86 03 88 322 857 053 08 86 03 88 08 66 03 88 324 857 060 08 86 03 88 08 86 03 88 322 857 083 08 86 03 88 08 86 03 88 324 857 083 D 2HN 3CN 6 UN 2 01 B 01C 90 V 3 8 6 053 QS4 0S3 QS4 053 054 QS3 QS4 OS 3 0S4 08 86 03 88 08 86 03 88 N 011 5 N 013 958 N 043 785 322 857 077 N 013 975 N 013 966 322 857 093 08 86 03 88 08 86 03 88 321 857 116 443 857 113 171 857 119 08 86 03 88 321 857 128 08 86 03 88 171 857 131 053 054 3 7 1 6 12 A 01C 90V A A 01C 6BJ SCHALTTAFEL BALEAR BLAU SCHWARZ SATTELBRAU SCHNAPPMUtTER LINSENGLECHSCHRAUBE ABDECKKAPPE SATINSCHÜRRZ SATTELBRAUN SCHEIBE SCHEIBE SECHSKANTMUTTER BLENOE SATINSCHWARZ BASALT SATINSCHWARZ OIAMANTGRAU 8LENDE SATINSCHWARZ BASALT SATINSCHWARZ DIAMANTGRAU BLENDE MIT LUFTDUESE SATINSCHWARZ BASALT SATINSCHWARZ DIAMANTGRAU SIEHE BILDTAFEL BLENDE SATINSGHWARZ BASALT SATINSCHWARZ DIAMANTGRAU BLENDE FUER SCHALTER SATINSGHWARZ BA5ALT SATINSCHWARZ OIAMANTGRAU BLENDE FUER SCHALTER FUER FAHRZEUGE MIT ELEKTRI SCHER LEUCHTWEITENVERSTELLUNG SATINSCHWARZ BASALT SATINSCHWARZ OIAMANTGRAU SCHEIBE LINSENBLECHSCHRAUBE HOHLNIET HALTER LINSENßLECHSCHRAUBE LINSENBLEtHSCHRAUBE SCHALTTAFELKASTEN SATINSCHWARZ SATTELBRAUN DAEMßFUNGSRING SCHLIESSZYLINDER MIT SCHLUESSELN SIEHE BILDTAFEL KLAMMER SATINSCHWARZ VERKLEIDUNG FUER SCHALTTAFELKASTEN NEGRO BRAUN VERSCALUSS B4 8X19 8X16 5 M4 8X19 B6 1X18X2 M6 LINKS 119 50 RECHTS RECHTS RECHTS A3 7X8X0 5 B3 5X13 4X8 5 84 8X19 B4 2X13 128 C CL GT GL C CL GT GL C CL GT GL C CL GT GL C CL GT GL C CL GT GL 136 10 D 18 0691 08 86 03 88 171 857 145 01C SATINSCHWARZ GUMMIPUFFER

Vorschau Passat Mod 87-88 Seite 695
Hinweis: Dies ist eine maschinenlesbare No-Flash Ansicht.
Klicken Sie hier um zur Online-Version zu gelangen.