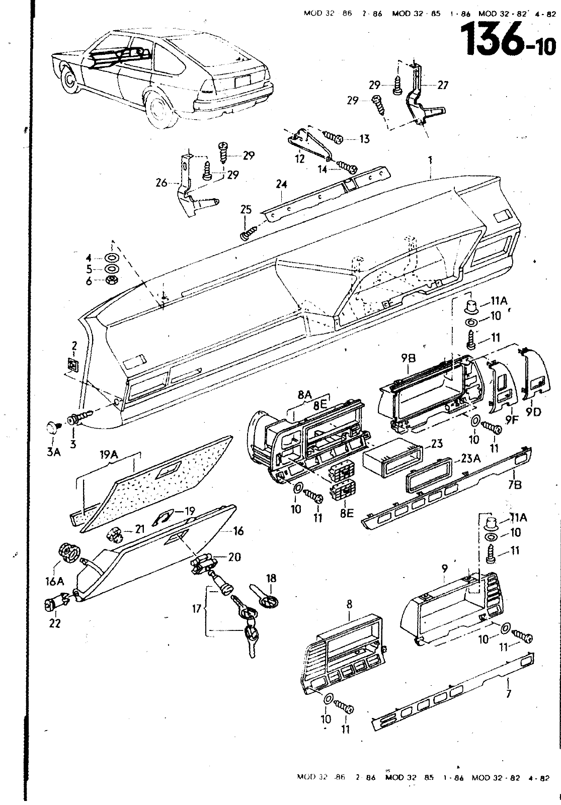
MÜD 32 86 86 MO0 32 85 1 84 MO0 32 82 4 82 13610 13 29 12 14 29 25 4 O 5 2 11A 8 B 98 JAjg BA 85 3k 23 3A 19A 25A Cd 7B m c aiA 20 16A 22 10 3 21 22 23m 24 25 26 27 29 08 86 03 88 01C 171 857 145 171 857 169 321 857 231 A 322 857 255 B N 013 6 12 322 857 259 322 857 260 A N 013 965 5 SATINSCHWARZ GUMMIPUFFER SCHARNIERBOLZEN BLENDE FUER RADIQAUSSCHNITT VERSTAERKUNG LINSENBLECHSCHRAUBE STUETZE STUETZE LINSENBLECHSCHRAUBE B4 2X13 B4 2X9 5 136 10 0 M 07QI wen 32 46 2 a kKX 32 M I a M00 32 2 HAUPTGRUPPE 8 AUFBAU

Vorschau Passat Mod 87-88 Seite 697
Hinweis: Dies ist eine maschinenlesbare No-Flash Ansicht.
Klicken Sie hier um zur Online-Version zu gelangen.