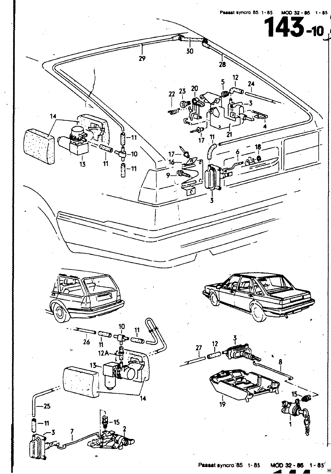
Pwwynom M 1 MOOM 6 1 30 Z9 28 22 I ßw n 1o 13 11 HAUPTGRUPPE 8 Alf BAU BILO ERSATZTEILE NR BENENNUNG 15 25 15 12 15 3 4 5 6 7 B 10 1 12 12 3 4 5 t 7 8 20 21 22 23 24 25 26 27 28 29 30 327 865 055 331 827 539 K 323 B27 571 A 191 827 573 B 321 N N 813 862 161 321 862 285 321 862 287 321 827 521 B 331 827 521 325 827 521 433 862 195 433 862 191 533 862 225 443 862 257 191 862 262 L71 837 199 827 21I 016 182 1 012 433 1 325 862 267 8 86 03 88 191 862 271 321 862 283 A 111 837 050 A 323 839 8 9 N 903 501 05 OlC 321 827 669 BEMERKUNG ST MODELL ZENTRALVERRIEGELUNG FUER KLAPPE HINTEN UNO KLAPPE FUER KRAFTSTOFFEINFUELLUNG KlAPPENSCHLOSS MIT SCHLUESSELN PROFIL AH KLAPPENSCHLOSS MIT SCHLUESSELN PROFIL AH DRUCKTASTE MIT SCHLIESSZrilNOER FUER ZENTRALVERRIEOELUNG SCHIIESSZYLINOER MIT SeWLUESSELN SYSTEM PROFIL AH STELLVENTIL VERBINOUNOSSTANGE DICHTUNG FUER SPERhBOLZEN VERBINOUNCSSTANGE FUER KLAPPE VER8IN0UNGSSTANGE FUER KLAPPE WERBIN0UNGS5TANGE FUER KLAPPE SCHRAUBE T STUEC SCHLAUCH KÜERZEN AUF KUERZEN AUF KUERZEN AUF PUMPE MIg STEUERGERAET OAEMPFUNG FUER PUMPE CLIP AUFNAHME HOHLNIET SICHERUWGSSCHEIBE ABDECKUNO SATINSCHWARZ WINKELHEBEL TRAEQERBLECH FEDER SPREIZHIET ROHR KLCRZEN AUF KUERZEN AUF KUERZEN AUF KUERZEN AUF KUERZEN AUF KUERZEN AUF TUELLE 4 2X116 3 5X3 30MM lOOMM 300MM 3 2X7 3 2 5XI 5240 I350MM 1420MM 490MM 840MM I930MM 1620MM STUFENHECK VARIANT SCHRAEGHECK SCHRAEGHECK SCHRAEGHECK VARIANT STUFENHECK VARIANT VARIANT SCHRAEGHECK SCHRAEGHECK STUFENHECK SCHRAEGHECK VARIANT VARIANT STUFENHECK SCHRAEGHECK SCHRAEGHECK SCHRAEGHECK 143 10 0 P Md yneo lM 1 85 WdD 32 16 I Wf HAUPTGRUPPE 8 AUFBAU

Vorschau Passat Mod 87-88 Seite 725
Hinweis: Dies ist eine maschinenlesbare No-Flash Ansicht.
Klicken Sie hier um zur Online-Version zu gelangen.