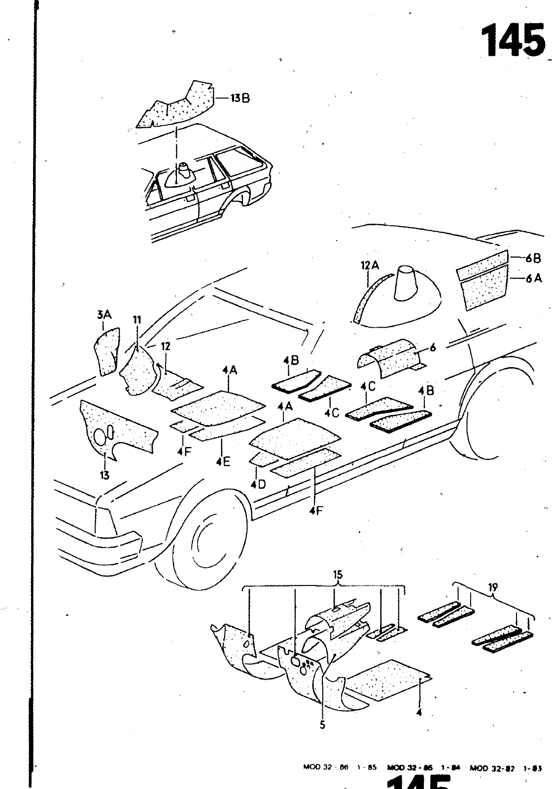
145 13B 68 12A 6A 4 8 4A 4C 4A 4C 4F 4E 40 4F MKXKW ae t 5 MOD3a 5 iiw Mooaa M 3 0 a ET HAUPTGRUPPE 8 AUFBAU BILD ERSATZTEILE NR BENENNUNG BEMERKUNG ST MODELL 4A MA I4A 4B 4C 4D 4E MF 5 6A 68 I 11 1 1 11 12 1 A 13 138 15 323 863 950 813 863 851 813 863 852 A 321 863 919 D 321 863 86 A 321 863 862 321 863 863 321 863 871 K 321 863 873 A 321 863 819 325 863 885 321 863 927 321 863 928 321 863 929 323 863 947 324 863 947 321 863 930 327 863 945 08 86 03 88 08 86 03 88 08 86 03 88 08 86 03 88 321 863 949 331 867 442 321 898 129 321 898 131 07S 2GF 3mF 4Tf A DAEMPFUNGEN OAEMPFUNG S BESTELLEINHEIT 6 AUF5CHMELZDÄEMPFUNG FUER BODEN ZU FERTIGEN AUS OAEMPFUNG FUER BOOEN VORN OAEMPFUNG FUER BODEN RECHTS VORN OAEMPFUNG FUER BODEN LINKS VORN NICHT MEHR LIEFERBAR NICHT MEHR LIEFERBAR OAEMPFUNG FUER BODEN LINKS VORN OAEMPFUNG FUER BODEN RECHTS VORN OAEMPFUNG AVfSCHMELZDAEMPFUNG FUER FUER TUNNEL ÖAEMPFUNG FUER SEITENTEIL OAEMPFUNG FUER SEITENTEIL OAEMPFUNG FUER RAOHAUS OAEMPFUNG FUER RADHAUS OAEMPFUNG FUER QUERWAND OAEMPFUNG FUER OUERTRAEGER OAEMPFUNG FUER OUERTRAEGER OAEMPFUNG FUER QUERWAND ABDECKUNG SEITLICH FUER TRENNWAND SCHWARZ BALEAR IBLAUl SAIGA BEIGE TRAKEHNER ROTBRAUN I OAEMPFUNG FUER QUERWAND OAEMPFUNG FUER RADKASTEN 1 SATZ DAEMPFUNGEN FUER QUERWAND UNO BODEN MiTVERWENDEN 1 SATZ DAEMPFUNGEN FUER BODEN 550X250 610X500MM VORN 323 863 950 VORN 130X305 HINTEN ÜhTEN OBEN LINKS RECHTS LtNKS LINKS LINKS RECHTS LLKG RLKG 811 863 851 AUTOMATIC AUTOMATIC STUFENHECK STUFENHECK STUFENHECK VARIANT SCHALT GETRIEBE HAUPTGRUPPE 8 AUFBAU f45 0 18 089

Vorschau Passat Mod 87-88 Seite 735
Hinweis: Dies ist eine maschinenlesbare No-Flash Ansicht.
Klicken Sie hier um zur Online-Version zu gelangen.