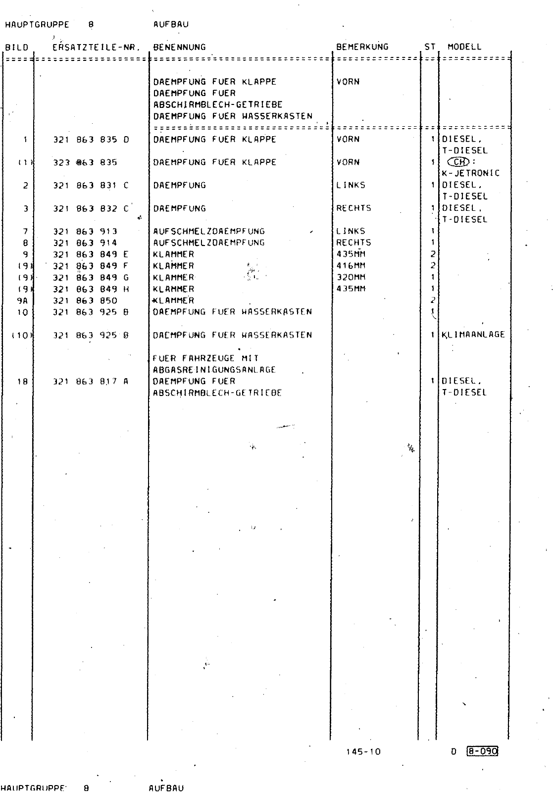
WO032 80 1 85 M00a2 6 1 W00 32 2 1 03 145 10 13A o a o o V 4 4 HAUPTGRUPPE 8 AUFBAU BILD ERSATZTEILE N BENENNUNG 3 7 8 9 19 19 19 9A 10 10 321 863 835 D 323 63 835 321 863 831 C 321 863 832 C 321 321 321 321 321 321 321 321 863 913 863 914 863 863 849 849 863 849 863 849 863 850 863 925 321 863 925 B 321 863 817 A BEMERKUNG DAEMPFUNG FUER KLAPPE DAEMPFUNG FUER ABSCHIRMBLECH GETRIEBE DAEMPFUNG FUCR WASSERKASTEN DAEMPFUNG FUER KLAPPE DAEMPFUNG FUER KLAPPE DAEMPFUNG DAEMPFUNG AUFSCHMELZDAEMPFUNG AUFSCHMELZDAEMPFUNG KLAMMER KLAMMER KLAMMER KLAMMER LAMMER DAEMPFUNG FUER WASSERKASTEN DAEMPFUNG FUER WASSERKASTEN FUER FAHRZEUGE MIT ABGASREINIGUNGSANLAGE DAEMPFUNG FUER ABSCyiRMBLECH GETRIEBE ST MODELL VORN VORN LINKS RECHTS LINKS RECHTS 435MM 416MM 320MM 435MM 145 10 DIESEL T DIESEL OB K JETRONIC DIESEL T DIESEL DIESEL T DIESEL KLIMAANLAGE DIESEL T DIESEL D 18 090 WOO 32 63 1 84 TdM 84 2 K HAUPTGRUPPF 8 AUFBAU

Vorschau Passat Mod 87-88 Seite 738
Hinweis: Dies ist eine maschinenlesbare No-Flash Ansicht.
Klicken Sie hier um zur Online-Version zu gelangen.