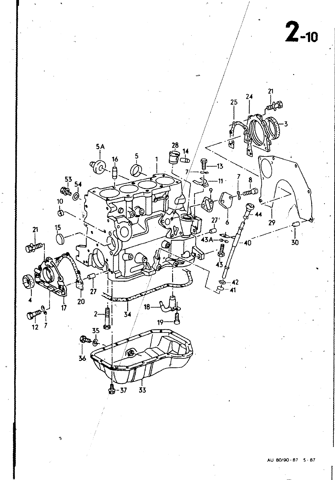
Z5 3 28 5A 1 uca Cl I k n I 9 53 I 54 r 44 43 A Q y ZV o 0 50 4k 27 20 54 55 56 57 55 AU alV90 87 HAUPTGRUPPE 1 MOTOR BILD ERSÄTZTEILE NR BENENNUNG BEMERKUNG ST KENNBUCHST 11 1 2 3 4 5 6 16 7 8 9 10 12 14 114 15 117 18 19 20 21 24 25 27 28 129 30 133 33 4 35 36 37 40 41 42 43 44 53 54 OtB 103 101 C 068 103 101 H N 010 465 5 026 103 051 A 068 103 P85 A 089 103 I13 063 103 113 068 103 III N 012 241 11 N 014 712 3 068 12 311 N 011 907 4 N 010 240 16 066 103 117 016 201 059 103 113 068 103 153 N 1 033 103 157 N 902 415 01 056 103 161 N 010 216 12 N 012 226 5 055 103 173 B 030 103 181 043 207 2 103 541 103 551 A 301 153 N 056 068 ou 068 103 601 E 026 103 601 103 609 8 013 849 2 902 889 01 900 084 01 115 629 A 056 N N N 068 N W 322 03 076 I15 643 N 010 212 14 N 012 226 5 036 115 636 N 029 702 2 N m3IM6 2 ZTLINOERBLOCK MIT KOLBEN 1 6LTR DIESEL JK T OIEe CY ZYLINDERBLOCK MIT KOLBEN ZYLINOERBLOCK MIT K0L8EN SECHSKANTSCHRAUBE WELLENOICHTRING WELLEMDICHTRING VERSCHLUSSDECKEL VERSCHLUSSDECKEL VERSCHLUSSOECKEk FE0ERSCHEI8E ZYLINDERSCHRAUBE MIT INNENSECHSKANTKOPF DICHTUNG VERSCHLUSSDECKEL SECHSKANTSCHRAUBE STOPFEN BECHERNIET VERSCHLUSSDECKEL DICHTFLANSCH OELSPRITZDUESE ZYLINDERSCHRAÜBE MIT INNENSECHSKANTKOPF DICHTUNG SECHSKANTSCHRAUBE MITVERWENDEN FEDfRSCHElGE DICHTFLANSCH DICHTUNG ZYLINDERSTIFT BUCHSE ZWISCHENPLATTE 8ASSHUELSE OELÜANNE M10X6S 10 X85X12 47X10 36 6MM B8X15X0 8 M8X18 14 M8X20 6 4MM AK4 8X14 5 36 6MM M6X10 M X18 N 012 226 5 B6 8H8X14 OIESEL JK T DIESEL CY T OIESEL CY DIESEL JK T 0IESEL CY T DIESEL CY OELWANNE OELWANNE DICHTUNG DICHTRING VERSCHLUSSSCHRAUBE SECHSKANTSCHRAUBE ROHR FUER DELMESSSTAB RUNDOICHTRING SCHEIBE SECHSKANTSCHRAUBE MITVERWENDEN FEDERSCHEIBE TRICHTER VERSCHLUSSSCHRAUBE DICHTqiNG A14X20 AM14X1 5 M6X14 7 3X2 4 8 1X11 7 M6X12 N 012 226 5 86 M10X1 A10X14 20 T DIESEL CY DIESEL JK DIESEL JK T OIESEL Ct 2 10 8 II 0031 068 198 011 OlCHTUNGSSATZ FUER ZYLINBERBLOCK

Vorschau Passat Mod 87-88 Seite 75
Hinweis: Dies ist eine maschinenlesbare No-Flash Ansicht.
Klicken Sie hier um zur Online-Version zu gelangen.