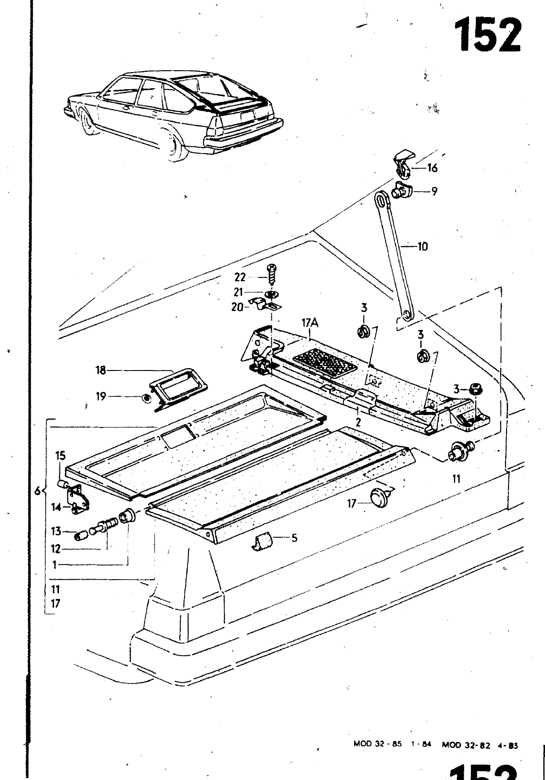
22 20 17A 1 J 5 MOD 32 85 woo 32 B 4 3 BILD ERSATZTEILE NR BENENNUNG BEMERKUNG ST MODELL 6 9 I 10 1 1 12 13 1 4 114 15 16 1 7 Ul7A 17A 861 863 535 323 867 763 A 323 867 764 8 N 901 737 01 321 967 759 A 321 867 769 F 8 86 03 88 58L 08 86 03 88 13X 08 86 03 e8 3HL 321 867 769 G I08 B6 03 B8 IHN 8 86 03 88 4CN 108 86 03 86 5RN 3 87 03 88 4KH 323 867 769 ß8 86 03 88 321 867 777 5BY 867 779 A 867 780 867 783 8 293 01 321 321 321 N 321 321 N 321 321 67 794 321 867 797 G ß8 86 03 88 901 867 785 867 786 013 792 867 787 5BL 08 86 03 88 13X b8 86 03 88 3HL 321 867 798 G 08 86 03 88 5BL 108 86 03 88 1 3X 8 86 03 88 3HL 321 867 797 H 08 86 03 88 IHN 08 86i03 88 4CN 08 86 03 88 5RN 321 867 798 H Ö8 86 03 88 IHN ß8 86 03 88 4CN DECKEL FUER KOFFERRAUMABDECKUNG ß8 86 03 88 08 86 03 88 5RN 6TN BUCHSE AUFLAGE AUFLAGE SCHNEIDMUTTER PUFFER DECKEL MIT VERKLEIDUNG SCHWARZ GAZELLE IBRAUNI 8ALEAR BLAU DECKEL MIT VERKLEIDUNG BALEAR BLAU SCHWARZ SAIGA BEIGE GRAUBLAU DECKEL MIT VERKLEIDUNG SCHIEFER iGRAUl LAGfRBOCK HALTEBAND LAGERBOLZEN LAGERBOLZEN SCHLAUCH RASTNOCKEN RASTNOCKEN HOHLNIET CLIP STOPFEN VERKLEIDUNG FUER AUFLAGE SCHWARZ GAZELLE BRAUN I BALEAR iBLAUl VERKLEIDUNG FÜER AUFLAGE SCHWARZ GAZELLE IBRAUNI BALEAR BLAUl VERKLEIDUNG FUER AUFLAGE BALEAR IBLAUl SCHWARZ SAIGA BEIGEI VERKLEIDUNG FUER AUFLAGE BALEAR BLAlU SCHWARZ SAIGA r EIGE TRAKEHNER ROTBRAUN SCHRAEGHECK LINKS RECHTS M5 CA BN NU OP GU BP OK CD BO GJ GH UK UL SE ZE GK SM 20 03 10 16 RN 7 6X1 7X14 5 LINKS RECHTS 4X0 4X7 LINKS CA BN NU OP GU BP QK CD 80 RECHTS CA BN NU OP GU BP OK CD 80 LINKS GJ GH UK UL ZE 5E GK SM RECHTS GJ GH UK UL SE GK SM GL ZE C CL GL GT TROPHY SPORT AUSFUEHRUNG C CL TRAMP TRAVELLER TREND C CL TREND C CL TREND GL GT GL GT D 18 11 II Ul7A 323 867 797 D 103 87 03 88 4KH 323 867 797 f VERKLEIDUNG FUER AUFLAGE GRAUGLAU VERKLEIDUNG FUER AUFLAGE LINKS 20 LINKS TROPHY SPORT

Vorschau Passat Mod 87-88 Seite 779
Hinweis: Dies ist eine maschinenlesbare No-Flash Ansicht.
Klicken Sie hier um zur Online-Version zu gelangen.