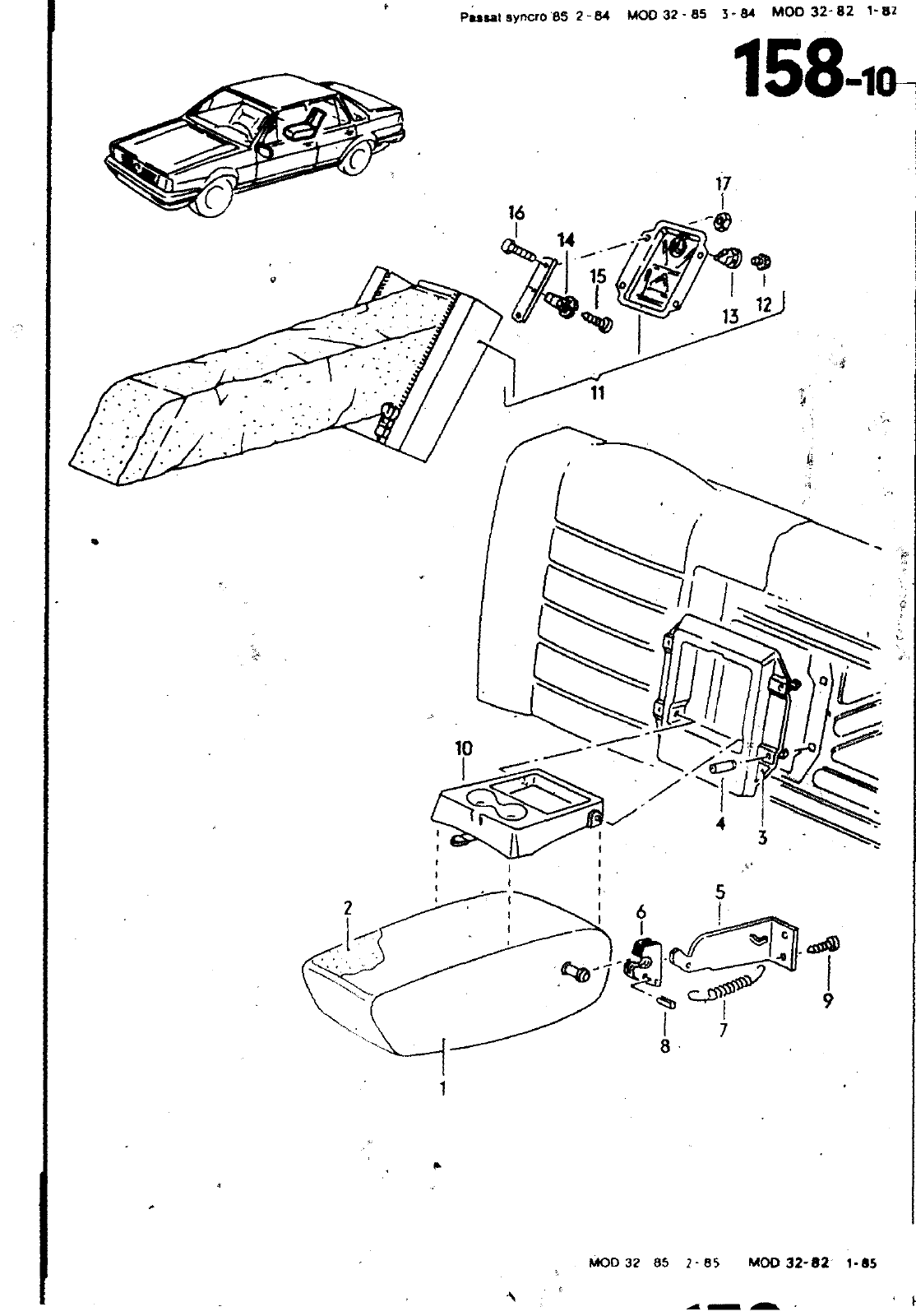
2 84 MOO 32 85 3 84 MOO 32 Z 11 158 L X C3 1 S HAUPTGRUPPE 8 AUFBAU RSATZTEILE NR BENENNUNG E 12 327 885 851 08 86 03 88 08 86 03 88 327 885 851 08 86 03 88 08 86 03 88 08 86 03 88 325 885 851 08 86 03 88 08 86 03 88 08 86 03 88 327 885 851 08 86 03 88 03 87 03 88 327 885 851 08 87 03 88 325 885 851 08 86 03 88 327 885 85J 08 86 03 88 08f86 03 88 327 885 875 327 885 943 08 86 03 88 327 885 500 327 885 963 327 865 964 435 885 635 08 86 03 88 435 885 636 N 023 259 N 013 959 327 885 993 08 86 03 88 165 885 209 08 86 03 88 165 885 220 435 885 241 08 86 03 88 435 885 245 08 86 03 88 811 807 577 013 968 010 217 no 8DN 6HN 1CX 4HX 5TX 1UY 5GY 9BY rM 8FX 9ßY 1CX 5TX 01C 01Z 3 3 01C MOB 01Z 01Z ARMLEHNE ARMLEHNENBEZUG STOFF SCHWARZ 8ALEAR BLAU ARMIEHNENBEZUG STOFF SCHWARZ BALEAR BLAU SAJGA BEIGE ARMLEHNENBEZUG I STOFF SAIGA BEIGE BALEAR BLAU SCHWARZ ARMLEHNENBEZUG STOFF GRAU SILBER GRAUBLAU ARMLEHNENBEZUG STOFF GRAUSCHWARZ ARMLEHNENBEZUG STOFF SCHWARZ ARMLEHNENBEZUG STOFF SCHWARZ SAIGA BEIGE I ARMLEHNE BLENDE SATINSCHWARZ BUCHSE HALTER LINKS HALTER RECHTS LAGERBGCK NEGRO BRAUN ZUGFEDER SPANNHUELSE LINSENBLECHSCHRAUBE ABLAGE SATINSCHWARZ SKIHUELLE KUNSTLEDER SCHWARZ VERSTAERKUNG ABDECKKAPPE NEGRO BRAUN ABDECKKAPPE NEGRO BRAUN EINSTECKMUTTER LINSENBLECHSCHRAUBE SECHSKANTSCHRAUBE SECHSKANTMUTTER BEMERKUNG MITTE MITTE CA CP CD MITTE BN GU BQ BP MITTE GK GJ GH MITTE RN 03 20 MITTE 10 MITTE XG ZE MITTE 8N BP MITTE 3X8 B3 5X16 84 8X13 M6X20 M6 ST MODELL STUFENHECK GL SPORT AUSFUEHRUNG C CL TRAMP TRAVELLER TROPHY TREND 572G SPORT AUSFUEHRUNG GL TAXI MIETWAGEN IW0D 32 85 2 85 M00 82 1 5 HAUPTGRUPPE 8 AUFBAU 158 10 D 8 1341

Vorschau Passat Mod 87-88 Seite 825
Hinweis: Dies ist eine maschinenlesbare No-Flash Ansicht.
Klicken Sie hier um zur Online-Version zu gelangen.