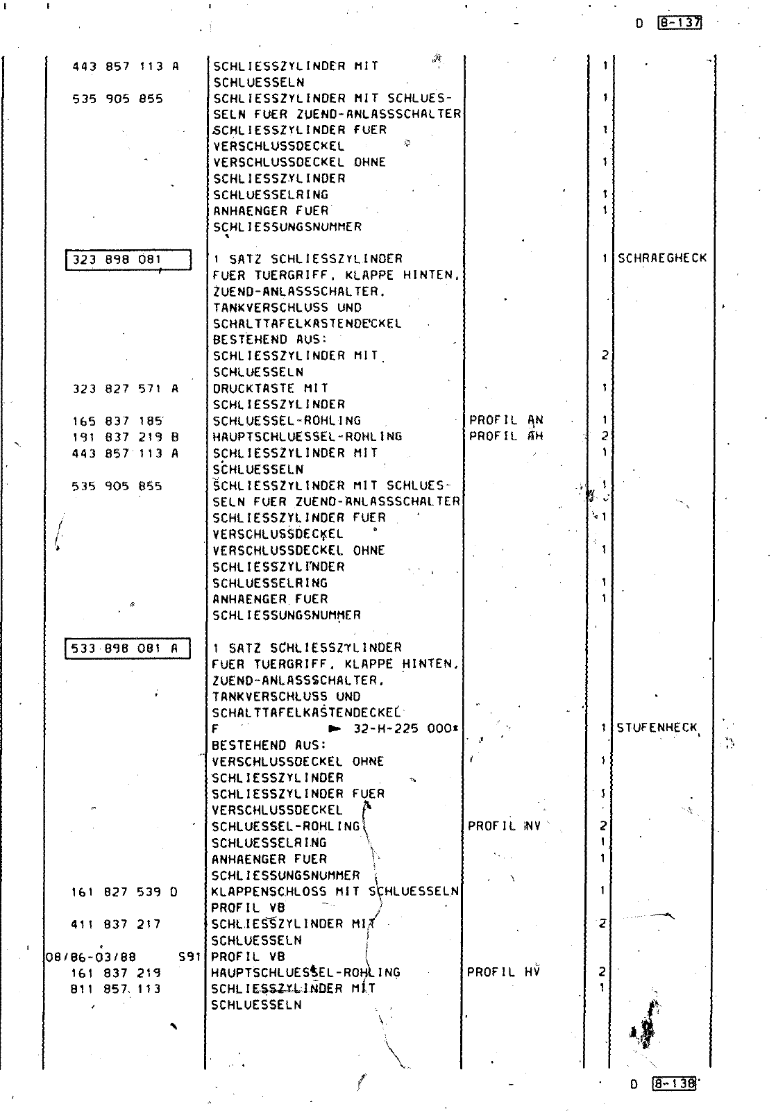
0 18 13 443 857 113 A 535 905 855 323 898 081 323 827 571 t 5 837 18 191 837 219 B 443 857 113 535 905 855 533 898 081 A I 1 827 539 0 411 837 217 08f8 Ö3 88 591 161 837 219 811 857 113 SCHLIESSZYLINDER MIT SCHLUESSELN SCHLIESSZfLINDER MIT SCHLUES SELM FUER ZUEND RNLASSSCHALTER 5CHLIESSZYLINDER FUER VERSCHLUGSOECKEL VERSCHLUSSOECKEL OHNE SCHLIESSZYLINDER SCHLUESSELHINC ANHAENGER FUER SCHLIESSUNCSNUMMER 1 SATZ SCHLIESSZYLINDER FUER TUERGRIFF KLAPPE HINTEN ZUCND ANLASSSCHALTER TANKVERSCHLUSS UNO SCHALTTAFELKASTENDECKEL BESTEHEND AUS SCHLIESSZYLINDER MIT SCHLUESSELN DRUCKTASTE MIT SCHLIESSZYLINDER SCHLUESSEL ROHLING HAUPTSCHLUESSEL ROHLING SCHLIESSZYLINDER MIT SCHLUESSELN SCHLIESSZYLINDER MIT SCHLUES SELN FUER ZUEND ANLASSSCHALTER SCHLIESSZYLINDER FUER VERSCHLUSSÖEC EL VERSCHLUSSDCCKEL OHNE SCHLIESSZYLFNDER SCHLUESSELRING ANHAENOER FUER SCHLIESSUNGSNUMMER I SATZ SCHLIESSZYLINDER FUER TUCRQRIFF KLAPPE HINTEN ZUEND ANLASSSCHALTER TANKVERSCHLUSS UND SCHALTTAFELKASTENDECKEC F 32 H 225 000 BESTEHEND AUS VERSCHLUSSDECKEL OHNE SCHLIESSZYLINDER SCHLIESSZYLINDER FUER VERSCHLUSSOECKEL SCHLUESSEL ROHLING SCHLUESSELRING ANHAENGER FUER SCHLIESSUNGSNUMMER I KLAPPENSCHLOSS MIT SCHLUESSELN PWf VB SCHLIESSZYLINDER Ml SCHLUESSELN PROFIL VB HAUPTSCHLUEStEL ROHlING SCHLIESS7YIINDER MIT SCHLUESSELN V PROFIL PROFIL AH PROFIL MV PROFIL HV SCHRAEGHECK STUFENHECK 0 18 13

Vorschau Passat Mod 87-88 Seite 834
Hinweis: Dies ist eine maschinenlesbare No-Flash Ansicht.
Klicken Sie hier um zur Online-Version zu gelangen.