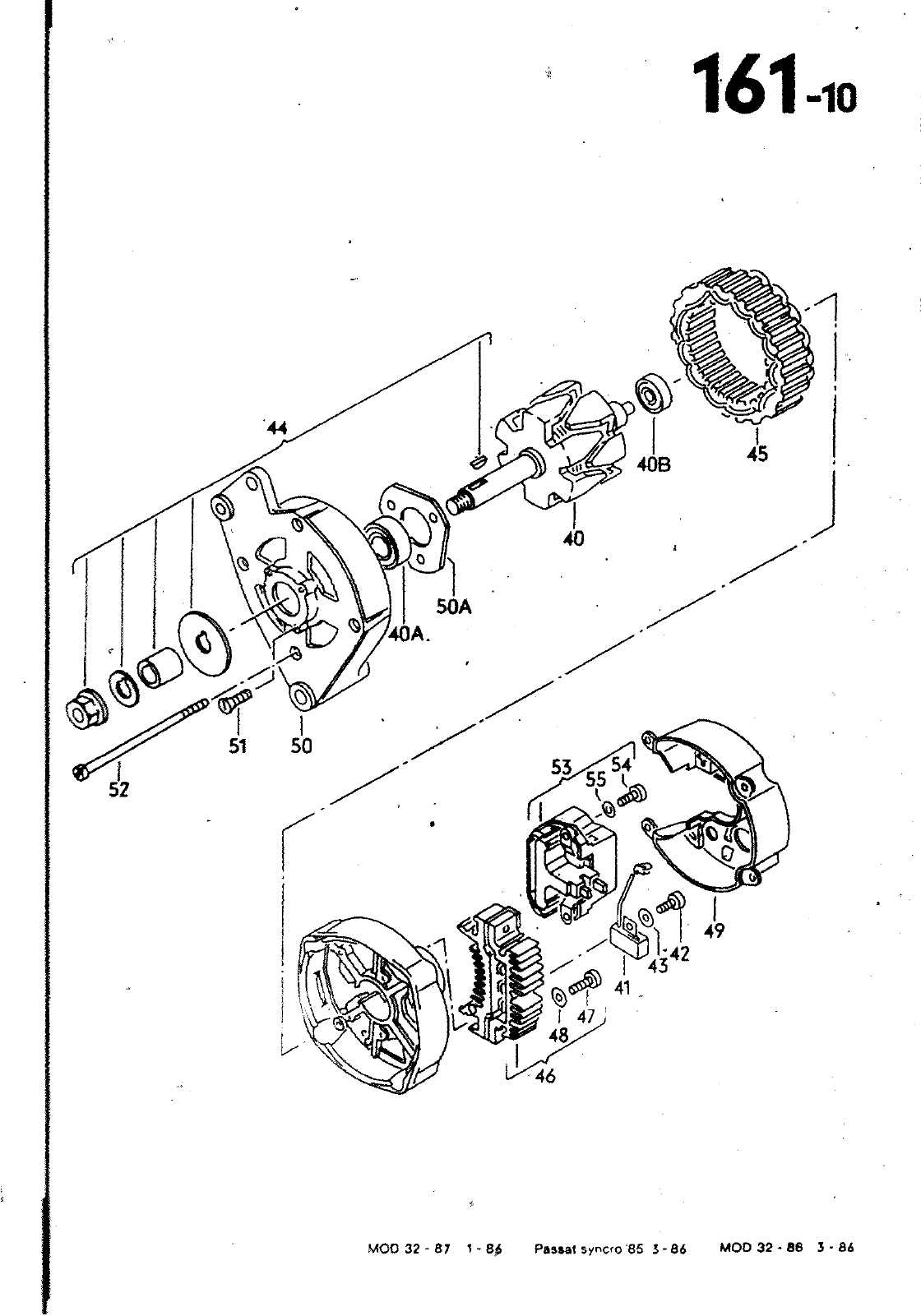
16110 45 40B 40 50A 40A 51 50 53 54 55 l 52 49 42 43 i 47 48 46 MOO 32 87 1 8 Pas alsyncfo 65 3 86 M00 32 86 5 86 HAUPTGRUPPE 9 ELEKTRISCHE AUSRUESTUNG 3IL0 ERSATZTEILE NR BENENNUNG BEMERKUNG ST KENNBUCHST 40 40 40A 40B 41 42 43 44 45 45 46 47 48 49 50 50A 51 52 53 54 55 N 012 710 2 026 903 213 068 903 213 E 035 903 221 055 903 221 056 903 291 N 010 704 N 012 222 026 03 320 039 903 351 036 903 351 G 036 903 350 N 014 N dl 2 03 903 5 1 026 903 537 055 903 543 N 100 622 01 036 903 555 D 049 903 803 H 014 118 1 012 221 3 100 173 01 011 008 18 904 030 01 DREHSTROMGENERATOR UNO EINZELTEILE VALEO SCHEIBENFEOER KLAUENPOLLAEUFER FUER DREHSTROMGENERATOR KLAUENPOLLAEUFER FUER DREHSTROMGENERATOR RILLENXUGELLACER RILLENKUGELLAGER ENTSTOERKONOENSATOR ZYLtN ERSCHRAUBE FEOERSCHEIBE KLEINTEILESATZ STAENOERWICKLUNG FUER DREHSTROMGENERATOR STAENOERWICKLUNG FUER DREHSTROMGENERATOR DIODENPLATTE LINSENSCHRAUBE FEOERSCHEIBE ABDECKUNG LAGERSCHILO HALTEPLATTE SENKSCHRAUBE SCHRAUBE REGLERSCHALTER LINSENSCHRAUBE FEDERSCHEIBE BUNOMUTTER SECHSKANTMUTTER ABOECKKAPPE 4X6 5 5 11 10 AMSXtO A5X10X0 5 10 5 11 M5X30 ASXtOXO 5 M4X28 A4X8X0 5 M5 D MB B 13X14 8 161 10 D 19 0061

Vorschau Passat Mod 87-88 Seite 851
Hinweis: Dies ist eine maschinenlesbare No-Flash Ansicht.
Klicken Sie hier um zur Online-Version zu gelangen.