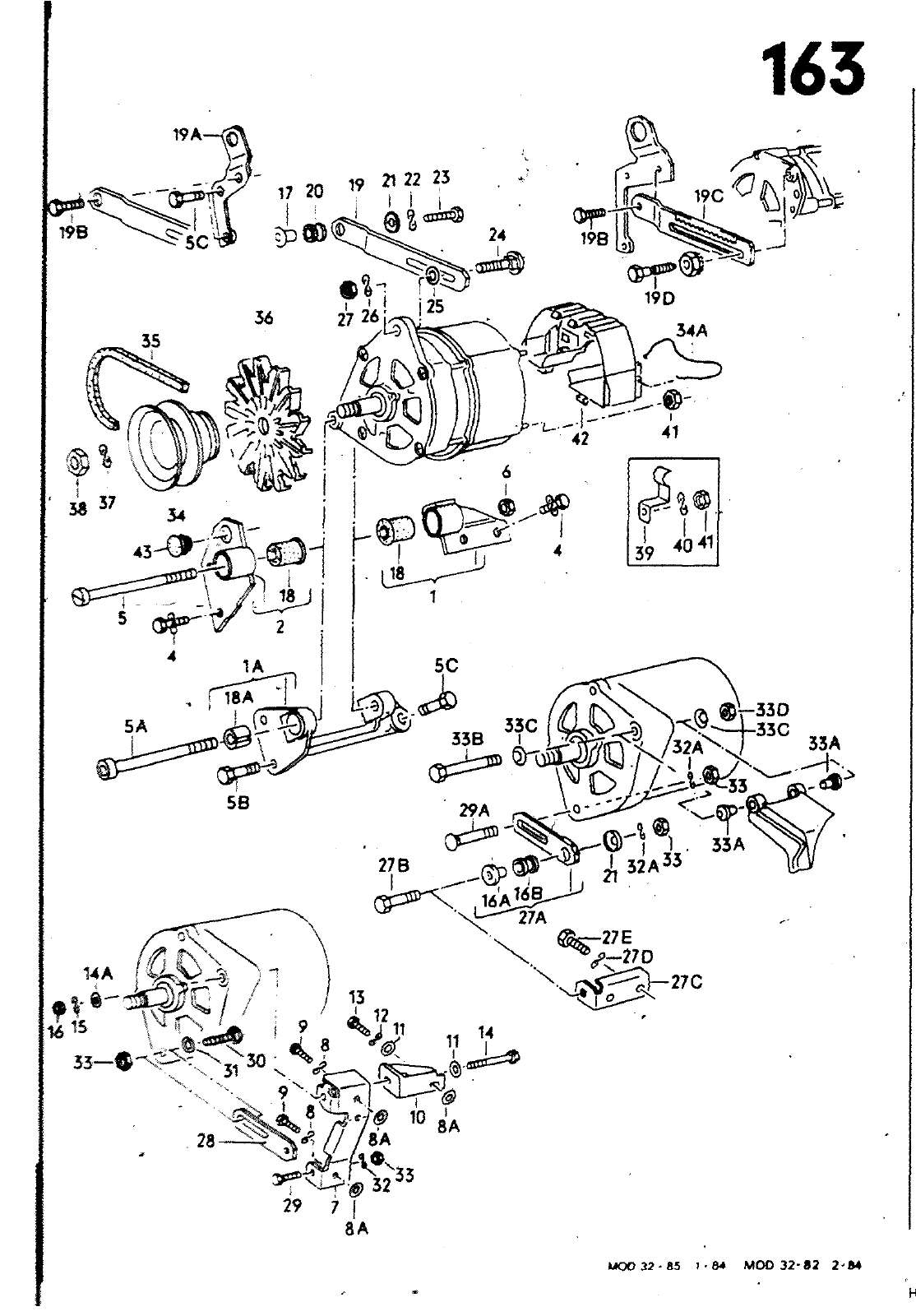
19A 19C 19B 19B 5C 190 36 Lg 34A 6C Q dJ O D 38 34 43 4 40 1 39 Ll3J 5C 1A 18 33C 5A 33B I 1 SB T dp u 2 g 3P n 33A 1 32 33 27A WA 27C f 16 9 y n V 33 30 f A 10 8A 28 3T L L 2 29 7 8A W00 32 65 l WOO 32 2 2 M HAUPTGRUPPE 9 ELEKTRISCHE AUSRUESTUNG ILD ERSATZJEILE NR BENENNUNG BEMERKUNG ST KENNBUCHST 18A 19C 19D 19A 198 21 22 23 23 24 25 26 26 27 34 34 35 35 36 36 37 38 36 049 903 103 8 N 044 759 1 N 010 241 15 2 13 N 049 026 026 026 N 059 N N N N 012 229 903 149 903 247 903 555 903 245 019 502 903 265 012 241 010 242 019 526 A A 2 A 1 1 1 3 2 019 700 1 N 011 696 1 N 0 2 11 N 011 558 6 N 022 146 4 026 903 1 9 A 049 903 119 L 049 903 137 8 049 903 137 8 08 86 03 88 SSV 036 903 171 C 068 903 171 N 012 233 3 N 011 163 3 068 903 lef N 012 708 2 N 012 710 2 ANSCHLUSS UND BEFESTIGUNGS TEILE FUER DREHSTROMGENERATOR 1 6 1 8LTR 1 3LTR 4 ZYLINDER HALTER ZYLINDERSCHRAUBE MIT INNENSECH5KANTK0PF SECHSKANTSCHRAUBE SECHSKANTSCHRAUBE MITVERWENDEN FEDERSCHEIBE BUCHSE SPANNBUEGEL SPANNSCHRAUBE HALTER SECHSKANTSCHRAUBE SCHEIBE FEDERSCHEIBE SECHSKANTSCHRAUBE SECHSKANTSCHRAUBE FUER DREHSTROMGENERATOR SECHSKANTSCHRAUBE FUER DREHSTROMGENERATOR SCHEIBE FEDERSCHEIBE SCHEIBE SECHSKANTMUTTER SELBSTSICHERNO KEILRIEMENSCHEIBE FUER DREHSTROMGENERATOR KEILRIEMENSCHEIBE FUER DREHSTROMGENERATOR KEILRIEMEN KEILRIEMEN SELBSTBEDIENUNGSVERPACKUNG LUEFTERRAD FUER DREHSTROMGENERATOR LUEFTERRAD FUER DREHSTROMG FEDE SECHSKANTMUTTER BUNDMUTtER SCHEIBENFEDER SCHEIBENFEDER M8X95 M8X22 M8X25 N 012 229 A8X15X0 3 M8X25 88X15X0 8 M8X25 M8X22 7A 7B 8A 88 M8X30 7A 7B 8A 8B 88 1X24X1 5 88X15X0 8 8 4X15X1 6 VM8 VALEO 5 10 11 BOSCH 1 2 3 9 5X950MM 9 5X950MM VALEO 5 BOSCH 1 2 814X28X1 6 BOSCH MI 4X1 5 BOSCH VALEO 4X5 BOSCH 4X6 5 VALEO HAUPTGRUPPE 9 ELEKTRISCHE AUSRUESTUNG 163 D 9 0071

Vorschau Passat Mod 87-88 Seite 853
Hinweis: Dies ist eine maschinenlesbare No-Flash Ansicht.
Klicken Sie hier um zur Online-Version zu gelangen.