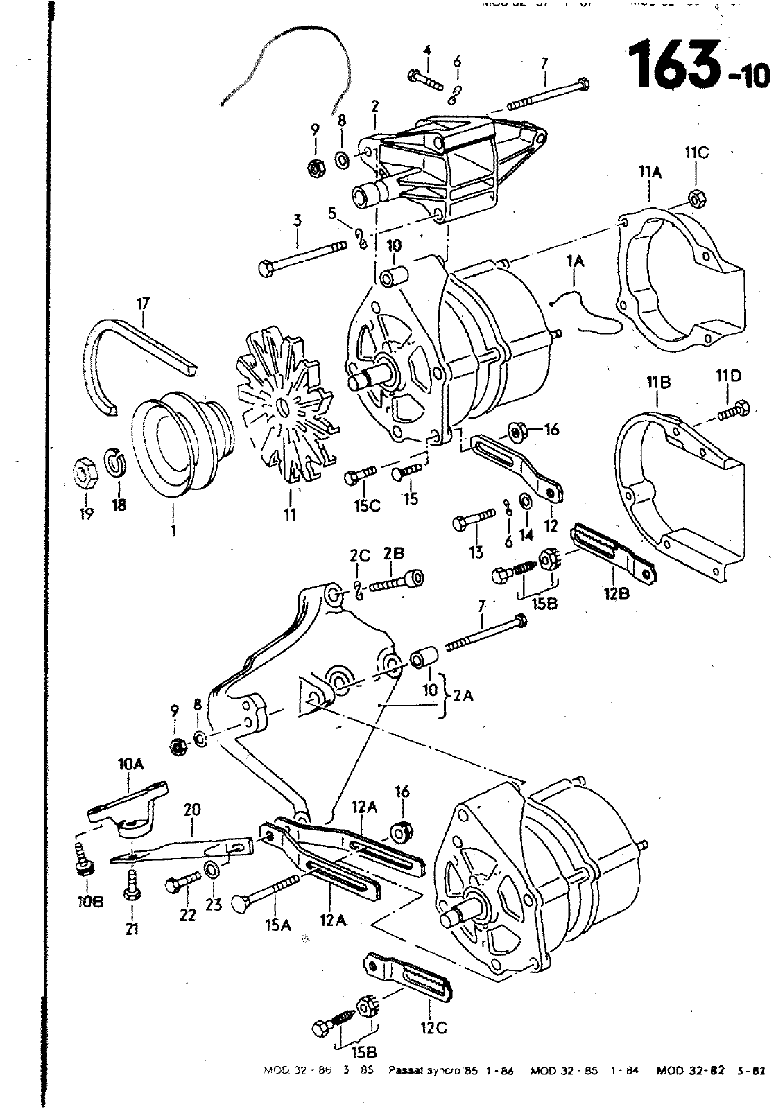
163 11C IIA 10 1A 110 11B n OFf OT 15 15C 2C 28 1ZB 6P 10 2A KW 12A 20 23 22 12A ISA 12C 15B HAUPTGRUPPE 9 3ILD ERSATZTEILE NR 5 6 7 8 9 10 10A 10B 1 1 1 1 1 1 R I11A 1 IC 1128 12C 1 3 158 17 I 1 7 1 8 19 20 21 22 23 ELEKTRISCHE AUSRUESTUNG BENENNUNG 034 903 119 035 903 119 035 903 141 H 035 903 141 J N 044 763 1 N 012 230 6 N 010 480 2 N 010 353 3 012 229 012 230 012 241 010 391 525 146 149 011 022 049 903 035 260 689 E N 901 358 01 068 903 171 068 903 171 A 035 903 193 D 035 903 187 F N 011 005 034 903 247 034 903 247 N 010 375 026 903 555 034 903 137 055 903 137 G N 012 044 2 N 011 163 3 N 012 708 2 035 903 683 N 010 240 16 N 010 244 11 N 011 525 13 BEMERKUNG ANSCHLUSS UND BEFESTIGUNGS TEILE FUER DREHSTROMGENERATOR KEILRIEMENSCHEIBE FUER DREHSTROMGENERATOR KEILRIEMENSCHEIBE FUER DREHSTROMGENERATOR HALTER HALTER ZYLINDERSCHRAUBE MIT INNENSECHSKANTKOPF FEOERSCHEIBE SECHSKANTSCHRAUBE SECHSKANTSCHRAUBE MITVERWENDEN FEOERSCHEIBE FEDERSCHEIBI FEDERSCHE SECHSKANTSCHRAUBE SCHEIBE SECHSKANTÜ TER SELBSTSICHERND BUCHSE STUETZE SECHSKANTSCHRAUBE LUEFTERRAD FUER DREHSTROMGENERATOR LUEFT RRAD fuER DREHSTROMGENERATOR ANSAUGDECKEL FUER DREHSTROMGENERATOR ANSAUGDECKEL FUER DREHSTROMGENERATOR SECHSKANTMUTTER SPANNBUEGEL SPANNBUEGEL SECHSKANTSCHRAUBE SPANNSCHRAUBE KEILRL MEN ZU YERÜKNOEN FUER KEILRIEMEN FEDERRING SECHSKANTMUTTER SCHEIBENFEDER STUETZE SECHSKANTSCHRAUBE SECHSKANTSCHRAUBE SCHEIÖE ST KENNBUCHST 15 12 13 BOSCH BOSCH M10X48 810X21X1 M10X80 M8X42 N 012 229 A8X15X0 3 B10X21X1 88X15X0 8 M8X100 A8 4 VM8 M6X25 65A 90A 65A 90A M5 M8X75 11 2X820MM 9 5X825MM 9 5X850MM A14 M14X1 5 4X5 M8X20 M8X30 A8 4 BOSCH BOSCH 5 ZYLINDER KLIMAANLAGE KLIMAANLAGE KLIMAANLAGE KLIMAANLAGE KLIMAANLAGE KLIMAANLAGE KLIMAANLAGE KLIMAANLAGE KLIMAANLAGE KLIMAANLAGE KLIMAANLAGE von 32 86 3 85 P aX yncn 85 1 86 MOO 32 85 i 84 MOO 32 82 3 82 163 10 D 19 010 HAUPTGRUPPE 9 ELEKTRISCHE AUSRUESTUNG

Vorschau Passat Mod 87-88 Seite 859
Hinweis: Dies ist eine maschinenlesbare No-Flash Ansicht.
Klicken Sie hier um zur Online-Version zu gelangen.