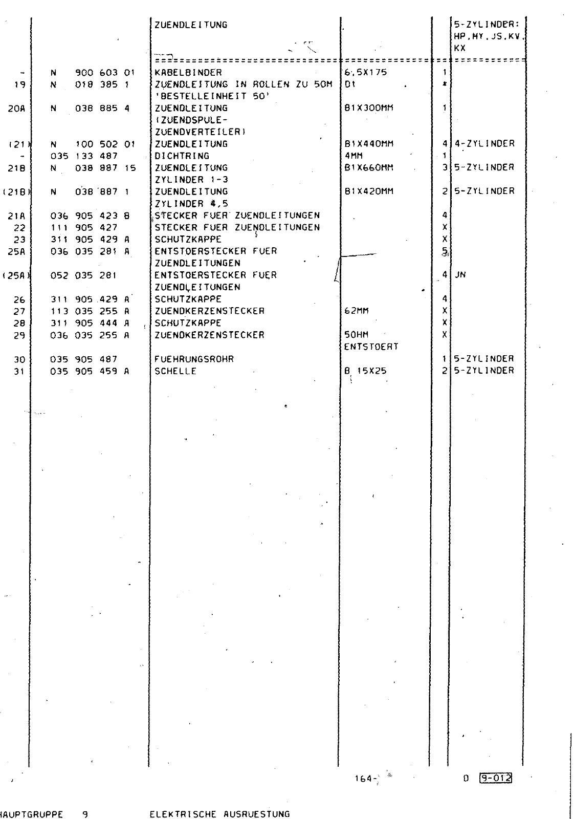
25A 10 25AI I 0l 23 7A ioA 25A f19 MB 29 E cP 25A 30 21A Z7 29 28 Z5A 16 9 12 16 1 14 25A MB 16 l5A c A 6 Y M6 MOD 32 88 3 86 MOO 32 85 2 84 19 20A 21 218 21E 21 A 22 23 25A 25A 26 27 28 29 30 31 N 900 603 01 N 018 385 1 038 885 4 N 100 502 01 035 133 487 N 038 887 15 N 038 887 1 036 905 423 8 III 905 427 311 905 429 A 036 035 281 A 052 035 281 311 905 429 R 113 035 255 A 311 905 444 A 036 035 255 A 035 905 487 035 905 459 A ZUENDLEITUNG LCi KABELBINDER ZVENOLEfTUNG IN ROLLEN ZU 50M BESTELLEINHEIT 50 ZUENDLEITUNG IZUEND5PULE ZUENDVERTEILER ZUENDLEITUNG DICHTRING ZUENDLEITUNG ZYLINDER 1 3 ZUENDLEITUNG ZfLINOER 4 5 STECKER FUER ZUENDLEITUNGEN STECKER FUER ZUENDLEITUNGEN SCHUTZKAPPE ENTSTOERSTECKER FUER ZUENDLEITUNGEN ENTSTOERSTECKER FUER ZUENDLEITUNGEN SCHUTZKAPPE ZUENDKERZENSTECKER SCHUTZKAPPE ZUENDKERZENSTECKER FUEHRUNGSROHR SCHELLE 6 5X175 Dt 81X300MM B1X440MM 4MM B1X660MM B1X420MM 62MM 50HM ENTSTOERT B 15X25 5 ZYLfNOPR HP MY JS KV KX 4 ZYLINDER 5 ZYLINDER 5 ZYLINDER JN 5 ZYLINDER 5 ZYLINDER HAUPTGRUPPE 9 ELEKTRISCHE AUSRUESTUNG 164 0 i9 oia

Vorschau Passat Mod 87-88 Seite 864
Hinweis: Dies ist eine maschinenlesbare No-Flash Ansicht.
Klicken Sie hier um zur Online-Version zu gelangen.