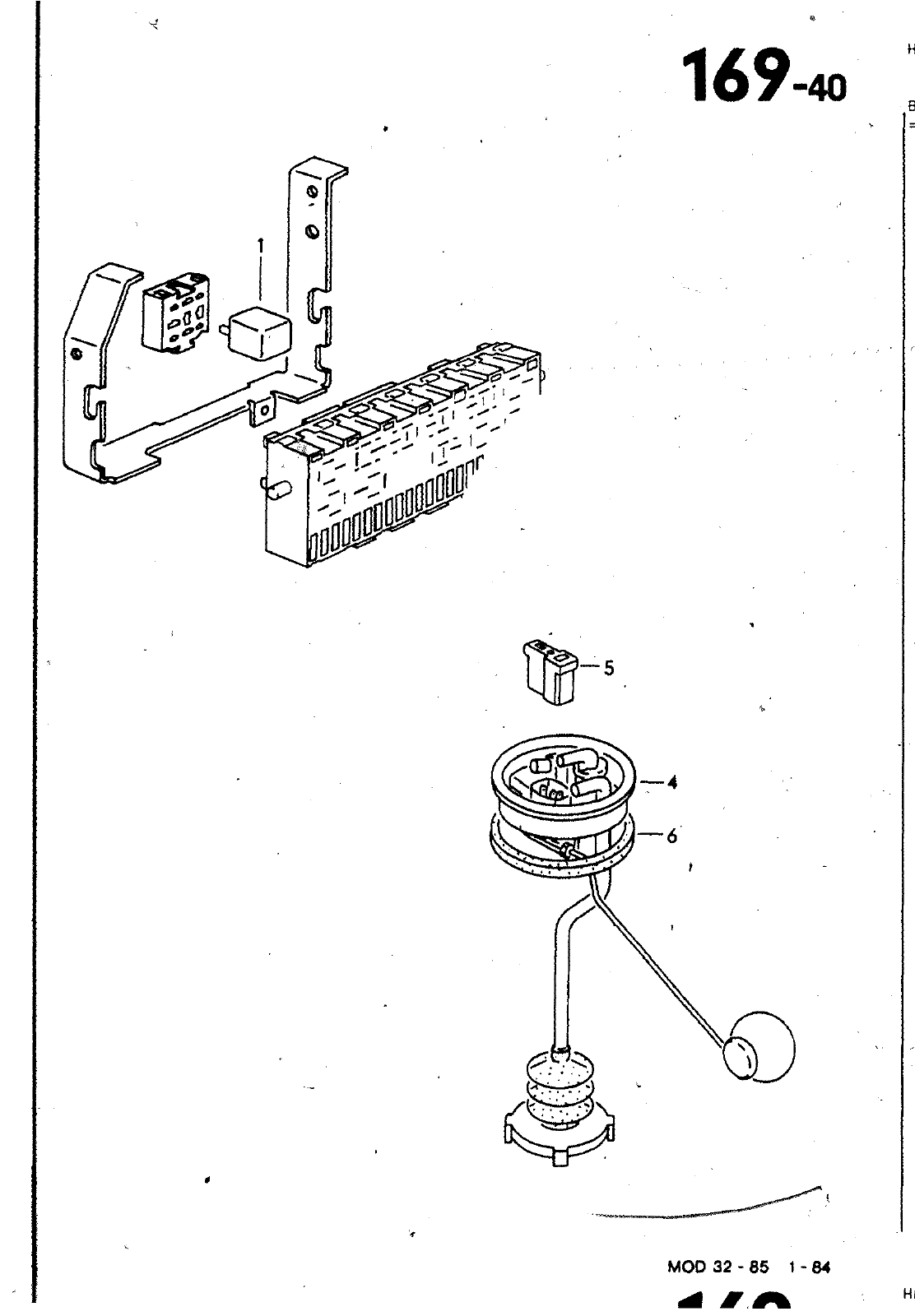
169 4 6 HAUPTGRUPPE ELEKTRISCHE AUSRUESTUNG BILD ERSATZTEILE NR BENENNUNG BEMERKUNG ST MODELL STEUCRGERAET FUER SCHALT U VERBRAUCHSANZEIGE STEUERGERAET FUER SCHUBABSCHALTUNG RELAIS 443 919 096 E 321 919 433 8 321 919 051 T 321 919 051 AA 323 919 051 321 906 231 321 9Ö6 233 321 919 133 STEUCRGERAET FUER SCHUBABSCHALTUNG MIT SCHALT UNO VER6RAUCHSANZEIGE SCHALTGETRIEBE WARNZEITRELAIS GEBER FUER KRAFTSTOFFVORRATSANZEIGER GEBER FUER KRAFTSTOFFVORRATSANZEIGER GEBER FUER KRAFTSTOFFVORRATSANZEIGER GEBER FUER KRAFTSTOFFVORRATSANZEIGER FLACHSTECKHUELSENGEHAEUSE FLACHSTECKHUELSENGEHAEUSE DICHTRING 109 VERGASER MOTOR K JETRONIC DIESEL T DIESEL K JETRONIC HAUPTGRUPPE 9 ELEKTRISCHE AUSRUESTUNG 169 40 0 19 033

Vorschau Passat Mod 87-88 Seite 905
Hinweis: Dies ist eine maschinenlesbare No-Flash Ansicht.
Klicken Sie hier um zur Online-Version zu gelangen.