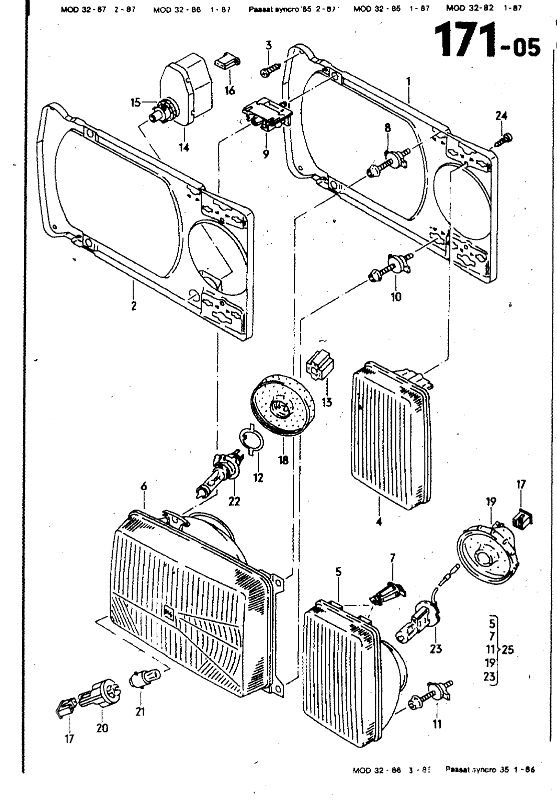
M0032 87 2 87 WO032 86 1 87 P Mlmyncro 85 2 87 M00 32 85 1 87 M0032 82 1 87 171 05 15 22 1 im 25 jg 23 i 20 HAUPTGRUPPE 9 BILD ERSATZTEILE NR 3 4 4 15 5 5 5 16 6 6 I 6 7 8 9 10 1 1 12 1 3 1 4 15 16 17 18 20 21 22 22 23 23 24 25 ELEKTRISCHE AU5RUESTUNG BENENNUNG 0 323 941 045 8 323 941 045 323 941 046 N 013 968 1 321 941 065 C 321 941 066 C 323 941 065 323 941 065 A 321 941 321 941 321 941 322 941 321 941 322 941 113 941 533 941 321 941 321 941 533 941 III 941 161 941 321 941 191 941 311 906 321 941 III 941 066 0 066 E 105 AF 105 AF 106 AF 106 AF 133 133 141 G 141 H 141 160 A 165 295 323 231 8 600 605 A 323 941 607 533 941 N 017 017 017 N N 017 017 N 013 323 998 669 717 2 763 2 764 3Z 762 2 762 2Z 967 1 1 39 BEMERKUNG BREITBAND SCHEINWERFER HALOGEN NEBELSCHEINWERFER TRAGRAHMEN TRAGRAHMEN FUER FAHRZEUGE MIT ELEKTRI SCHER LEUCHTWEITENVERSTELLUNG TRAGRAHMEN FUER FAHRZEUGE MIT ELEKTRI SCHER LEUCHTWEITENVERSTELLUNG LINSENBLECHSCHRAUBE NEBELSCHEINWERFER ATTRAPPE NEBELSCHEINWERFER ATTRAPPE HALOGEN NEBELSCHEINWERFER HALOGEN NEBELSCHEINWERFER GELBGLAS HALOGEN NEBELSCHEINWERFER HALOGEN NEBELSCHEfNWERFER GELBGLAS SCHEINWERFEREINSATZ HALOGEÜ NUR FUER RECHTSVERKEHR SCHEINWERF REINSATZ HALOGEN NUÄ FUER LINKSVERKEHR I SCHEINWERFEREINSATZ HALOGEN INUR FUER RECHTSVERKEHR SCHEINWERFEREINSATZ HALOGEN NUR FUER LINKSVERKEHR GELENKSTUECK GELENKSTUECK EINSTELLSCHRAUBE FUER HORIZONTALE EINSTELLUNG EINSTELLSCHRAUBE FUER VERTIKALE EINSTELLUNG EINSTELLSCHRAUBE FUER NEBELSCHEINWERFER HALTEFEOER FUER HALOGEN GLUEHLAMPE FLACHSTECKHUELSENGEHAEUSE STELLMOTOR DICHTRING FLACHSTECKHUELSENGEHAEUSE FLACHSTECKHUELSENGEHAEUSE DICHTKAPPE FUER LAMPENFASSUNG KAPPE FUER NEBELSCHEINWERFER LAMPENFASSUNG GLUEHLAMPE HALOGEN GLUEHLAMPE HALOGEN GLUEHLAMPE GELBGLAS I INUR FUER EXPORTI HALOGEN GLUEHLAMPE HALOGEN GLUEHLAMPE LINSENBLECHSCHRAUBE HALOGEN NEBELSCHEINWERFER ZUM NACHTRAEGLICHEN EINBAU LINKS RECHTS B4 8X13 LINKS RECHTS LINKS LINKS RECHTS RECHTS LINKS LINKS RECHTS 4 RECHTS 2 8 HL12V4W YD12V60 55W YD12V60 55W YG12V5SW YC12V55W B4 2X19 171 05 ST MODELL D M 03

Vorschau Passat Mod 87-88 Seite 913
Hinweis: Dies ist eine maschinenlesbare No-Flash Ansicht.
Klicken Sie hier um zur Online-Version zu gelangen.