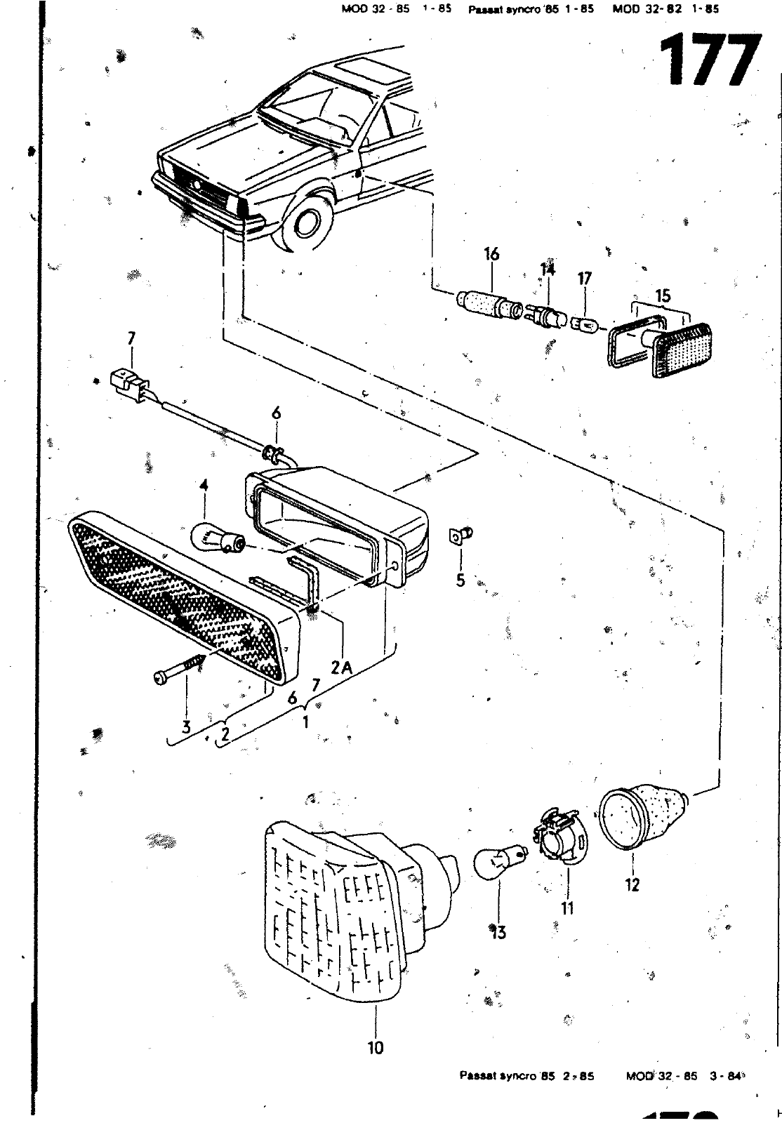
WO032 85 1 85 Pm mtayncro85 1 85 MOO 32 82 1 85 Gp 5 3 13 HAUPTGRUPPE 9 ELEKTRISCHE AUSRUESTUNG BILD ERSATZTEILE NR BENENNUNG 321 953 055 A 321 953 056 A 321 953 141 C 321 953 142 C 321 953 TS3 331 945 165 N 017 732 2 III 953 170 211 971 911 A 171 971 934 161 949 III 161 949 117 447 953 331 A N 017 753 2 BEMERK Ü ST MODELL BLINKLEUCHTE BLINKLEUCHTE BLINKLEUCHTE FENSTER LINKS FENSTER RECHTS DICHTUNG LINSENBLECHSCHRAU8E GLUEHLAMPE EINSTECKMUTTER TUELLE FLACHSTECKHUELSENGEHAEUSE BLINKLEUCHTE SEITLICH LAMPENFASSUNG BLINKLEUCHTE SEITLICH TUELLE GLUEHLAMPE VORN LINKS RECHTS GELB G r25 1 12V21W GELB W10 5 12V5W P Mt ymcro 85 2 85 MO0 32 86 3 0 19 049 HAUPTGRUPPE 9 ELEKTRISCHE AUSRUESTUNG

Vorschau Passat Mod 87-88 Seite 937
Hinweis: Dies ist eine maschinenlesbare No-Flash Ansicht.
Klicken Sie hier um zur Online-Version zu gelangen.