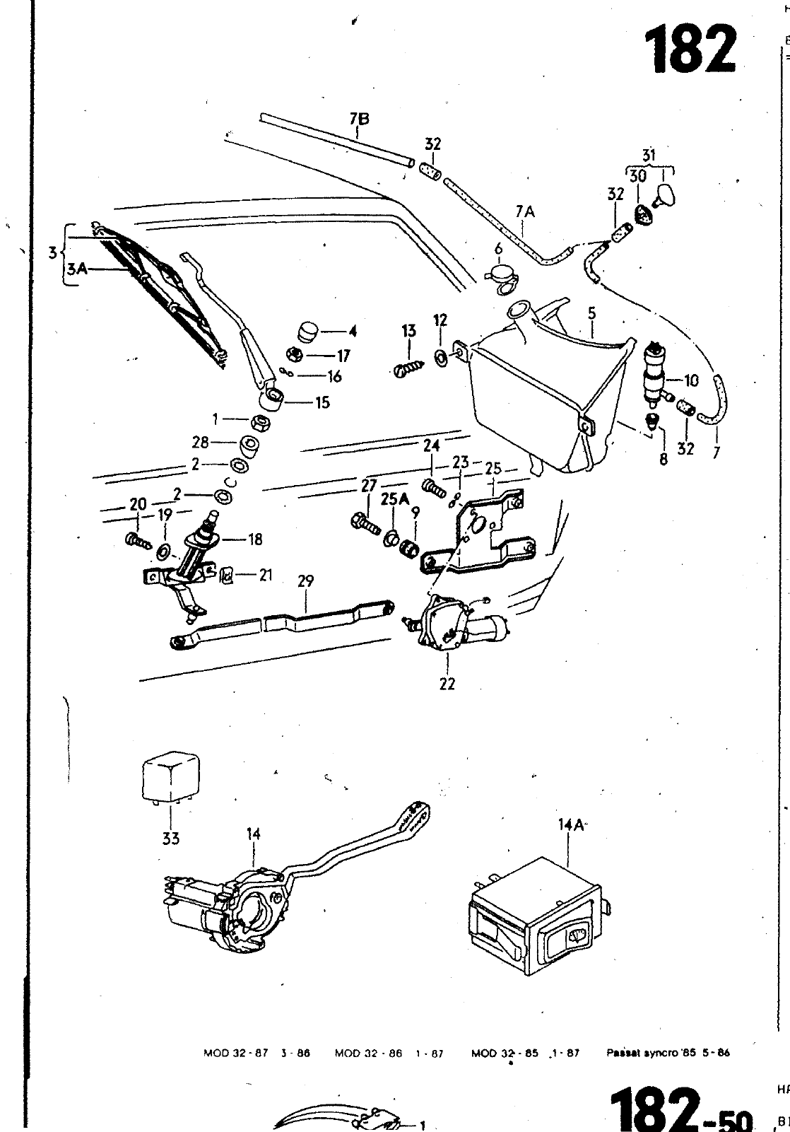
182 7B 32 30 I 7A 4 13 17 h I 28 3 24 23 25 27 Z A 0 21 29 cic T 33 14 14Ar ap MOD 32 87 5 M MOD 32 86 1 87 WOO 3 es J 7 P MI yncm8S5 a BILD ERSATZTEILE NR BENENNUNG BEMERKUNG ST MODELL 14A 15 16 17 18 19 20 21 22 23 24 25 25A 27 28 29 30 31 32 33 923 955 243 191 955 265 331 955 425 161 955 429 133 955 435 331 955 453 331 953 455 N 020 301 431 331 431 N N 321 955 465 955 754 955 651 011 692 014 098 953 519 Oa 86 03 88 08 86 03 88 861 955 701 331 955 707 N 012 227 N 011 006 331 955 709 011 524 N 013 935 015 432 Ml 955 713 N 012 226 N 020 091 014 140 955 7 7 955 756 010 215 955 733 955 801 955 991 861 955 993 803 955 95 l4l 955 529 01C 90V N 331 331 N 331 331 211 7 1 2 A 5 1 5 A 13 A A WISCH WASCHANLAGE FUER RUECK8LICKSCKEI8E VARIANT SECHSKANTMUTTER GUMMISCHEIBE WISCHERBLATT GUMMi FUER WISCHERBLATT ABDECKKAPPE FLUESSIGKEITSBEHAELTER VERSCHLUSSDECKEL SCHLAUCH IN ROLLEN ZU 10M BESTELLEINHEIT 10 KUERZEN AUF DICHTRING TUELLE PUMPE SCHEIBE BLECHSCHRAUBE SCHALTER FUER SCHEIBENWISCHER UNO WISCHER WASCHER BETAETIGUN SATINSCHWARi SATTELBRAU SCHALTER FUER SCHEIBENWISCHER UND WASCHERBETAETIGUNG WISCHERARM FEOERSCHEIBE SECHSKANTMUTTER HALTEBLECH MIT WISCHERLAGER SCHEIBE LINSENBLECNSCHRAU8E SCHNAPPMUTTER WISCHERMOTOR FEDERSCHEIBE KABELTUELLE LINSENSCHRAUBE HALTER FUER WISCHERMOTOR BUCHSE SECHSKANTSCHRAUBE DISTANZRING ANTRIEBSSTANGE DICHTUNG SPRITZDUESE SCHLAUCHßlCHERUNG RELAIS FUER WISCH WASCHANLAGE RUECKBLICKSCHEIBE M 16X1 15 8 400MM 1000MM 12X6 5 5 1X15X1 84 8X16 A6X10X0 5 M6 A6 4X12 5X1 86 3X25 B6 3X25 16 B6 7 5X12 M6X15 M6X15 182 0 m 054 HAUPTGRUPPE ELEKTRISCHE AUSRUESTUNG BILD ERSATZTEILE NR BENENNUNG BEMERKUNG ST MODELL l i J

Vorschau Passat Mod 87-88 Seite 947
Hinweis: Dies ist eine maschinenlesbare No-Flash Ansicht.
Klicken Sie hier um zur Online-Version zu gelangen.