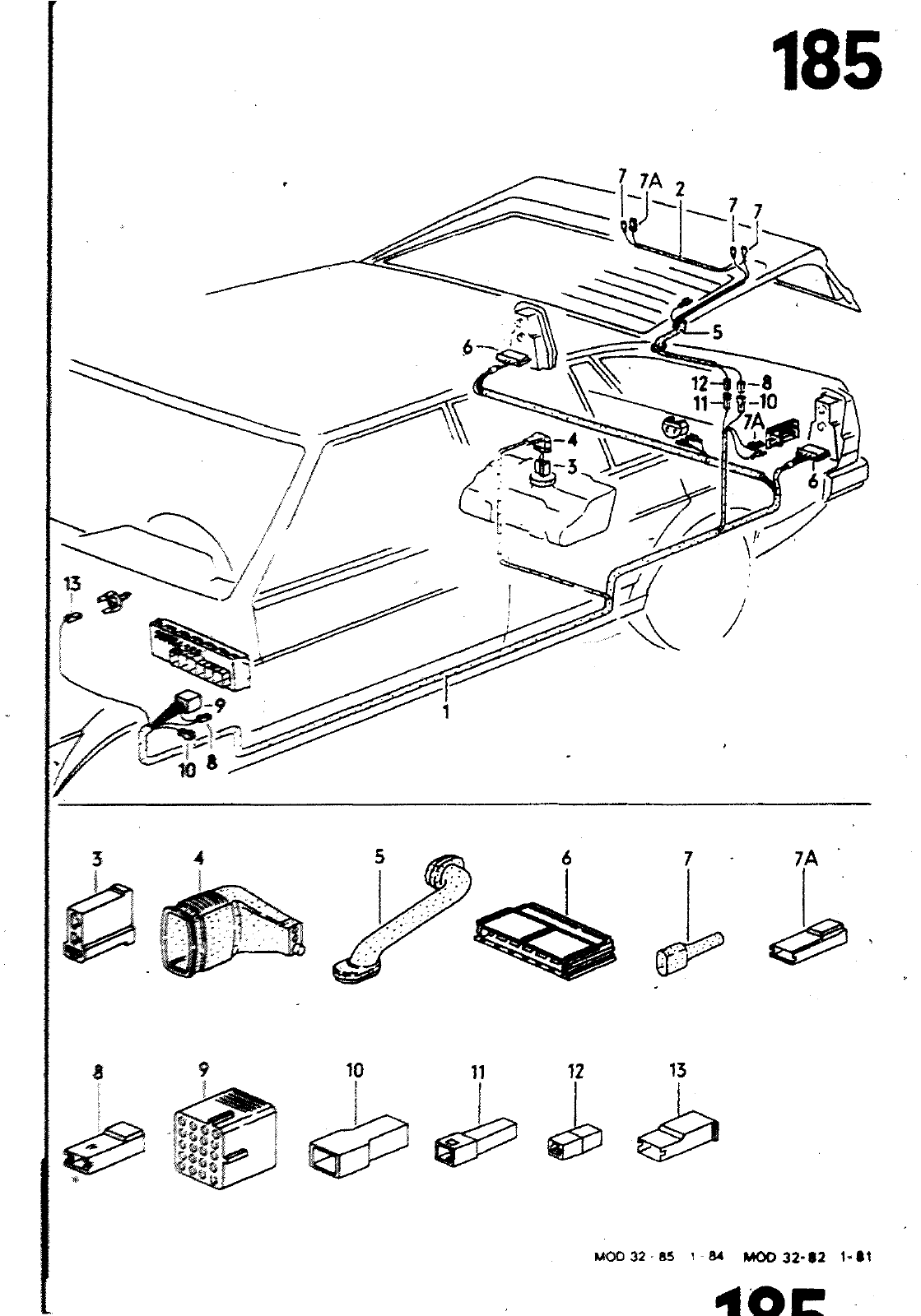
185 7 7A 7A 13 r 7A W 11 12 13 woo 32 as 1 a iwoo 32 2 i 1 II IQ HAUPTGRUPPE 9 SILO ERSATZTEILE NR ELEKTRISCHE AUSRUESTUNC BENENNUNG BEMERKUNG ST MODELL 1 1 3 4 5 6 6 7 7A 8 9 110 1 1 111 12 T 3 321 321 321 161 906 231 919 141 A 971 840 A 945 247 321 945 249 803 971 892 III 971 921 B 161 971 990 A 171 971 971 N 161 971 976 A 823 971 976 161 971 990 A 161 971 988 C 823 971 990 431 971 995 171 906 230 251 957 861 867 971 848 161 971 898 327 971 898 171 971 847 A LEITUNGSSATZ HINTEN STUFENHECK SCHRAEGHECK BEACHTE AUCH UEBERSICHT FUER LPITUNGSSAETZE ZUM SELBSTBAU 321 971 011 BT 321 971 Q11 BT 321 971 011 BS 321 971 011 BS 327 971 011 0 327 971 011 D 327 971 011 F LEITUNGSSATZ HINTEN ANSCHLUSSSTUECK KOFFERRAUMLEUCHTE MITVERWENDEN LEITUNGSSATZ HINTEN ANSCHLUSSSTUECK KOFFERRAUMLEUCHTE MITVERWENDEN LEITUNGSSATZ HINTEN LEITUNGSSATZ HINTEN LEITUNGSSATZ HINTEN LEITUNGSSATZ HINTEN LEITUNGSSATZ HINTEN FLACHSTECKHUELSENGEHAEUSE SCHUTZKAPPE TUELLE FLACHKONTAKTGEHAEUSE FLACHKONTAKTGEHAEUSE MIT RASTHAKEN TUELLE FLACHSTECKHUELSENGEHAEUSE FLACHSTECKHUELSENGEHAEUSE RUNDSTECKHUELSENGEHAEUSE FLACHSTECKERGEHAEUSE FLACHSTECKERGEHAEUSE FLACHSTECKHUELSENGEHAEUSE FLACHSTECKERGEHAEUSE FLACHSTECKHUELSENGEHAEUSE FLACHSTECKHUELSENGEHAEUSE FLACHKONTAKTGEHAEUSE ANSCHLUSSSTUECK WASSERABSCHEIDER TUELLE ANSCHLUSSSTUECK WASSERABSCHEIOER CLIP KABELCLIP KABELCLIP CLIP N 017 490 7 N 017 483 5 N 017 490 7 N 017 483 5 3 POLIG 6 POLIG 4 POL I G 1 POLIG 18 POLIG 1 POLIG 2 8 1 POLIG 1 POLIG POLIG POLIG 3 POLIG POLIG 33X6 6 5 7X35MM 12MM 6 5 17 SCHRAEGHECK SCHRAEGHECK TAXI SCHRAEGHECK 5 ZYLINDER SCHRAEGHECK TAXI JN STUFENHECK STUFENHECK TAXI STUFENHECK DIESEL T DIESEL STUFENHECK SCHRAEGHECK STUFENHECK STUFENHECK SCHRAEGHECK SCHRAEGHECK DIESEL T DIESEL DIESEL T DIESEL D 19 0641 HAUPTGRUPPE 9 ELEKTRISCHE AUSRUESTUNG

Vorschau Passat Mod 87-88 Seite 967
Hinweis: Dies ist eine maschinenlesbare No-Flash Ansicht.
Klicken Sie hier um zur Online-Version zu gelangen.