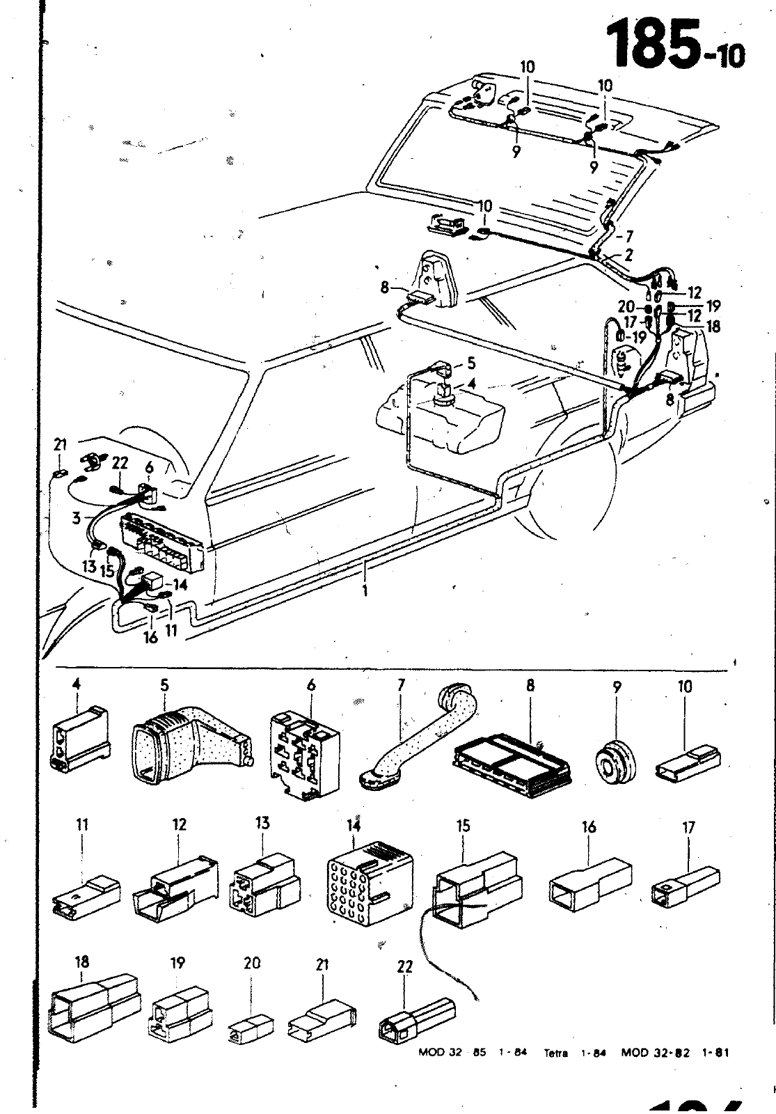
g T ß i2 20 r22 1 4 298 19 20 21 22 M00 32 85 1 84 T m 1 84 MOO 32 2 1 1 HAUPTGRUPPE 9 ELEKTRISCHE AUSRUESTUNG ILD ERSATZTE LE NR BENENNUNG BGMERKUNG ST MODELL 4 5 6 7 8 9 10 1 1 12 1 3 1 4 15 16 1 7 1 8 I 19 21 22 331 971 331 971 321 906 321 919 531 941 321 971 161 94S 171 971 III 971 171 971 161 971 821 971 171 971 821 971 231 141 A 845 840 A 247 91 3 921 B 990 A 988 C 970 971 N 975 821 971 976 161 971 191 971 161 971 431 971 171 971 171 906 976 A 835 989 C 995 998 230 251 957 861 022 906 233 B 867 971 848 161 971 898 171 971 847 A LEITUNGSSATZ HINTEN 011 BK 011 BT 331 971 011 BN LEITUNGSSATZ WINTEN LEITUNGSSATZ HINTEN FUER ZENTRALVERRIEGELUNG LEITUNGSSATZ HINTEN FLACHSTECKHUELSENGEHAEUSE SCHUTZKAPPE RELAISTRAEGER TUELLE FLACHKONTAKTGEHAEUSE TUELLE FLACHSTECKHUCLSENGEHAEUSE FLACHSTECKHUELSENGEHAEUSE FLACHSTECKERGEHAEU5E FLACHSTECKHUELSENGEHAEUSE RUN0STECKHUELSENGEHAEU5E FLACHSTECKERGEHAEUSE FLACHSTECKERGEHAEUSE FLACHSTECKERGEHAEUSE FLACHSTECKHUELSENGEHAEUSE WISCHERMOTOR FLACHSTECKHUELSENGEHAEUSE FLACHSTECKHUELSENGEHAEUSE RUNOSTECKERGEHAEUSE FLACHKONTAKTGEHA USE ANSCHLUSSSTUECK WASSERABSCHEIDER TUELLE ANSCHLUSSSTUECK WASSERABSCHEIOER FLACHKONTAKTGEHAEUSE ANSCHLUSSSTUECK PUMPE FUER ZENTRALVERRIEGELUNG CLIP KABELCLIP CLIP 3 POL IG 18 POL IG 6 POL IG 12 5 6 3 6 3 1 POL IG 2 POL IG 6 3 3 POLIG 18 POLIG 6 3 3 POLIG 6 3 1 POL IG 1 POLIG 3 POL IG 6 3 2 POL IG 6 3 1 POLIG 1 6 1 POLIG 3 POL IG 3 POLIG 6 5 7X35MM 6 5 17 VARIANT DIESEL T DIESEL DIESEL T DIESEL DIESEL T DIESEL HAUPTGRUPPE ELEKTRISCHE AUSRUESTUNG 185 10 D 19 069

Vorschau Passat Mod 87-88 Seite 969
Hinweis: Dies ist eine maschinenlesbare No-Flash Ansicht.
Klicken Sie hier um zur Online-Version zu gelangen.