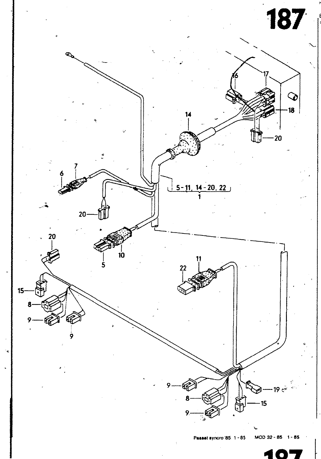
187 20 tl S n 14 20 22 20 1 22 19i 15 Pa myncro 85 1 85 MOO 32 65 1 85 SILO ERSATZTEILE NR BENENNUNG BEMERKUNG ST KENNBUCHST 1 1 1 U I n I 1 321 971 071 FR 323 971 071 G 323 971 071 C 323 971 071 323 971 071 G 323 971 071 D 321 971 071 GC 323 971 071 E 321 971 071 GE 323 971 071 F 32y 971 071 GM 323 971 071 H 321 971 071 GM LEITUNGSSATZ LINKS VORN BEACHTE AUCH UEBERSICHT FUER LEITUNGSSAETZE ZUM SELBSTBAU LEITUNGSSATZ LINKS VORN LEITUNGSSATZ LINKS VORN LEITUNGSSAT LINKS VORN FUER FAHRZEUGE MIT LEUCHTWEITENvfRStELLUNG UplTUNGSSATZ LINKS VORN fuM NACHTRREGLICHEN EINBAU KLIMAANLAGE LEITUNGSSATZ LINKS VORN FUEß FAHRZEUGE MIT LEUCHTWEITENVERSTELLUNG LEITUNGSSATZ LINKS VORN LEITUNGSSATZ LINKS VORN FUER TAGESFAHRLICHTSCHALTUNG LEITUNGSSATZ LINKS VORN FUBR FAHRZEUGE MIT LEUCHTWEITENVERSTELLUNG FUER FAHRZEUGE MIT TAGESFAHRLICHTSCHALTUNG LEITUNGSSaTZ LINKS VORN FUER TAGESFAHRLICHTSCHALTUNG LEITUNGSSATZ LINKS VORN FUER FAH EUKE MIT LEUCHTWEITENVERSTELLUNG FUER FAHRZEUGE MIT TAGESFAHRLICHTSCHALTUNG LEITUWGSSATZ LINKS VORN FUER FAHRZEUGE MIT TAGESFAHRLICHTSCHALTUNG LEITUNGSSATZ LINKS VORp FUER FAHRZEUGE MIT LEUCHTWEITENVERSTELLUNG FUER FAHRZEUGE Ml TAGESFAHRLICHTSCHALTUNG LEITUWGSSATZ LINKS VORN ZUM NACHJRAEGLICHEN EINBAU KLIMAANLAGE FUER FAHRZEUGE MIT NEBELSCHEINWERFER FUER FAHRZEUGE MIT TAGESFAHRLICHTSCHALTUNG OS OT OTA EF JU JV JN PP RM RLuDIESEl T OIESEL EP JU JV JN PP DIESEL DIESEL OS OT OTA RM RL T OIESEL AUTOMATIC OIESEL BB HP HY KV KX JS OS DT OTA EF JU JV RM RL PP OIESEL OS OT OTA EF JU JV RM RL PP DIESEL HP HY KV KX JS HP HY KV KX JS T DIESEL T DIESEL DIESEL 187 0 19 0701 323 971 071 H LEITUWGSSATZ LINKS VORM FUER FAHRZEUGE MIT LEUCHTWEITENVERSTELLUNG

Vorschau Passat Mod 87-88 Seite 979
Hinweis: Dies ist eine maschinenlesbare No-Flash Ansicht.
Klicken Sie hier um zur Online-Version zu gelangen.