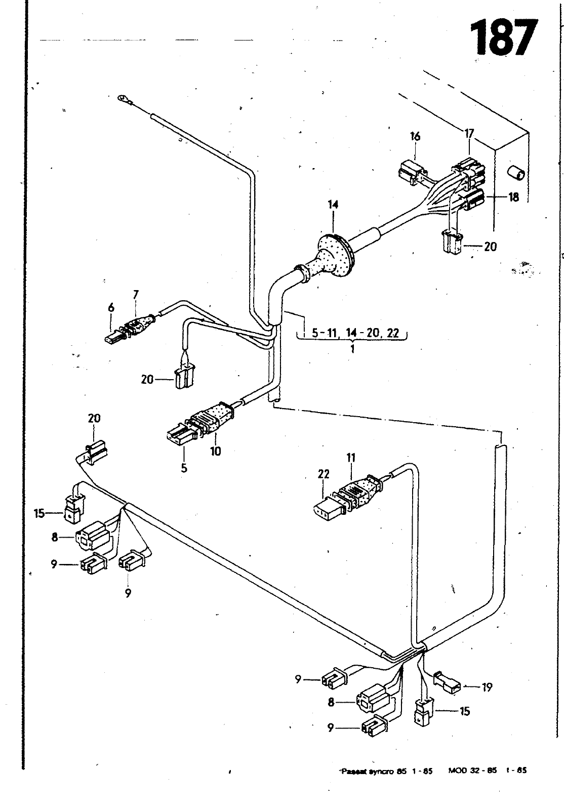
187 Q 20 il 5 M M 20 22 1 20 20 1 22 B f w Pm e ynoD BS 1 85 RKX3 32 1 85 323 971 071 H 5 6 7 8 9 1 0 11 15 16 17 18 19 20 171 311 447 161 321 171 191 443 431 191 171 161 171 171 161 161 161 321 867 906 231 906 231 919 141 941 165 941 600 9 9 459 959 459 959 840 9S9 941 971 905 934 970 971 S 971 T 976 A 999 C 906 231 A 971 838 971 971 971 971 971 97 971 LEITUNGSSATZ LINKS VORN FUER FAHRZEUGE MIT LEUCHTWEITENYERSTELLUNG ZUM NACHTRAEGLZCHEN EINBAU KLIMAANLAGE FUER FAHRZEUGE MIT TAGESFAHRLICHTSCHALTUNG fLACHSTECKHUELSENGEHAEUSE FLACHGTECKHUELSENGEHAEUSE SCHUTZKAPPE FLACHSTECKHUEL5ENGEHAEUSE FLACHSTECKHUELSENGEHAEUSE SCHUTZKAPPE SCHUTZKAPPE FLACHKONTAKTGEHAEUSE TUELLE GUMMITUELLE FLACHSTECKHUELSENGEHAEUSE FLACHSTECKHUELSENGEHAEUSE RUNOSTECKHUELSENGEHAEUSE RUNDSTECKHUELSENGEHAEUSE FLACHSTECKERGEHAEUSE fLACHSTECKHUELSENGEHAEUSE FLACHSTECKHUELSENGEHAEUSE FLACH5TEC MUELSENGEHAEUSE HALTE ANSCHLUSSSTUCtK ißGk FEOERGEfNAUFNAHME 2 POLIG 2 PÖLIG 3 POLIG 2 POLIG 3 POLIG 46 2 POLIG 3 POLIG 12 POLIG 10 POLIG 1 POLIG 2 POLiG 1 POLIG 3 POLIG 2 D 19 0711

Vorschau Passat Mod 87-88 Seite 981
Hinweis: Dies ist eine maschinenlesbare No-Flash Ansicht.
Klicken Sie hier um zur Online-Version zu gelangen.