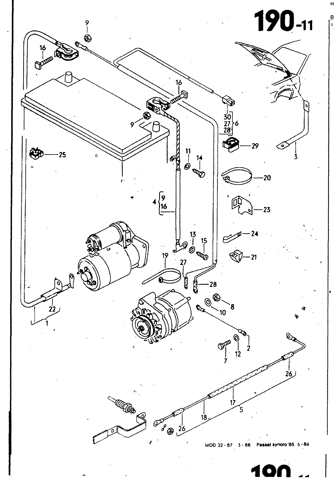
30 27 6 8 z 29 25 20 23 24 Y 27 28 26 26 MOO 32 87 3 86 5 86 40A HAUHlÜHVHHb BILD ERSATZTEILE NR BENENNUNG BEMERKUNG ST MODELL 9 10 1 1 12 1 3 1 4 15 16 17 18 19 20 321 971 322 971 322 971 067 971 323 971 811 971 321 97 323 9n 323 971 323 971 324 971 324 971 324 971 323 971 228 0 228 0 228 J 233 537 235 234 A 349 G 349 G 349 0 349 D 349 8 349 E 349 F 324 971 349 C 010 210 7 011 005 4 N 011 006 8 N 011 523 7 N 011 524 7 N 011 557 2 012 12l4f 013 861 1 013 965 5 017 405 2 018 006 1 N 018 463 3 N 020 901 1 N 900 603 01 LEITUNGSSATZ FUER BATTERIE LEITUNGSSATZ FUER BATTERIE MASSELEITUNG LEITUNGSSATZ FUER DREHSTROMGENERATOR LEITUNGSSATZ FUER GLUEHKERZENVERBINOER LEITUWGSSATZ FUER BATTERIE LEITUNGSSATZ FuER BATTERIE LEITUNGSSATZ FUER BATTERIE MASSELEITUNG MASSELEITUNG LELTUNGSSATZ FUER BA ERIE LElTUWGSSATZ FUER GLUEHKERZENVERBINOEÜ LEITUNGSSATZ FUER DREHSTROMGENERATOR LEITUNGSSATZ FUER OREHSJROMGENERATOR LEITUNGSSATZ FUER DREHSTROMGENERATOR LEITUNGSSATZ FUER DREHSTROMGENERATOR LEITUNGSSATZ FUER DREHSTROMGENERATOR LEITUNGSSATZ FUER DREHSTROMGENERATOR LEITUNGSSATZ FUER DREHSTROMGENERATOR LEITUNGSSATZ FUER DREHSTROMGENERATOR SECHSKANTSCHRAUBE FUER DREHSTROMGENERATOR SECHSKANTMUTTER FU R DREHSTROMGENERATOR SECHSKANTMUTTER SCHEIBE FUER DREHSTROMGENERATOR SCHEIBE SCHEIBE FUER DREHSTROMGENERATOR ZAHNSCHEIBE SECHSKANTSCHNEIDSCHRAUBE LINSENBLECHSCHRAUBE VIERKANTSCHRAUBE ISOLIERSÖHLSUCH IN ROLLEN ZU 5M BESTELLEINHEIT 5 KUERZEN AUF LEITUNG IN ROLLEN ZU 50M BESTELLEINHEIT 50 KUERZEN AUF KA8EL8INDER KABELBINDER RLKG RLKG LLKG 90 A 90 A 45 A 65 A 90 R 90 A RLKG s M6X10K 75 90A M5 45A M6 A5 3X10X1 45A A6 4X12 5X1 6 6 4X11X1 6 75A 90A A4 3 AM6X12 84 2X9 5 M6X38 6X9 6 270MM W6 350MM 360 6 5X175 DIESEL T OIESEL 5 ZYLINDER DIESEL T OIESEL 4 ZYLINDER KLIMAANLAGE 5 ZYLINDER DIESEL T DIESEL DIESEL T OIESEL 5 ZYLINDER 5 ZYLINDER KLIMAANLAGE DIESEL T DIESEL 4 ZYLINDER 190 11 DIESEL T OIESEL DIESEL T DIESEL 0 19 079 21 22 23 171 971 836 A 321 97 843 321 971 846 KABELKLEMME KABELCLIP HALTER

Vorschau Passat Mod 87-88 Seite 989
Hinweis: Dies ist eine maschinenlesbare No-Flash Ansicht.
Klicken Sie hier um zur Online-Version zu gelangen.