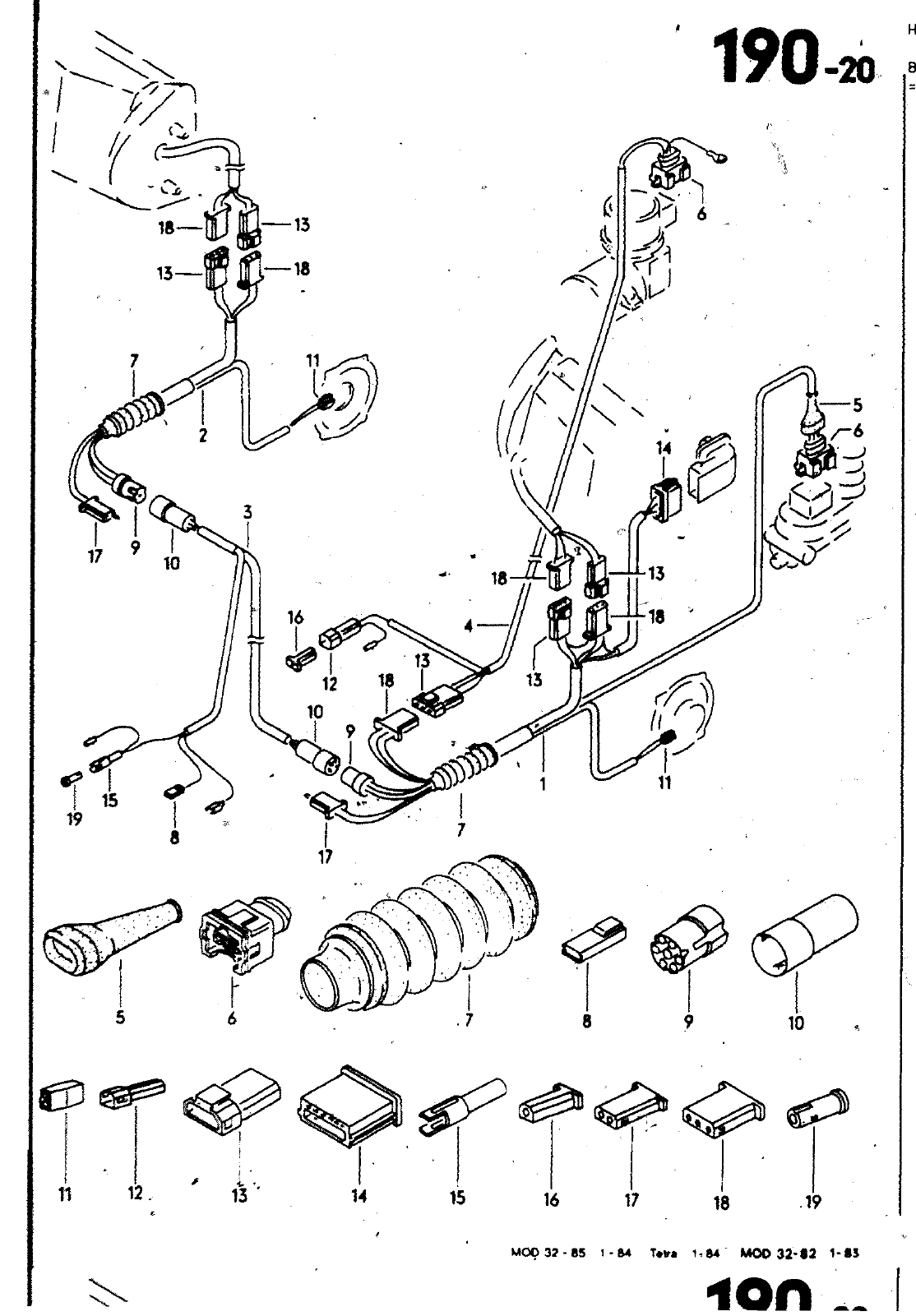
I X 6 JZv 12 M r LX V 12 a M 16 17 w 19 MOOS 85 I M Twr 1 IM hKWaUW 1 1 ion HAUPTGRUPPE 9 BILO ERSATZTEILE NR ELEKTRISCHE AUSRUESTUNG BENENNUNG BEMERKUNG WOKL 12 t 3 13 13 5 5 6 16 I 7 8 9 10 1 11 12 I 3 I 1 3 18 I 1 8 323 971 120 323 971 120 0 321 972 235 8 322 972 235 322 972 235 C 533 971 122 022 906 102 C 443 945 521 A 022 906 233 B 171 906 230 191 971 916 III 971 921 B 803 971 979 803 971 980 171 971 998 A 171 971 999 A 171 971 998 171 971 998 B 161 971 9 5 321 971 998 A 531 971 998 171 971 99 171 971 999 A 171 971 B 161 971 9 0 LEITUNGSSATZ EUER RUECKBLSCK SPIEGEL ELEKTRISCH VERSTELLBAR UNO BEHEIZBAR LAUTSPRECHER UNO ZENTRALVERRIEGELUNG LEITUNGSSATZ FUER RUECKBLICK SPIEGEL ELEKTRISCH VERSTELLBAR UNO BEHEIZBAR LAUTSPRECHER UNO ZENTRALVERRIEGELUNG LEITUNGSSATZ FUER RUECKBLICK SPIEGEL ELEKTRISCH VERSTELLBAR UND BEHEIZBAR UND LAUTSPRECHER LEITUNGSSATZ FUER RUECKB ICK SPIEGEL ELEKTRISCH VERSTELLBAR UNO BEHEIZBAR LEITUNOSSATZ FUER RÜCCKBL CK SPIEGEL ELEKTRISCH VERSTELLBAR UND BEHEIZBAR LEITUNGSS TZ FUCR RUECKBLICK SPIEGEL ELEKTRISCH VERSTELLBAR UNO BEHEIZBAR IFAHRERSEITEI LEITUNGSSATZ FUER ZENTRALVER RIEGELUNG TUELLE tUCLLE FLACHSTECKHUELSENGEHAEUSE FLACHKONTAKTGEHAEUSE FLACHKONTAKTGEHAEUSE FUER ZENTRALVERRIEGELUNG FALTENGALG FLACHSTECKHUELSENGEHAEUSE RUNOSTECKHUELSENGEHAEUSE RUWOSTECKERGEHAEUSE RUNOSTECKERGEHAEUSE RUNDSTECKHUELSENGEHAEUSE RUNOSTECKERGEHAEUSE RUNOSTECKERGEHAEUSE FLACHSTECKERGEHAEUSE ANSCHLUSSSTUECK HUECK8LICKSPIEG L FEOERKONTAKTGEHAEUSE RUNOSTECKERGEHAEUSE RUNDSTECKHUELSENGEHAEUSE RUNDSTECKHUELSENGEHAEUSE RUNDSTECKHUELSENGEHAEUSE FLACHSTECKHUELSENGEHAEUSE ANSCHLUSSSTUECK RUECKBLICKSPIEGEL RLKG 1 6 3 5 POLIG POLIG 6 t POLIG 6 POLIG 6 POLIG 3 5 I POLIG 1 6 1 POLIG 1 6 2 POLIG 1 6 3 POLIG 190 20 POL IG POL IG t3 POLI 1 6 POLI POLIG 0 mqmi 19 531 971 999 RUNDSTECKHUELSENGEHAEUSE 3 5 1 POUG

Vorschau Passat Mod 87-88 Seite 993
Hinweis: Dies ist eine maschinenlesbare No-Flash Ansicht.
Klicken Sie hier um zur Online-Version zu gelangen.