Typ 2 / T2 (Bus) Seite 29

Hinweis: Dies ist eine maschinenlesbare No-Flash Ansicht.
Klicken Sie hier um zur Online-Version zu gelangen.

Inhalt

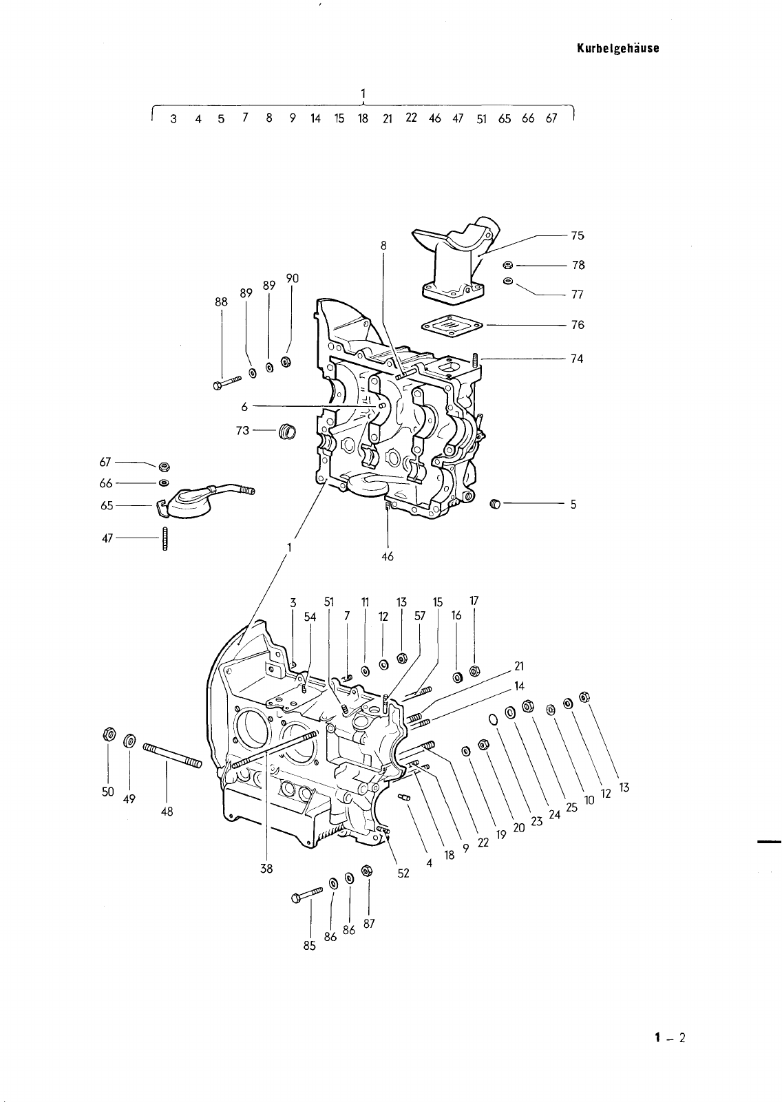
Kurbelgehäuse 3 4 5 7 8 9 14 15 18 21 22 46 47 51 65 66 67 1 II 50 49 48 1 2


Vorschau Typ 2 / T2 (Bus) Seite 29