Typ 2 / T2 (Bus) Seite 86

Hinweis: Dies ist eine maschinenlesbare No-Flash Ansicht.
Klicken Sie hier um zur Online-Version zu gelangen.

Inhalt

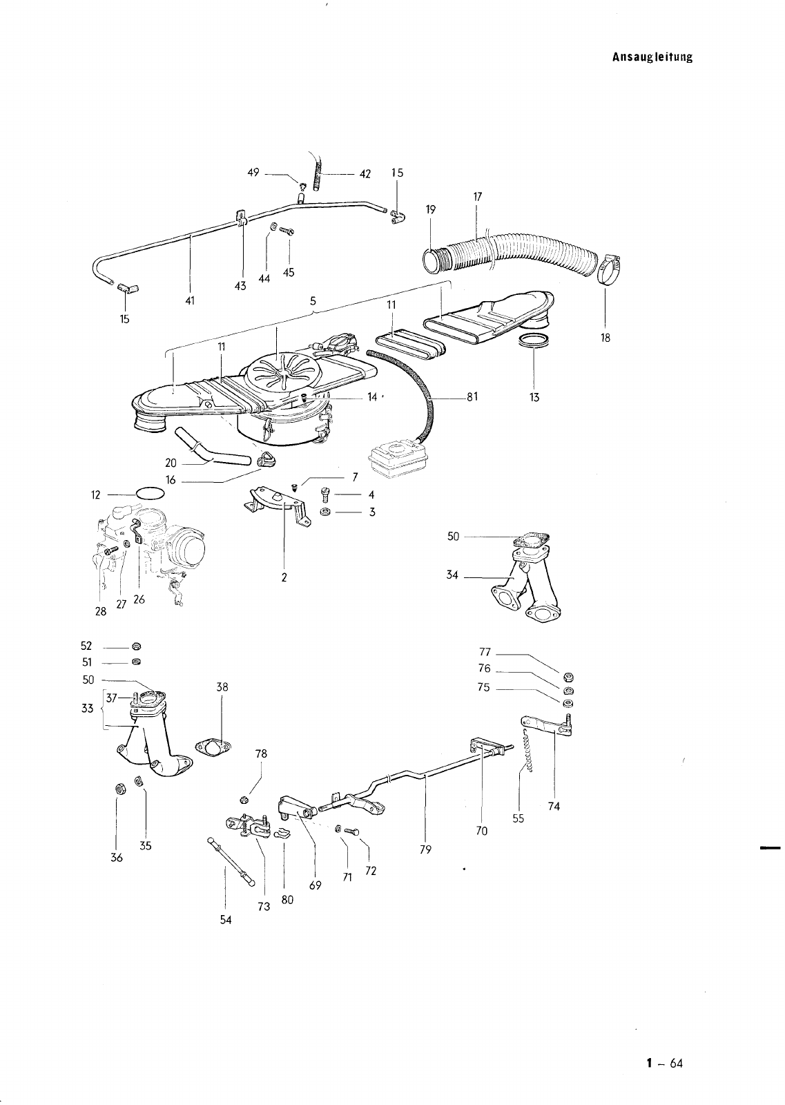
49 42 15 15 5 3 2 81 50 34 13 18 Ansaug leitung 38 J r I 35 36 78 ll r fi 79 70 55 74 I 69 71 72 73 80 54 1 64


Vorschau Typ 2 / T2 (Bus) Seite 86